Конические редукторы KR774 3,0 об/мин... 8,0 об/мин
3,0 об/мин... 8,0 об/мин
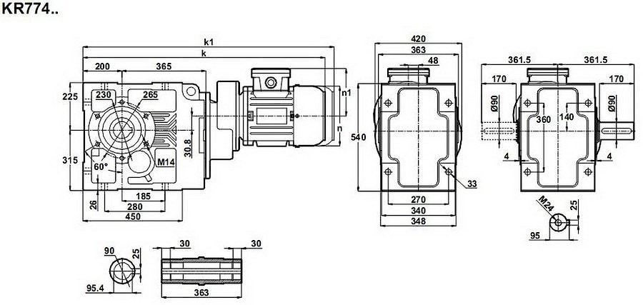
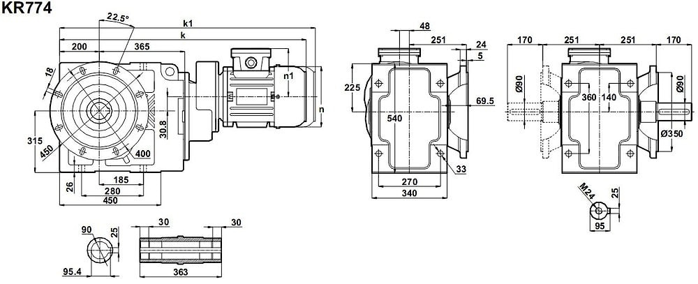
Спецификация конических мотор-редукторов KR774-100L/4b KR774-132S/6.Электрический электродвигатель - 3,0 кВт (3,0/1400 и 3,0/900).
Крутящее передаваемое усилие - 4000 Нм - 9000 Нм.
Скорость вращения выходного вала - 2,9об/мин - 7,7об/мин.
Допустимые значения радиальных осевых нагрузок - 75000Н.
Масса - 440 (425) кг.
Возможно изготовление присоединительных элементов по индивидуальным заказам.
Гарантия - 24 месяцев.
Условное обозначение
Каталог K-series
| Обороты на выходном валу | Крутящий момент на выходном валу | Передаточное число | Радиальные нагрузки на выходной вал | Сервис фактор | Тип редуктора | Масса |
| n2 (об/мин-1) | M2 (Нм) | i | Fr (Н) | fs | m (кг) | |
| 2,9 | 9098 | 311,14 | 63040 | 0,9 | KR774-132S/6 | 440 |
| 3,2 | 8148 | 278,35 | 67864 | 1,0 | ||
| 3,5 | 7428 | 396,00 | 71137 | 1,1 | KR774-100L/4b | 425 |
| 4,0 | 6648 | 354,32 | 74368 | 1,2 | ||
| 4,5 | 5849 | 311,14 | 77376 | 1,4 | ||
| 5,0 | 5238 | 278,35 | 79489 | 1,5 | ||
| 5,8 | 4524 | 240,71 | 81774 | 1,8 | ||
| 6,7 | 3924 | 208,42 | 83529 | 2,0 | ||
| 7,7 | 3437 | 182,29 | 84905 | 2,3 |


Вернуться к выбору мощностей
Мотор-редуктор KR774 - является полным аналогом мотор-редукторов: МВН160 (Siti (Италия)) , В153 (Motovario (Италия) , SK9062.1 / 32 - , SK9062.1 / 32 VF , SK9062.1 / 32 AZ , SK9062.1 / 42 - , SK9062.1 / 42 VF , SK9062.1 / 42 AZ (Nord (Германия) , анагогами, с приближенными размерностями, мотор-редукторов ТС180С , ТF180С , ТС200С , ТF200С (производитель -Tramec (Италия)) , VFR250 , A 804 (Bonfiglioli (Италия), CRMI-130/180 (выпускаемой Stm (Италия).
Редуктор КТ774 можно рассматривать как аналогичный редукторам ТА180С , ТА200С (производства Tramec (Италия)), КЦ1-400 , КЦ2-750 (российских заводов) , технический аналог ВН160 (произведенных под маркой Siti (Италия)).
Если вы хотите купить конические редукторы KR774 , вы можете:
Позвонить:
Российская Федерация
+7 (495) 369-04-89
+7 (910) 726-725-4 (МТС) Смоленск
info@tech-privod.com
Республика Беларусь
+375 17 272-04-08 (т/ф) Минск
+375 29 61-787-61 (A1) Минск
+7 (495) 369-04-89
+7 (910) 726-725-4 (МТС) Смоленск
info@tech-privod.com
Республика Беларусь
+375 17 272-04-08 (т/ф) Минск
+375 29 61-787-61 (A1) Минск
