Мини мотор редуктор 6GU18 ... 50 (160Вт) Номинальная мощность - 0,16 кВт Выходные обороты: 30 об/мин ... 83 об/мин
Номинальная мощность - 0,16 кВт
Выходные обороты: 30 об/мин ... 83 об/мин
Мини мотор редуктор 6GU18 ... 50 представляет собой электродвигатель для продолжительной работы 6IK160W выпускается как в однофазном исполнении (1*110V и 1*220V), так и трехфазном исполнении (3*220V и 3*380V) и редукторная часть 6GU с передаточными отношениями от 18 до 50 составляют полноценный при водный механизм , мотор-редуктор. Крутящий момент на конце выходного вала редуктора от 17 Нм до 44 Нм.
Электрические параметры агрегатируемых электродвигателей можно просмотреть здесь.
Схема подключения
Опции
Условное обозначение
| Модель мотор-редуктора | Выходные обороты | Передаточное число | Крутящий момент | Масса | |||
| мотор | редуктор | вал | n2 (об/мин) | i | M2 (Нм) | m (кг) | |
| 6IK160W-GU 6IK160W-GU-M | 6GU18K | 15, 18 | - | 83 | 18 | 17.1 | Стандарт – 6.5 С тормозом – 7.2 |
| 6GU20K | 15, 18 | - | 75 | 20 | 19.0 | ||
| 6GU25K | 15, 18 | - | 60 | 25 | 23 | ||
| 6GU30K | 15, 18 | - | 50 | 30 | 28 | ||
| 6GU36K | 15, 18 | - | 41 | 36 | 34 | ||
| 6GU40K | 15, 18 | - | 37 | 40 | 40 | ||
| 6GU50K | 15, 18 | - | 30 | 50 | 44 | ||
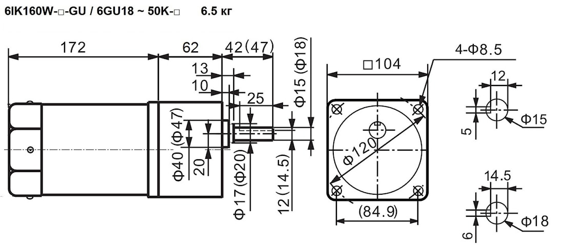
| Стандартная модель |
|
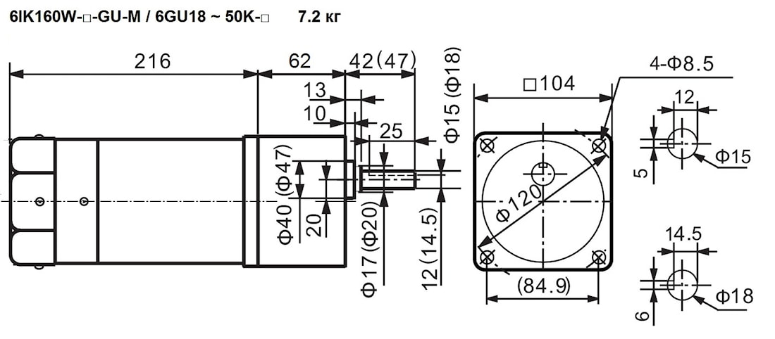
| Модель с электромагнитным тормозом |
|
Если вы хотите купить мини мотор редуктор 6GU18 ... 50 (160Вт) , вы можете:
Позвонить:
Российская Федерация
+7 (495) 369-04-89
+7 (910) 726-725-4 (МТС) Смоленск
info@tech-privod.com
Республика Беларусь
+375 17 272-04-08 (т/ф) Минск
+375 29 61-787-61 (A1) Минск
+7 (495) 369-04-89
+7 (910) 726-725-4 (МТС) Смоленск
info@tech-privod.com
Республика Беларусь
+375 17 272-04-08 (т/ф) Минск
+375 29 61-787-61 (A1) Минск


