Мини мотор редуктор 6GU3 ... 15 (160Вт) Номинальная мощность - 0,16 кВт Выходные обороты: 100 об/мин ... 500 об/мин
Номинальная мощность - 0,16 кВт
Выходные обороты: 100 об/мин ... 500 об/мин
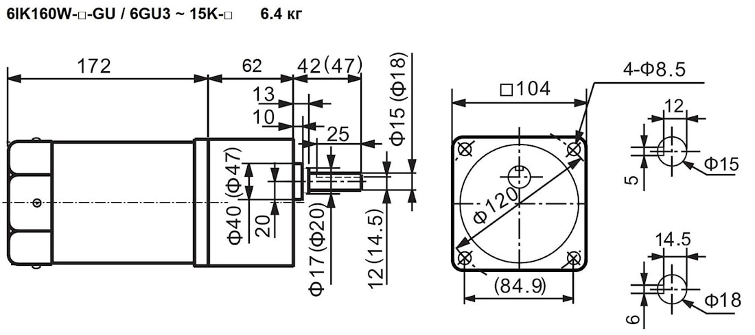
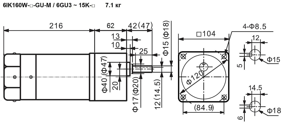
Компактный мини мотор редуктор 6GU3 ... 15 с подводимой мощностью 160 Ватт является многофункциональным реверсивным приводом, служащим для получения вращательного момента. Одноступенчатый редуктор с передаточными числами 3; 3,6; 5; 6; 7,5; 9; 10; 12,5; 15 используется с соответствующими выходными оборотами (изучите таблицу внизу). Передаваемые моменты 2.85 ~ 14.2 Нм (в зависимости от передаточного числа). Электрические параметры электродвигателя можно посмотреть здесь. Схема подключения
Опции
Условное обозначение
| Модель мотор-редуктора | Выходные обороты | Передаточное число | Крутящий момент | Масса | |||
| мотор | редуктор | вал | n2 (об/мин) | i | M2 (Нм) | m (кг) | |
![]() | |||||||
| 6IK160W-GU 6IK160W-GU-M | 6GU3K | 15, 18 | - | 500 | 3.0 | 2.85 | Стандарт – 6.4 С тормозом – 7.1 |
| 6U3.6K | 15, 18 | - | 416 | 3.6 | 3.42 | ||
| 6GU5K | 15, 18 | - | 300 | 5.0 | 4.75 | ||
| 6GU6K | 15, 18 | - | 250 | 6.0 | 5.71 | ||
| 6GU7.5K | 15, 18 | - | 200 | 7.5 | 7.12 | ||
| 6GU9K | 15, 18 | - | 166 | 9.0 | 8.55 | ||
| 6GU10K | 15, 18 | - | 150 | 10 | 9.50 | ||
| 6GU12.5K | 15, 18 | - | 120 | 12.5 | 11.8 | ||
| 6GU15K | 15, 18 | - | 100 | 15 | 14.2 | ||
| Стандартная модель |
|
| Модель с электромагнитным тормозом |
|
Если вы хотите купить мини мотор редуктор 6GU3 ... 15 (160Вт) , вы можете:
Позвонить:
Российская Федерация
+7 (495) 369-04-89
+7 (910) 726-725-4 (МТС) Смоленск
info@tech-privod.com
Республика Беларусь
+375 17 272-04-08 (т/ф) Минск
+375 29 61-787-61 (A1) Минск
+7 (495) 369-04-89
+7 (910) 726-725-4 (МТС) Смоленск
info@tech-privod.com
Республика Беларусь
+375 17 272-04-08 (т/ф) Минск
+375 29 61-787-61 (A1) Минск



