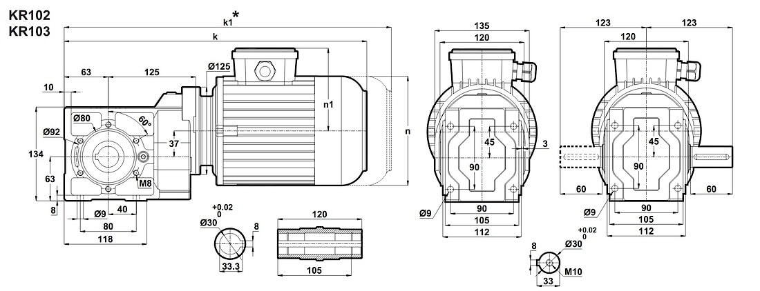
Конические редукторы KR102 и KR103 18 об/мин ... 96 об/мин
18 об/мин ... 96 об/мин

Условное обозначение
Каталог K-series
Обороты на выходном валу | Крутящий момент на выходном валу | Передаточное число | Радиальные нагрузки на выходной вал | Сервис фактор | Тип редуктора | Масса |
n2 (об/мин-1) | M2 (Нм) | i | Fr (Н) | fs | m (кг) | |
18 | 178 | 76,13 | 4454 | 0,8 | KR103-71/4b | 14 |
21 | 158 | 67,22 | 5283 | 0,9 | ||
22 | 147 | 62,79 | 5610 | 1,0 | ||
26 | 125 | 53,07 | 6252 | 1,1 | ||
32 | 104 | 44,32 | 6029 | 1,3 | ||
37 | 90 | 38,22 | 5836 | 1,5 | ||
40 | 83 | 35,22 | 5728 | 1,6 | ||
43 | 77 | 32,9 | 5636 | 1,7 | ||
50 | 65 | 27,81 | 5409 | 1,9 | ||
55 | 61 | 25,5 | 5307 | 2,0 | KR102-71/4b | 13 |
66 | 51 | 21,25 | 5055 | 2,3 | ||
72 | 46 | 19,43 | 4933 | 2,4 | ||
81 | 41 | 17,3 | 4777 | 2,7 | ||
96 | 35 | 14,61 | 4554 | 3,2 |


Вернуться к выбору мощностей
Если вы хотите купить конические редукторы KR102 и KR103 , вы можете:
Позвонить:
Российская Федерация
+7 (495) 369-04-89
+7 (910) 726-725-4 (МТС) Смоленск
info@tech-privod.com
Республика Беларусь
+375 17 272-04-08 (т/ф) Минск
+375 29 61-787-61 (A1) Минск
+7 (495) 369-04-89
+7 (910) 726-725-4 (МТС) Смоленск
info@tech-privod.com
Республика Беларусь
+375 17 272-04-08 (т/ф) Минск
+375 29 61-787-61 (A1) Минск