Конические редукторы KR273 9,0 об/мин... 200 об/мин
9,0 об/мин... 200 об/мин
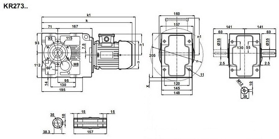
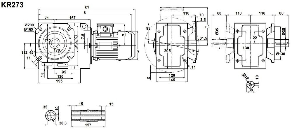
Редукторная трансмиссия с коническим звеном в жесткой сцепке с электромотором 370W (220V, 380) - выпускается как мотор-редуктор KR273-71/4b и KR273-80/6a.Концентрация механической энергии, освобождаемой из высокой угловой скорости и низкого момента на входе, и преобразование ее в конечный крутящий момент 15Нм - 360Нм, подводимый к исполнительным устройствам и механизмам, происходит за счет шестереночных цилиндрических передач и и вогнутой конической ступени.
Особенность всех цилиндро-конических редукторов - это пере направление выходной мощности.
Условное обозначение
Каталог K-series
| Обороты на выходном валу | Крутящий момент на выходном валу | Передаточное число | Радиальные нагрузки на выходной вал | Сервис фактор | Тип редуктора | Масса |
| n2 (об/мин-1) | M2 (Нм) | i | Fr (Н) | fs | m (кг) | |
| 9,3 | 357 | 96,68 | 12420 | 1,3 | KR273-80/6a | 36 |
| 11 | 308 | 83,48 | 11981 | 1,5 | ||
| 12 | 270 | 113,65 | 12900 | 1,7 | KR273-71/4b | 34 |
| 14 | 229 | 96,68 | 12420 | 2,0 | ||
| 17 | 198 | 83,48 | 11981 | 2,3 | ||
| 19 | 173 | 72,92 | 11576 | 2,6 | ||
| 20 | 162 | 68,4 | 11385 | 2,8 | ||
| 24 | 138 | 58,15 | 10905 | 3,3 | ||
| 28 | 120 | 50,51 | 10493 | 3,8 | ||
| 32 | 105 | 44,2 | 10110 | 4,3 | ||
| 38 | 87 | 36,55 | 9578 | 5,2 | ||
| 46 | 72 | 30,48 | 9086 | 6,2 | ||
| 55 | 61 | 25,55 | 8624 | 7,1 | ||
| 61 | 55 | 23,08 | 8365 | 7,5 | ||
| 73 | 45 | 19,08 | 7898 | 8,6 | ||
| 88 | 38 | 15,92 | 7471 | 9,8 | ||
| 105 | 32 | 13,34 | 7074 | 11,1 | ||
| 117 | 28 | 12 | 6810 | 8,8 | ||
| 141 | 24 | 9,92 | 6420 | 10,2 | ||
| 169 | 20 | 8,28 | 6065 | 11,7 | ||
| 202 | 16 | 6,94 | 5737 | 13,4 |


Вернуться к выбору мощностей
Мотор-редуктор KR273 - является полным аналогом мотор-редуктора КТМ33 и МВН63 (производства Tos-Znoimo (Чешская Республика) и Siti (Италия) , анагогами ( с приближенными размерностями ) мотор-редукторов ТС90В , ТF90В (производитель -Tramec (Италия)) , мотор-редукторов А 35 2 и А 35 3 , А 30 2 и А 30 3 от Bonfiglioli (Италия), B063 , BA72 , BA73 (производства Motovario (Италия), техническими заменителями мотор-редукторов SK92772 , SK92772 VF , SK92772 AX , SK9012.1 , SK9012.1 VF , SK9012.1 AX , SK9016.1 , SK9016.1 VF , SK9016.1 AX(производства NORD (Германия)).
Редуктор КТ273 можно использовать как аналог редуктора ВН63 производства Siti (Италия), и аналог привода ТА90В , производимого Tramec (Италия)
Если вы хотите купить конические редукторы KR273 , вы можете:
Позвонить:
Российская Федерация
+7 (495) 369-04-89
+7 (910) 726-725-4 (МТС) Смоленск
info@tech-privod.com
Республика Беларусь
+375 17 272-04-08 (т/ф) Минск
+375 29 61-787-61 (A1) Минск
+7 (495) 369-04-89
+7 (910) 726-725-4 (МТС) Смоленск
info@tech-privod.com
Республика Беларусь
+375 17 272-04-08 (т/ф) Минск
+375 29 61-787-61 (A1) Минск
