Конические редукторы KR473 6,0 об/мин ... 8,0 об/мин
6,0 об/мин ... 8,0 об/мин
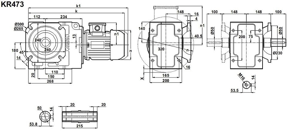
Конический привод служит для преобразования механической энергии, подаваемой энергетической машиной в эквиваленте 0,5 л.с., к исполнительскому механизму, при этом происходит изменения характера движения: а точнее его направленность (изменяется под прямым углом), получаемая скорость: 5,9 об/мин - 8,1 об/мин, происходит мультипликация крутящего момента на выходном валу до 430Нм - 600НмРешение - мотор-редуктор KR473-80/6a.
Предельные допустимые радиально-осевые нагрузки - 20000N.
Гарантийные обязательства: 24 месяца.
Условное обозначение
Каталог K-series
| Обороты на выходном валу | Крутящий момент на выходном валу | Передаточное число | Радиальные нагрузки на выходной вал | Сервис фактор | Тип редуктора | Масса |
| n2 (об/мин-1) | M2 (Нм) | i | Fr (Н) | fs | m (кг) | |
| 5,9 | 603 | 153,47 | 22180 | 2,6 | KR473-80/6a | 94 |
| 6,6 | 534 | 135,98 | 22506 | 2,9 | ||
| 8,1 | 434 | 110,65 | 22951 | 3,6 |

Вернуться к выбору мощностей
Мотор-редуктор KR473 - полный аналог мотор-редуктора B103 (от Motovario (Италия)) КТМ53 (Tos-Znojmo (Чехия) МВН100 (Siti (Италия) мотор-редукторов SK9032.1 , SK9032.1 VF , SK9032/1 AZ (NORD (Германия), можно рассматривать как технический аналог мотор-редукторов марок RMI150, RMI150FL , WMI150 (выпускаемых STM (Италия) , MRT150A , MRT150A-FT , MRT150-FF (производство Tos Znojmo (Чехия) , MI150 и MI150-F (произведенных Siti (Италия), MRS150 , MRT150 , SRS150 , SRT150 , 7МЧ-М-150 (производства Varvel (Италия)/Приводная техника (Россия)), мотор-редукторов VF150, А502 и А503 (Bonfiglioli (Италия)).
Редуктор КТ473 можно использовать как технический аналог редуктору КЦ1-250 (российского производства) , привода ВН100 ( произведенных под маркой Siti (Италия)).
Если вы хотите купить конические редукторы KR473 , вы можете:
Позвонить:
Российская Федерация
+7 (495) 369-04-89
+7 (910) 726-725-4 (МТС) Смоленск
info@tech-privod.com
Республика Беларусь
+375 17 272-04-08 (т/ф) Минск
+375 29 61-787-61 (A1) Минск
+7 (495) 369-04-89
+7 (910) 726-725-4 (МТС) Смоленск
info@tech-privod.com
Республика Беларусь
+375 17 272-04-08 (т/ф) Минск
+375 29 61-787-61 (A1) Минск
Ещё из раздела Конические мотор-редукторы — 0,37кВт
Конический редуктор KR284
Номинальная мощность - 0,37кВт
Выходные обороты: 5,0 об/мин ... 7,7 об/мин
Мотор-редуктор KR 284 - основанный на небольшом коническом редукторе с высотой оси вращения 132мм и электродвигателем мощностью 0.37кВт. Для расширения передаточного числа, между редуктором и двигателем устанавливается цилиндрическая предступень и ...
