Конический редуктор KR103 11 об/мин ... 22 об/мин
11 об/мин ... 22 об/мин

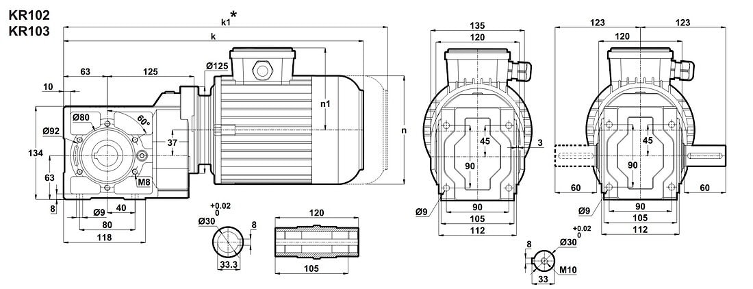
Условное обозначение
Каталог K-series
Обороты на выходном валу | Крутящий момент на выходном валу | Передаточное число | Радиальные нагрузки на выходной вал | Сервис фактор | Тип редуктора | Масса |
n2 (об/мин-1) | M2 (Нм) | i | Fr (Н) | fs | m (кг) | |
11 | 97 | 129,27 | 6771 | 1,4 | KR103-63/4a | 12 |
12 | 88 | 118,19 | 6898 | 1,6 | ||
13 | 79 | 105,26 | 7032 | 1,8 | ||
16 | 67 | 88,87 | 7176 | 2,1 | ||
18 | 57 | 76,13 | 7272 | 2,5 | ||
21 | 50 | 67,22 | 7326 | 2,8 | ||
22 | 47 | 62,79 | 7350 | 3,0 |


Вернуться к выбору мощностей
Если вы хотите купить конический редуктор KR103 , вы можете:
Позвонить:
Российская Федерация
+7 (495) 369-04-89
+7 (910) 726-725-4 (МТС) Смоленск
info@tech-privod.com
Республика Беларусь
+375 17 272-04-08 (т/ф) Минск
+375 29 61-787-61 (A1) Минск
+7 (495) 369-04-89
+7 (910) 726-725-4 (МТС) Смоленск
info@tech-privod.com
Республика Беларусь
+375 17 272-04-08 (т/ф) Минск
+375 29 61-787-61 (A1) Минск