Конический редуктор KR203 10 об/мин ... 12 об/мин
10 об/мин ... 12 об/мин
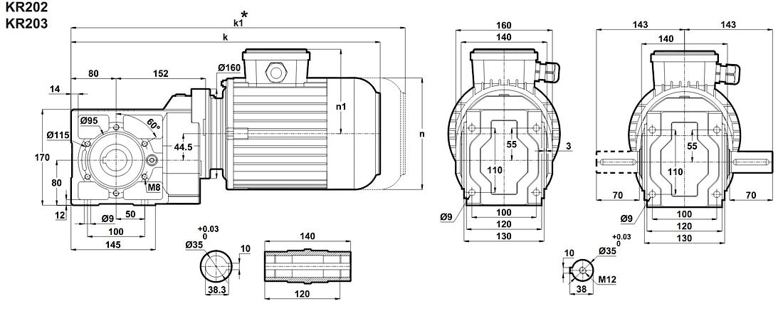
Коническо-цилиндрический мотор-редуктор KR203-63/4а - компактный привод, ведомый электромотором 120 Ватт.На данной мощностой группе данный привод имеет высокий сервис-фактор, что характеризует его, как высокоустойчивую трансмиссию, т.е способную выдерживать агрессивный характер работ: частые старты и остановки (ускорения и замедления), ударные нагрузки, большая продолжительность работ, переменчивость нагружаемости и т.д.
Гарантия - 24 месяца.
Условное обозначение
Каталог K-series
| Обороты на выходном валу | Крутящий момент на выходном валу | Передаточное число | Радиальные нагрузки на выходной вал | Сервис фактор | Тип редуктора | Масса |
| n2 (об/мин-1) | M2 (Нм) | i | Fr (Н) | fs | m (кг) | |
| 10 | 104 | 138,53 | 10321 | 2,7 | KR203-63/4a | 16 |
| 12 | 90 | 119,62 | 9903 | 3,1 |

Вернуться к выбору мощностей
Если вы хотите купить конический редуктор KR203 , вы можете:
Позвонить:
Российская Федерация
+7 (495) 369-04-89
+7 (910) 726-725-4 (МТС) Смоленск
info@tech-privod.com
Республика Беларусь
+375 17 272-04-08 (т/ф) Минск
+375 29 61-787-61 (A1) Минск
+7 (495) 369-04-89
+7 (910) 726-725-4 (МТС) Смоленск
info@tech-privod.com
Республика Беларусь
+375 17 272-04-08 (т/ф) Минск
+375 29 61-787-61 (A1) Минск
