Цилиндрический редуктор DR672 70 об/мин ... 330 об/мин
70 об/мин ... 330 об/мин
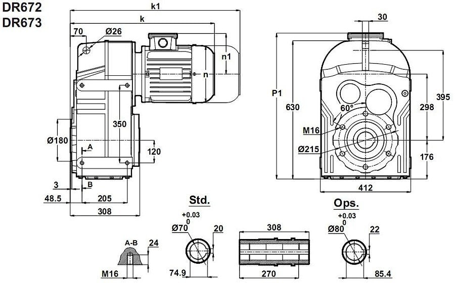
Обще промышленный электрический мотор мощностью 30 киловатт совместно с редукторным механизмом, компактно заключенным в моноблочный литой корпус, с двухступенчатой шестереночной передачей механического движения и преобразование его в устойчивое вращательное усилие в пределах: 1000 Нм - 4000 Нм - предлагается цилиндрическим редуктором с параллельным выходным валом DR672-200L/4.Причем исполнение выхода мотор-редуктора на выбор: полая втулка, выходной вал , выходной фланец , зажим для полой втулки, приставка к выходному валу для смесителей, с реактивной штангой.
Условное обозначение
Каталог D-series
| Обороты на выходном валу | Крутящий момент на выходном валу | Передаточное число | Радиальные нагрузки на выходной вал | Сервис фактор | Тип редуктора | Масса |
| n2 (об/мин-1) | M2 (Нм) | i | Fr (Н) | fs | m (кг) | |
| 69 | 3996 | 20,2 | 32551 | 1,1 | DR672-200L/4 | 339 |
| 80 | 3465 | 17,49 | 37059 | 1,2 | ||
| 92 | 3035 | 15,30 | 40108 | 1,4 | ||
| 104 | 2678 | 13,48 | 42735 | 1,6 | ||
| 117 | 2378 | 11,96 | 45587 | 1,7 | ||
| 131 | 2122 | 10,67 | 47781 | 1,8 | ||
| 136 | 2045 | 10,29 | 47806 | 1,9 | ||
| 157 | 1773 | 8,91 | 46284 | 2,0 | ||
| 181 | 1545 | 7,75 | 44806 | 2,1 | ||
| 188 | 1484 | 7,45 | 44019 | 1,9 | ||
| 212 | 1318 | 6,61 | 42795 | 2,1 | ||
| 238 | 1176 | 5,89 | 41626 | 2,2 | ||
| 246 | 1133 | 5,68 | 41257 | 2,3 | ||
| 285 | 982 | 4,92 | 39810 | 2,4 | ||
| 327 | 856 | 4,28 | 38430 | 2,6 |

Вернуться к выбору мощностей
Мотор-редуктор DR672 - как технический аналог мотор-редуктор можно рассматривать относительно к моделям MPD160 и MPD160/3 , MPL160 и MPL160/3 / производства Siti , Италия ; SK6282 /производства Nord , Германия ; F702/ производства Bonfiglioli , Италия , ZF180B и ZF180C / производства Tramec , Италия .
Редуктор DT672 является аналогом редукторов ZA160B , ZA160C производства Tramec / Италия .
Если вы хотите купить цилиндрический редуктор DR672 , вы можете:
Позвонить:
Российская Федерация
+7 (495) 369-04-89
+7 (910) 726-725-4 (МТС) Смоленск
info@tech-privod.com
Республика Беларусь
+375 17 272-04-08 (т/ф) Минск
+375 29 61-787-61 (A1) Минск
+7 (495) 369-04-89
+7 (910) 726-725-4 (МТС) Смоленск
info@tech-privod.com
Республика Беларусь
+375 17 272-04-08 (т/ф) Минск
+375 29 61-787-61 (A1) Минск
