Цилиндрический редуктор DR772 и DR773 35 об/мин ... 310 об/мин
35 об/мин ... 310 об/мин
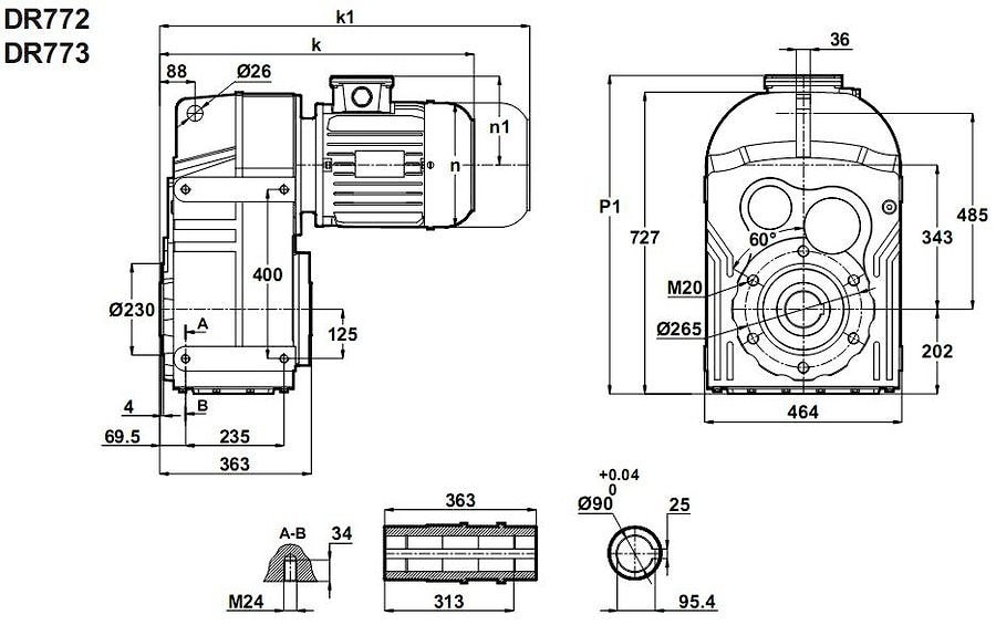
Редукторный механизм с цилиндрическим зацеплением DR772-200L/4 и DR773-200L/4 скомпонован в монолитный корпус с технологией точного литья, исключающего возникновения воздушных пор; форма выходного вала параллельной осью.Мощность подключения: 30 кВт.
Вращающее передаваемое усилие исполнительного вала: 2000 Nm - 8000 Nm.
Широкий ряд выбора передаточных чисел: 4,5/1 , 5,0/1 , 5,75/1 , 6,5/1 , 7,0/1 , 7,75/1 , 8,7/1 , 9,0/1 , 10,25/1 , 11,7/1 , 12,4/1 , 13,8/1 , 15,5/1 , 17,5/1 , 20/1 , 23/1 , 24/1 , 28/1 , 32/1 , 33/1 , 37/1 , 42/1 .
Условное обозначение
Каталог D-series
| Обороты на выходном валу | Крутящий момент на выходном валу | Передаточное число | Радиальные нагрузки на выходной вал | Сервис фактор | Тип редуктора | Масса |
| n2 (об/мин-1) | M2 (Нм) | i | Fr (Н) | fs | m (кг) | |
| 33 | 8179 | 41,85 | 54117 | 1,0 | DR773-200L/4 | 439 |
| 38 | 7266 | 37,12 | 60506 | 1,1 | ||
| 42 | 6486 | 33,10 | 63494 | 1,2 | ||
| 44 | 6249 | 31,92 | 63173 | 1,3 | ||
| 51 | 5421 | 27,65 | 61808 | 1,5 | ||
| 58 | 4725 | 24,06 | 60366 | 1,7 | ||
| 61 | 4506 | 22,77 | 59881 | 1,8 | DR772-200L/4 | 424 |
| 71 | 3928 | 19,82 | 58312 | 2,0 | ||
| 80 | 3460 | 17,44 | 56811 | 2,3 | ||
| 91 | 3072 | 15,46 | 55378 | 2,5 | ||
| 101 | 2746 | 13,81 | 54009 | 2,7 | ||
| 113 | 2467 | 12,40 | 52700 | 2,8 | ||
| 120 | 2328 | 11,71 | 52001 | 2,9 | ||
| 137 | 2037 | 10,23 | 50366 | 3,2 | ||
| 156 | 1792 | 9,00 | 48808 | 3,4 | ||
| 161 | 1733 | 8,70 | 47905 | 3,0 | ||
| 180 | 1549 | 7,76 | 46607 | 3,2 | ||
| 201 | 1392 | 6,97 | 45382 | 3,4 | ||
| 213 | 1313 | 6,58 | 44733 | 3,5 | ||
| 243 | 1149 | 5,75 | 43230 | 3,8 | ||
| 277 | 1011 | 5,06 | 41812 | 4,0 | ||
| 313 | 893 | 4,47 | 40467 | 4,3 |

Вернуться к выбору мощностей
Мотор-редуктор DR772 и DR773 - как технический аналог мотор-редуктор можно рассматривать относительно к моделям MPD160 и MPD160/3 / производства Siti , Италия ; SK7282 и SK7382 /производства Nord , Германия ; F802 и F803 / производства Bonfiglioli , Италия , ZF200B и ZF200C / производства Tramec , Италия .
Редуктор DT772 и DT773 является аналогом редукторов PD160- , PD160/3- производства Siti / Италия ; ZA200B , ZA200C производства Tramec / Италия .
Если вы хотите купить цилиндрический редуктор DR772 и DR773 , вы можете:
Позвонить:
Российская Федерация
+7 (495) 369-04-89
+7 (910) 726-725-4 (МТС) Смоленск
info@tech-privod.com
Республика Беларусь
+375 17 272-04-08 (т/ф) Минск
+375 29 61-787-61 (A1) Минск
+7 (495) 369-04-89
+7 (910) 726-725-4 (МТС) Смоленск
info@tech-privod.com
Республика Беларусь
+375 17 272-04-08 (т/ф) Минск
+375 29 61-787-61 (A1) Минск
