Цилиндрический редуктор DR973 15 об/мин ... 60 об/мин
15 об/мин ... 60 об/мин
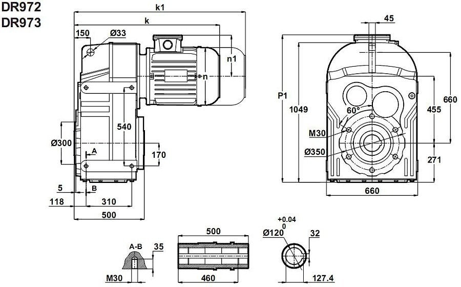
Спецификация продукта:Редукторный механизм DR973-200L/4
Подводимая мощность - 30 KW.
Крутящее передаваемое усилие: 5000 Nm - 18000 Nm.
Трансмиссионный делитель предлагается на выбор: i=25 , i=34 , i=38 , i=43 , i=50 , i=56 , i= 63 , i= 71 , i= 84 , i= 93.
Радиальные нагрузки: 15000 N.
Диаметр полого вала стандарт d=120 , возможны варианты.
Исполнения: полый вал , массивный вал , фланец на выходе , зажимной диск , экструдерная приставка.
Гарантийные обязательства: 24 месяцев.
Условное обозначение
Каталог D-series
| Обороты на выходном валу | Крутящий момент на выходном валу | Передаточное число | Радиальные нагрузки на выходной вал | Сервис фактор | Тип редуктора | Масса |
| n2 (об/мин-1) | M2 (Нм) | i | Fr (Н) | fs | m (кг) | |
| 15 | 18264 | 93,91 | 161520 | 1,0 | DR973-200L/4 | 899 |
| 17 | 16417 | 84,31 | 158598 | 1,1 | ||
| 19 | 13999 | 71,87 | 154007 | 1,3 | ||
| 22 | 12357 | 63,36 | 150219 | 1,5 | ||
| 25 | 10976 | 56,21 | 146527 | 1,6 | ||
| 28 | 9798 | 50,12 | 142934 | 1,8 | ||
| 32 | 8491 | 43,38 | 138368 | 2,1 | ||
| 37 | 7496 | 38,24 | 134366 | 2,4 | ||
| 41 | 6658 | 33,93 | 130573 | 2,7 | ||
| 54 | 5087 | 25,92 | 121241 | 3,5 |

Вернуться к выбору мощностей
Мотор редуктор DR973 можно использовать как технический аналог к мотор редуктору SK9382 выпускаемых NORD, Германия.
Если вы хотите купить цилиндрический редуктор DR973 , вы можете:
Позвонить:
Российская Федерация
+7 (495) 369-04-89
+7 (910) 726-725-4 (МТС) Смоленск
info@tech-privod.com
Республика Беларусь
+375 17 272-04-08 (т/ф) Минск
+375 29 61-787-61 (A1) Минск
+7 (495) 369-04-89
+7 (910) 726-725-4 (МТС) Смоленск
info@tech-privod.com
Республика Беларусь
+375 17 272-04-08 (т/ф) Минск
+375 29 61-787-61 (A1) Минск
