Конические редукторы KR573 70 об/мин... 200 об/мин
70 об/мин... 200 об/мин
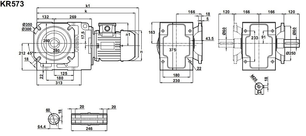
Один из вариантов предлагаемых конических трансмиссий, - это мотор-редуктор KR573-160L/4, который включает в комплект поставки - 3-фазный электродвигатель мощностью 15 кВт (исполнение стандартное, с устройством торможения, с контрольно-исполнительными датчиками и т.д. в комплекте) и механическая зубчатая передача, с передаточными числами i=7.0 ... i=26; достигаемые вращающие усилия на конце выходного вала 700 Нм - 2000 Нм.Гарантия: 2 года
Условное обозначение
Каталог K-series
| Обороты на выходном валу | Крутящий момент на выходном валу | Передаточное число | Радиальные нагрузки на выходной вал | Сервис фактор | Тип редуктора | Масса |
| n2 (об/мин-1) | M2 (Нм) | i | Fr (Н) | fs | m (кг) | |
| 54 | 2638 | 25,78 | 23933 | 0,9 | KR573-160L/4 | 280 |
| 61 | 2330 | 22,77 | 23980 | 0,9 | ||
| 69 | 2071 | 20,24 | 23923 | 1,0 | ||
| 74 | 1923 | 18,80 | 23843 | 1,1 | ||
| 88 | 1625 | 15,88 | 23555 | 1,2 | ||
| 104 | 1384 | 13,53 | 23164 | 1,3 | ||
| 121 | 1185 | 11,58 | 22702 | 1,4 | ||
| 125 | 1148 | 11,22 | 22090 | 1,3 | ||
| 148 | 970 | 9,48 | 21585 | 1,4 | ||
| 173 | 826 | 8,07 | 21041 | 1,6 | ||
| 203 | 707 | 6,91 | 20473 | 1,7 |


Вернуться к выбору мощностей
Мотор-редуктор KR573 - полный аналог мотор-редуктора B123 (от Motovario (Италия)) КТМ63 (Tos-Znojmo (Чехия) МВН125 (Siti (Италия) мотор-редукторов SK9042.1 , SK9042.1 VF , SK9042/1 AZ (NORD (Германия), можно рассматривать как технический аналог мотор-редукторов марок MRT180A , MRT180A-FT , MRT180-FF (производства Tos Znojmo (Италия) , RMI180, RMI180FL (выпускаемых STM (Италия)) MI175 и MI175-F (произведенных Siti (Италия), ТС140В , TF140В (марки от Tramec (Италия)) VF185 , A552 , A553 , A602 , A603 (производства Bonfiglioli (Италия)).
Редуктор КТ573 можно использовать как аналогичный редуктору КЦ1-300 (российского производства) , привода ТА140В производимого Tramec (Италия), аналог редуктора RT150A и RF150A-FF производства Tos-Znojmo (Чехия), технический аналог редукторам ВН125, МВН125, произведенных под маркой Siti (Италия) и технический аналог редуктору КЦ2-125Н (производителя "Зарем").
Если вы хотите купить конические редукторы KR573 , вы можете:
Позвонить:
Российская Федерация
+7 (495) 369-04-89
+7 (910) 726-725-4 (МТС) Смоленск
info@tech-privod.com
Республика Беларусь
+375 17 272-04-08 (т/ф) Минск
+375 29 61-787-61 (A1) Минск
+7 (495) 369-04-89
+7 (910) 726-725-4 (МТС) Смоленск
info@tech-privod.com
Республика Беларусь
+375 17 272-04-08 (т/ф) Минск
+375 29 61-787-61 (A1) Минск
