Конические редукторы KR673 40 об/мин... 170 об/мин
40 об/мин... 170 об/мин
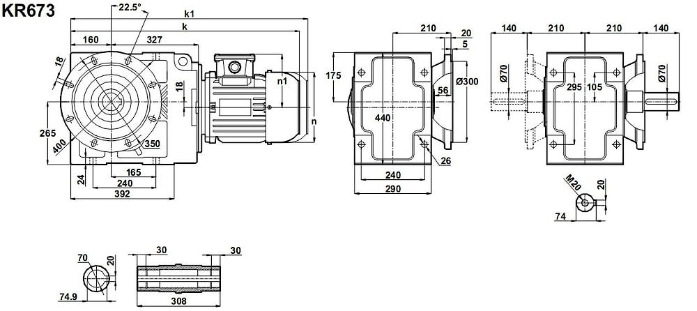
Одно скоростное мощное трансмиссионное средство промышленного типа (механическая коробка передач конического типа) для пере направления и доставки мощности 1000 Нм ... 4000 Нм к сопутствующим узлам и устройствам, - коническо-цилиндрический мотор-редуктор KR673-160L/4 , расчетная скорость выходного вала максимально эффективная для данного привода 36 - 169 оборотов/минуту.Первичным энерго-электрическим первоисточником служит двигатель с номиналом мощности - 15 киловатт.
Мотор-редуктор может быть адаптирован под Ваши присоединительные размеры.
Условное обозначение
Каталог K-series
| Обороты на выходном валу | Крутящий момент на выходном валу | Передаточное число | Радиальные нагрузки на выходной вал | Сервис фактор | Тип редуктора | Масса |
| n2 (об/мин-1) | M2 (Нм) | i | Fr (Н) | fs | m (кг) | |
| 27 | 5227 | 51,08 | 23991 | 0,8 | KR673-160L/4 | 382 |
| 31 | 4569 | 44,65 | 31050 | 0,9 | ||
| 36 | 4017 | 39,26 | 35402 | 1,1 | ||
| 43 | 3344 | 32,68 | 35385 | 1,3 | ||
| 50 | 2875 | 28,10 | 35132 | 1,5 | ||
| 57 | 2495 | 24,38 | 34736 | 1,7 | ||
| 66 | 2181 | 21,32 | 34245 | 2,0 | ||
| 75 | 1917 | 18,74 | 33689 | 2,2 | ||
| 85 | 1693 | 16,54 | 33085 | 2,5 | ||
| 97 | 1483 | 14,49 | 32092 | 2.0 | ||
| 112 | 1274 | 12,46 | 31280 | 2,2 | ||
| 130 | 1106 | 10,81 | 30474 | 2,4 | ||
| 148 | 967 | 9,45 | 29679 | 2,7 | ||
| 169 | 850 | 8,31 | 28899 | 2,9 |

Вернуться к выбору мощностей
Мотор-редуктор KR673 - полный аналог мотор-редуктора B143 (от Motovario (Италия)) , МВН140 (Siti (Италия) мотор-редукторов SK9052.1 , SK9052.1 VF , SK9052.1 AZ (Nord (Германия), можно рассматривать как технический аналог мотор-редукторов марок ТС180В , TF180В (марки от Tramec (Италия)) VF210 , A703 (производства Bonfiglioli (Италия)).
Редуктор КТ673 можно рассматривать как аналогичный редуктору КЦ2-500 российского производства , редуктора ТА180В, ТС180В , ТF180В , производимого Tramec (Италия), аналог редуктора RT180A и RТ180A-FF производства Tos-Znojmo (Чехия), технический аналог редукторам ВН140, МВН140, произведенных под маркой Siti (Италия) и технический аналог редукторам КЦ1-300 , КЦ2-160Н производителя "Зарем"
Если вы хотите купить конические редукторы KR673 , вы можете:
Позвонить:
Российская Федерация
+7 (495) 369-04-89
+7 (910) 726-725-4 (МТС) Смоленск
info@tech-privod.com
Республика Беларусь
+375 17 272-04-08 (т/ф) Минск
+375 29 61-787-61 (A1) Минск
+7 (495) 369-04-89
+7 (910) 726-725-4 (МТС) Смоленск
info@tech-privod.com
Республика Беларусь
+375 17 272-04-08 (т/ф) Минск
+375 29 61-787-61 (A1) Минск
