Конические редукторы KR773 20 об/мин... 60 об/мин
20 об/мин... 60 об/мин
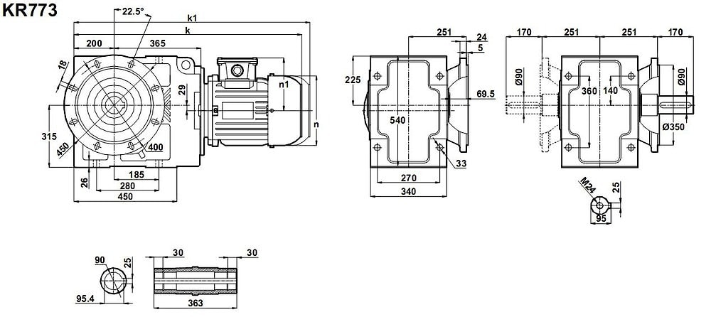
Мощная зубчатая передача, с первичным электроприводом различных типов и назначения, эквивалентной мощности 15 KW выпускается под маркировкой KR773-160L/4. Представляет собой коническую ступень, служащую для увеличения усилия на выходе при одновременном пере направлении вращающего движения.Скорость выходного вала для привода эффективна в пределах 14 об/мин - 60 об/мин.
Номинальный момент редуктора - 4500 Nm.
Момент на выходе - 3000 - 7500 Nm.
Условное обозначение
Каталог K-series
| Обороты на выходном валу | Крутящий момент на выходном валу | Передаточное число | Радиальные нагрузки на выходной вал | Сервис фактор | Тип редуктора | Масса |
| n2 (об/мин-1) | M2 (Нм) | i | Fr (Н) | fs | m (кг) | |
| 14 | 10130 | 99,00 | 56992 | 0,8 | KR773-160L/4 | 539 |
| 16 | 9062 | 88,57 | 59063 | 0,9 | ||
| 18 | 7837 | 76,59 | 59187 | 1,0 | ||
| 21 | 6786 | 66,32 | 58951 | 1,2 | ||
| 24 | 5935 | 58,00 | 58467 | 1,3 | ||
| 27 | 5232 | 51,13 | 57817 | 1,5 | ||
| 31 | 4641 | 45,36 | 57056 | 1,7 | ||
| 35 | 4138 | 40,44 | 56215 | 1,9 | ||
| 36 | 3991 | 39,00 | 55930 | 2,0 | ||
| 41 | 3457 | 33,78 | 54723 | 2,3 | ||
| 48 | 3008 | 29,40 | 53456 | 2,7 | ||
| 53 | 2713 | 26,52 | 52467 | 2,9 | ||
| 60 | 2407 | 23,52 | 51278 | 3,3 |

Вернуться к выбору мощностей
Мотор-редуктор KR773 - полный аналог мотор-редуктора B153 (от Motovario (Италия)) , МВН160 (Siti (Италия) мотор-редукторов SK9062.1 , SK9062.1 VF , SK9062.1 AZ (Nord (Германия), можно рассматривать как технический аналог мотор-редукторов марок ТС225В , TF225В ТС200В , TF200В (марки от Tramec (Италия)) VF250 , A803 (производства Bonfiglioli (Италия)). Редуктор КТ773 можно рассматривать как аналогичный редукторам КЦ1-400 , КЦ2-750 (российского производства), редуктора ТА200В, ТА225В (производимого Tramec (Италия)), технический аналог редукторам ВН160 (произведенных под маркой Siti (Италия)) и технический аналог редукторам КЦ2-200Н (производителя "Зарем").
Если вы хотите купить конические редукторы KR773 , вы можете:
Позвонить:
Российская Федерация
+7 (495) 369-04-89
+7 (910) 726-725-4 (МТС) Смоленск
info@tech-privod.com
Республика Беларусь
+375 17 272-04-08 (т/ф) Минск
+375 29 61-787-61 (A1) Минск
+7 (495) 369-04-89
+7 (910) 726-725-4 (МТС) Смоленск
info@tech-privod.com
Республика Беларусь
+375 17 272-04-08 (т/ф) Минск
+375 29 61-787-61 (A1) Минск
