Конические редукторы KR873 8,0 об/мин... 30 об/мин
8,0 об/мин... 30 об/мин
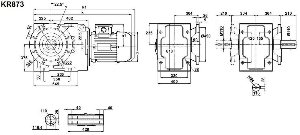
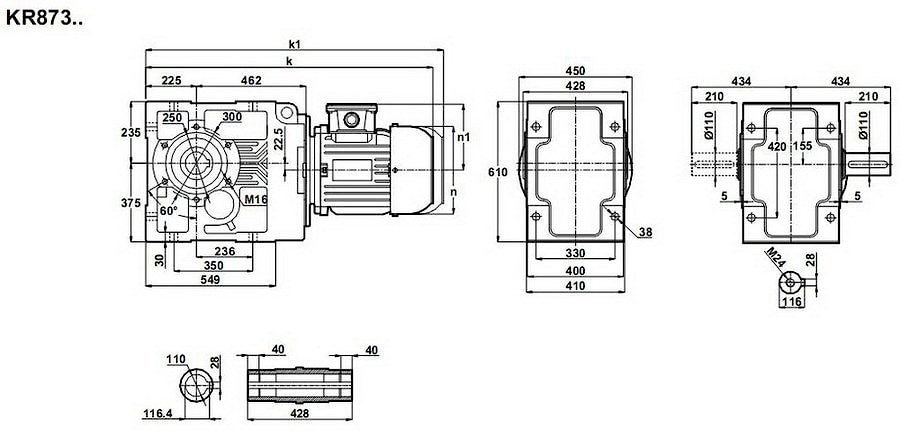
Конический привод KR873-160L/4 и KR873-180L/6 - по сути представляет собой электропривод мощностью 15 кВт и трансмиссионный механизм, который в следствии редуцирования входных оборотов: 1500 об/мин и 1000 об/мин, согласно номинальным значением: i=50, i= 55, i= 60, i= 70, i=80, i= 90, i= 100, i= 115, преобразует энергию, выделяемую из высокой угловой скорости на входе, в высокий крутящий момент на выходе 5000 Нм ... 15000 Нм, за счет наличия конической ступени происходит пере направление вращающего движения.Условное обозначение
Каталог K-series
| Обороты на выходном валу | Крутящий момент на выходном валу | Передаточное число | Радиальные нагрузки на выходной вал | Сервис фактор | Тип редуктора | Масса |
| n2 (об/мин-1) | M2 (Нм) | i | Fr (Н) | fs | m (кг) | |
| 8,7 | 15446 | 103,24 | 98487 | 1,0 | KR873-180L/6 | 715 |
| 10 | 13884 | 92,80 | 104721 | 1,1 | ||
| 11 | 12129 | 81,06 | 110855 | 1,2 | ||
| 12 | 11145 | 115,87 | 113903 | 1,3 | KR873-160L/4 | 668 |
| 14 | 9930 | 103,24 | 117746 | 1,5 | ||
| 15 | 8926 | 92,80 | 120550 | 1,7 | ||
| 17 | 7797 | 81,06 | 120255 | 1,9 | ||
| 20 | 6806 | 70,76 | 117238 | 2,2 | ||
| 22 | 6004 | 62,42 | 114359 | 2,5 | ||
| 25 | 5341 | 55,53 | 111615 | 2,8 | ||
| 28 | 4785 | 49,75 | 108998 | 3,1 |

Вернуться к выбору мощностей
Мотор-редуктор KR873 - полный аналог мотор-редукторов SK9082.1 , SK9082.1 VF , SK9082.1 AZ (Nord (Германия), можно рассматривать как технический аналог мотор-редукторов марок B163 (от Motovario (Италия)) , МВН180 (Siti (Италия) A 904 (производства Bonfiglioli (Италия)).
Редуктор КТ873 можно рассматривать как аналогичный (приближенным по крепежным размерам) редукторам ВН180, ВН200 (произведенных под маркой Siti (Италия)) и технический аналог редукторам КЦ1-500 , КЦ2-250Н (производства "Зарем").
Если вы хотите купить конические редукторы KR873 , вы можете:
Позвонить:
Российская Федерация
+7 (495) 369-04-89
+7 (910) 726-725-4 (МТС) Смоленск
info@tech-privod.com
Республика Беларусь
+375 17 272-04-08 (т/ф) Минск
+375 29 61-787-61 (A1) Минск
+7 (495) 369-04-89
+7 (910) 726-725-4 (МТС) Смоленск
info@tech-privod.com
Республика Беларусь
+375 17 272-04-08 (т/ф) Минск
+375 29 61-787-61 (A1) Минск
