Конические редукторы KR473 70 об/мин … 200 об/мин
70 об/мин … 200 об/мин
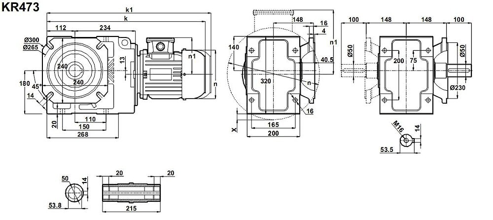
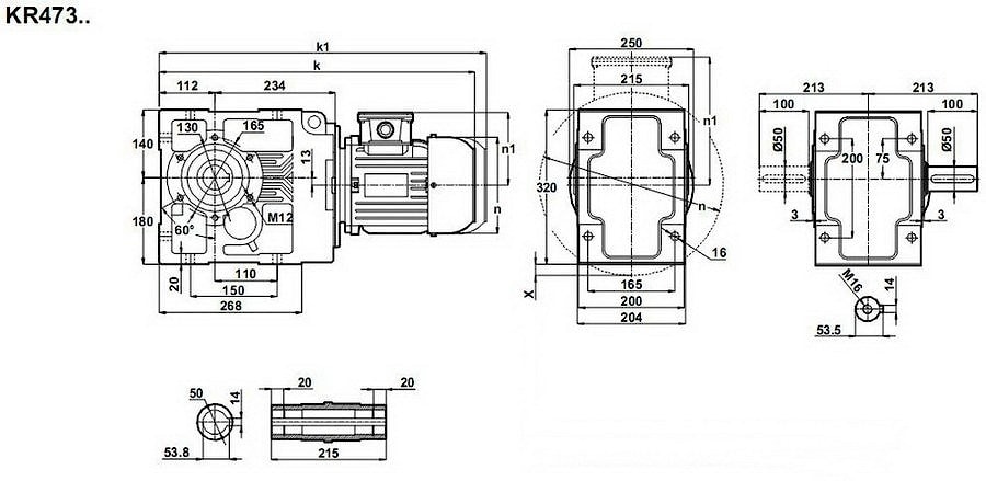
Понижающий редуктор коническо-цилиндрического типа KR473-160M/4 - мощное средство для доведения к приводному валу - крутящего момента 500 - 1700 ньютонов/метр от асинхронного электрического двигателя номинальной мощностью - 11 кВт или 15НР.Номинальные передаточные отношения: 6 к 1, 7,5 к 1 , 9 к 1 , 10 к 1 , 12 к 1 , 14 к 1 , 15 к 1 , 17,5 к 1 , 20 к 1 , 23 к 1 .
Мотор редуктор может быть адаптирован под Ваши посадочные размеры, предлагается множество полезных и разнообразных крепежных опций: выходные фланцы, полые валы разных диаметров, реактивные рычаги и др.
Условное обозначение
Каталог K-series
| Обороты на выходном валу | Крутящий момент на выходном валу | Передаточное число | Радиальные нагрузки на выходной вал | Сервис фактор | Тип редуктора | Масса |
| n2 (об/мин-1) | M2 (Нм) | i | Fr (Н) | fs | m (кг) | |
| 60 | 1740 | 23,19 | 13455 | 0,9 | KR473-160M/4 | 198 |
| 70 | 1506 | 20,07 | 16593 | 1,0 | ||
| 80 | 1313 | 17,49 | 18444 | 1,1 | ||
| 91 | 1150 | 15,33 | 18288 | 1,2 | ||
| 102 | 1029 | 13,71 | 16696 | 1,0 | ||
| 118 | 890 | 11,87 | 16595 | 1,1 | ||
| 135 | 776 | 10,34 | 16426 | 1,2 | ||
| 154 | 680 | 9,06 | 16210 | 1,3 | ||
| 187 | 562 | 7,48 | 15821 | 1,5 | ||
| 225 | 466 | 6,21 | 15377 | 1,8 |

Вернуться к выбору мощностей
Мотор-редуктор KR473 - полный аналог мотор-редуктора B103 (от Motovario (Италия)) КТМ53 (Tos-Znojmo (Чехия) МВН100 (Siti (Италия) мотор-редукторов SK9032.1 , SK9032.1 VF , SK9032/1 AZ (NORD (Германия), можно рассматривать как технический аналог мотор-редукторов марок RMI150, RMI150FL , WMI150 (выпускаемых STM (Италия) , MRT150A , MRT150A-FT , MRT150-FF (производство Tos Znojmo (Чехия) , MI150 и MI150-F (произведенных Siti (Италия), MRS150 , MRT150 , SRS150 , SRT150 , 7МЧ-М-150 (производства Varvel (Италия)/Приводная техника (Россия)), мотор-редукторов VF150, А502 и А503 (Bonfiglioli (Италия)).
Редуктор КТ473 можно использовать как технический аналог редуктору КЦ1-250 (российского производства) , привода ВН100 ( произведенных под маркой Siti (Италия)).
Если вы хотите купить конические редукторы KR473 , вы можете:
Позвонить:
Российская Федерация
+7 (495) 369-04-89
+7 (910) 726-725-4 (МТС) Смоленск
info@tech-privod.com
Республика Беларусь
+375 17 272-04-08 (т/ф) Минск
+375 29 61-787-61 (A1) Минск
+7 (495) 369-04-89
+7 (910) 726-725-4 (МТС) Смоленск
info@tech-privod.com
Республика Беларусь
+375 17 272-04-08 (т/ф) Минск
+375 29 61-787-61 (A1) Минск
