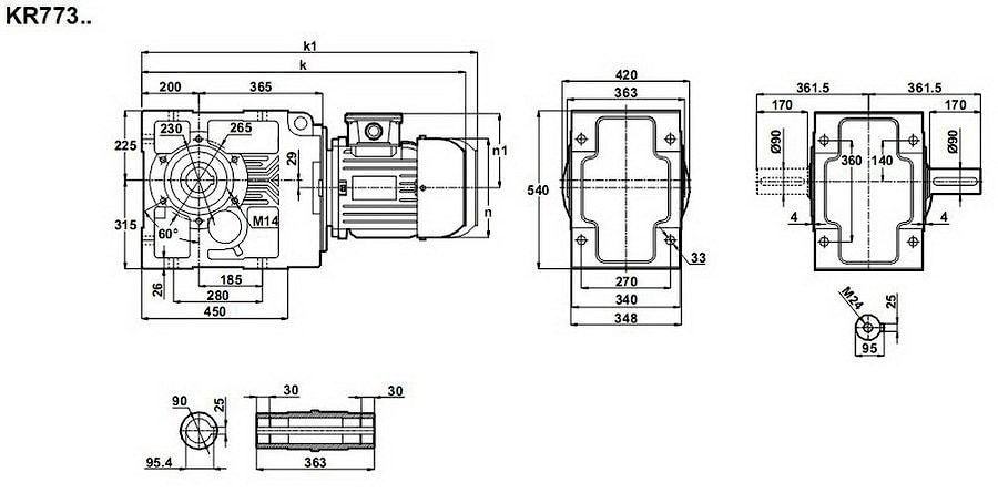
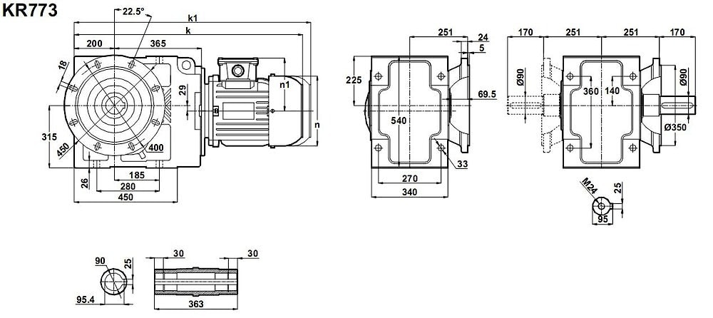
Конические редукторы KR773 15 об/мин... 40 об/мин
15 об/мин... 40 об/мин
Коническо-цилиндрический мотор-редуктор марок KR773-160M/4 и KR773-160L/6 - это электромеханический приводной трансмиссионный узел, функционирующий от электродвигателя в 11 KW (а это 11/1500 и 11/1000, допускается применение 11/3000 и 11/750), расчетная эффективная скорость выходного вала 10 - 41 оборотов в минуту, вращательный момент, создаваемый на конце выходного вала редуктора 3000 Nm - 8000 Nm.Допустимые радиально-осевые нагрузки на исполнительные валы - 60000N.
Условное обозначение
Каталог K-series
| Обороты на выходном валу | Крутящий момент на выходном валу | Передаточное число | Радиальные нагрузки на выходной вал | Сервис фактор | Тип редуктора | Масса |
| n2 (об/мин-1) | M2 (Нм) | i | Fr (Н) | fs | m (кг) | |
| 10 | 10338 | 88,57 | 55644 | 0,8 | KR773-160L/6 | 539 |
| 12 | 8940 | 76,59 | 63887 | 0,9 | ||
| 13 | 8376 | 111,63 | 66760 | 1,0 | KR773-160M/4 | 507 |
| 14 | 7429 | 99,00 | 67186 | 1,1 | ||
| 16 | 6646 | 88,57 | 66675 | 1,2 | ||
| 18 | 5747 | 76,59 | 65770 | 1,4 | ||
| 21 | 4976 | 66,32 | 64651 | 1,6 | ||
| 24 | 4352 | 58,00 | 63452 | 1,8 | ||
| 27 | 3837 | 51,13 | 62212 | 2,1 | ||
| 31 | 3404 | 45,36 | 60954 | 2,4 | ||
| 35 | 3035 | 40,44 | 59692 | 2,6 | ||
| 36 | 2926 | 39,00 | 59282 | 2,7 | ||
| 41 | 2535 | 33,78 | 57626 | 3,2 |


Вернуться к выбору мощностей
Мотор-редуктор KR773 - полный аналог мотор-редуктора B153 (от Motovario (Италия)) , МВН160 (Siti (Италия) мотор-редукторов SK9062.1 , SK9062.1 VF , SK9062.1 AZ (Nord (Германия), можно рассматривать как технический аналог мотор-редукторов марок ТС225В , TF225В ТС200В , TF200В (марки от Tramec (Италия)) VF250 , A803 (производства Bonfiglioli (Италия)). Редуктор КТ773 можно рассматривать как аналогичный редукторам КЦ1-400 , КЦ2-750 (российского производства), редуктора ТА200В, ТА225В (производимого Tramec (Италия)), технический аналог редукторам ВН160 (произведенных под маркой Siti (Италия)) и технический аналог редукторам КЦ2-200Н (производителя "Зарем").
Если вы хотите купить конические редукторы KR773 , вы можете:
Позвонить:
Российская Федерация
+7 (495) 369-04-89
+7 (910) 726-725-4 (МТС) Смоленск
info@tech-privod.com
Республика Беларусь
+375 17 272-04-08 (т/ф) Минск
+375 29 61-787-61 (A1) Минск
+7 (495) 369-04-89
+7 (910) 726-725-4 (МТС) Смоленск
info@tech-privod.com
Республика Беларусь
+375 17 272-04-08 (т/ф) Минск
+375 29 61-787-61 (A1) Минск
