Конические редукторы KR873 8,0 об/мин... 20 об/мин
8,0 об/мин... 20 об/мин

Передаточные отношения предлагаемой трансмиссии: 60 /1, 70 /1, 80/1, 90/1 , 100/1, 115/1.
Уровень передаваемых вращающих моментов: 5000 - 11000 Nm.
Радиальные нагрузки на выходные валы: 120000 N.
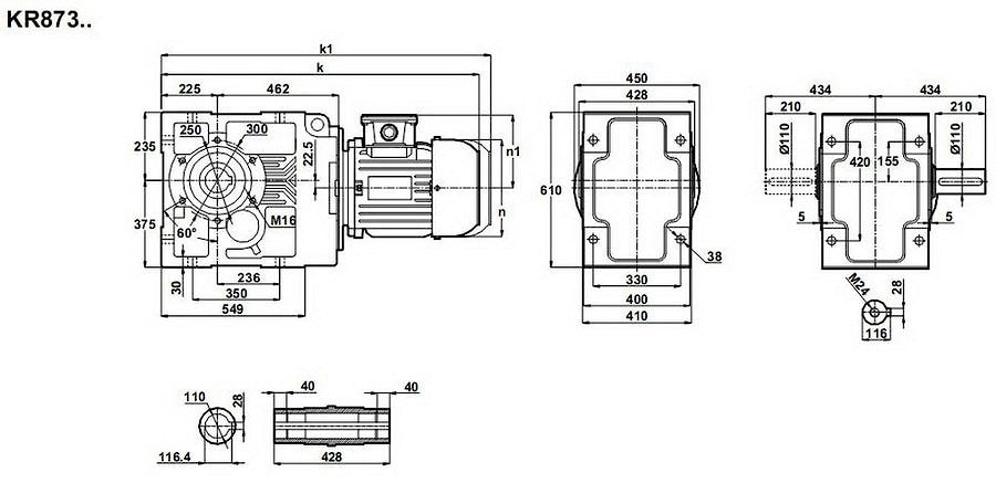
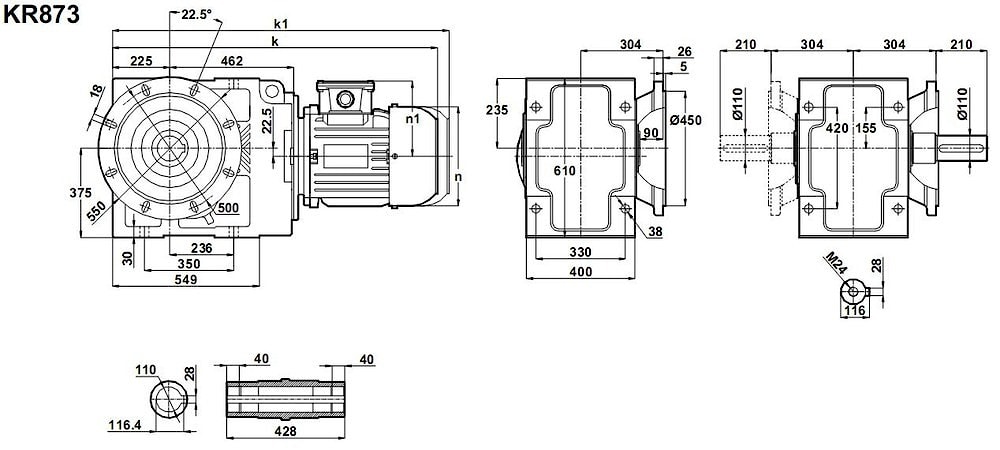
Условное обозначение
Каталог K-series
Обороты на выходном валу | Крутящий момент на выходном валу | Передаточное число | Радиальные нагрузки на выходной вал | Сервис фактор | Тип редуктора | Масса |
n2 (об/мин-1) | M2 (Нм) | i | Fr (Н) | fs | m (кг) | |
7,8 | 12714 | 115,87 | 108768 | 1,2 | KR873-160L/6 | 668 |
8,7 | 11327 | 103,24 | 113359 | 1,3 | ||
10 | 10182 | 92,80 | 117012 | 1,5 | ||
11 | 8894 | 81,06 | 120631 | 1,7 | ||
12 | 8173 | 115,87 | 122524 | 1,8 | KR873-160M/4 | 635 |
14 | 7282 | 103,24 | 124733 | 2,1 | ||
15 | 6545 | 92,80 | 126452 | 2,3 | ||
17 | 5718 | 81,06 | 125726 | 2,6 | ||
20 | 4991 | 70,76 | 122013 | 3,0 | ||
22 | 4403 | 62,42 | 118570 | 3,4 |


Вернуться к выбору мощностей
Мотор-редуктор KR873 - полный аналог мотор-редукторов SK9082.1 , SK9082.1 VF , SK9082.1 AZ (Nord (Германия), можно рассматривать как технический аналог мотор-редукторов марок B163 (от Motovario (Италия)) , МВН180 (Siti (Италия) A 904 (производства Bonfiglioli (Италия)).
Редуктор КТ873 можно рассматривать как аналогичный (приближенным по крепежным размерам) редукторам ВН180, ВН200 (произведенных под маркой Siti (Италия)) и технический аналог редукторам КЦ1-500 , КЦ2-250Н (производства "Зарем").
Если вы хотите купить конические редукторы KR873 , вы можете:
Позвонить:
Российская Федерация
+7 (495) 369-04-89
+7 (910) 726-725-4 (МТС) Смоленск
info@tech-privod.com
Республика Беларусь
+375 17 272-04-08 (т/ф) Минск
+375 29 61-787-61 (A1) Минск
+7 (495) 369-04-89
+7 (910) 726-725-4 (МТС) Смоленск
info@tech-privod.com
Республика Беларусь
+375 17 272-04-08 (т/ф) Минск
+375 29 61-787-61 (A1) Минск