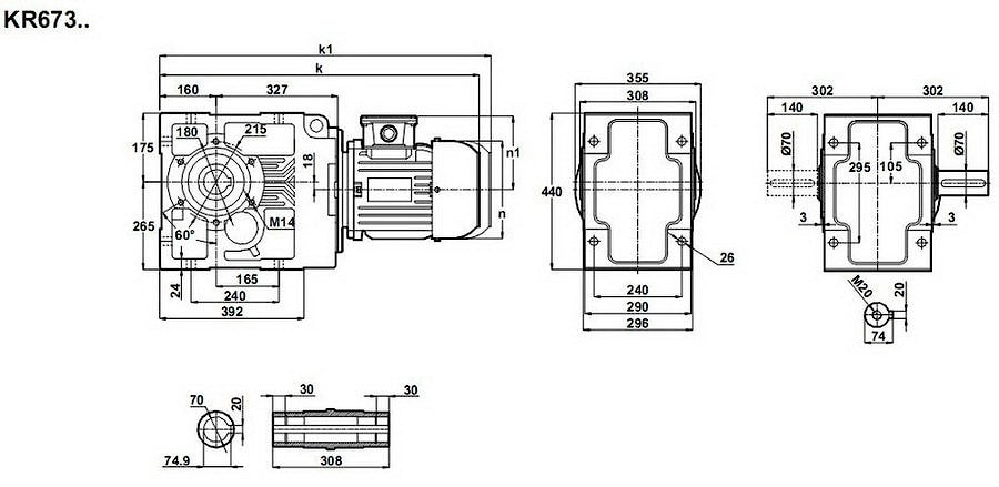
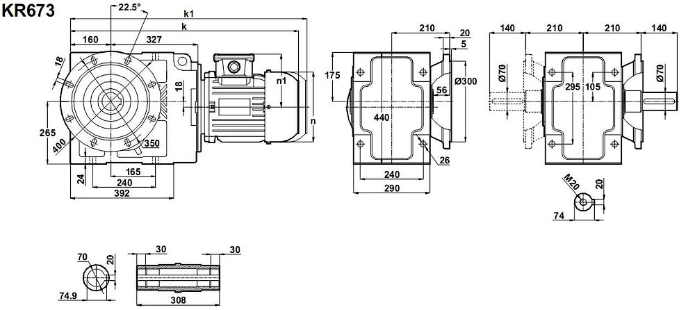
Конические редукторы KR673 30 об/мин... 75 об/мин
30 об/мин... 75 об/мин
Мощный, всесильный много функциолнальный промышленного назначения коническо-цилиндрическмй мотор-редуктор KR673-160M/4, с электро энергетической установкой эквивалентной мощности в 11KW.Рациональнее всего, для такой мощности входные обороты редуктора снижаются до скоростей выходного вала от 20 об/мин до 75-ти об/мин.
Крутящие моменты - 1400 - 4000 Нм.
Радиальные и аксиальные нагрузки на выходной вал мотор-редуктора удерживается в пределах - 36 000 Н.
Условное обозначение
Каталог K-series
| Обороты на выходном валу | Крутящий момент на выходном валу | Передаточное число | Радиальные нагрузки на выходной вал | Сервис фактор | Тип редуктора | Масса |
| n2 (об/мин-1) | M2 (Нм) | i | Fr (Н) | fs | m (кг) | |
| 20 | 5138 | 68,47 | 25082 | 0,8 | KR673-160M/4 | 350 |
| 24 | 4417 | 58,86 | 32408 | 1,0 | ||
| 27 | 3833 | 51,08 | 36965 | 1,1 | ||
| 31 | 3351 | 44,65 | 40131 | 1,3 | ||
| 36 | 2946 | 39,26 | 39793 | 1,5 | ||
| 43 | 2452 | 32,68 | 39041 | 1,8 | ||
| 50 | 2108 | 28,1 | 38275 | 2,0 | ||
| 57 | 1830 | 24,38 | 37464 | 2,4 | ||
| 66 | 1599 | 21,32 | 36630 | 2,7 | ||
| 75 | 1406 | 18,74 | 35785 | 3,1 |


Вернуться к выбору мощностей
Мотор-редуктор KR673 - полный аналог мотор-редуктора B143 (от Motovario (Италия)) , МВН140 (Siti (Италия) мотор-редукторов SK9052.1 , SK9052.1 VF , SK9052.1 AZ (Nord (Германия), можно рассматривать как технический аналог мотор-редукторов марок ТС180В , TF180В (марки от Tramec (Италия)) VF210 , A703 (производства Bonfiglioli (Италия)).
Редуктор КТ673 можно рассматривать как аналогичный редуктору КЦ2-500 российского производства , редуктора ТА180В, ТС180В , ТF180В , производимого Tramec (Италия), аналог редуктора RT180A и RТ180A-FF производства Tos-Znojmo (Чехия), технический аналог редукторам ВН140, МВН140, произведенных под маркой Siti (Италия) и технический аналог редукторам КЦ1-300 , КЦ2-160Н производителя "Зарем"
Если вы хотите купить конические редукторы KR673 , вы можете:
Позвонить:
Российская Федерация
+7 (495) 369-04-89
+7 (910) 726-725-4 (МТС) Смоленск
info@tech-privod.com
Республика Беларусь
+375 17 272-04-08 (т/ф) Минск
+375 29 61-787-61 (A1) Минск
+7 (495) 369-04-89
+7 (910) 726-725-4 (МТС) Смоленск
info@tech-privod.com
Республика Беларусь
+375 17 272-04-08 (т/ф) Минск
+375 29 61-787-61 (A1) Минск
