Соосный цилиндрический редуктор MR672 и NR672    270 об/мин ... 400 об/мин
 270 об/мин ... 400 об/мин
 Механический агрегат, задачами которого является снижение входной угловой скорости, получаемой от электромотора мощностью 45кВт, до уровня скорости вращений выходного вала 210 об/мин - 350 об/мин, при этом выделяемая энергия преобразуется в значительный крутящий момент на выходе 1300Nm - 2100Nm, предлагается как мотор редуктор MR672-225M/4, NR672-225M/4.
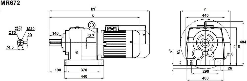
   Механический агрегат, задачами которого является снижение входной угловой скорости, получаемой от электромотора мощностью 45кВт, до уровня скорости вращений выходного вала 210 об/мин - 350 об/мин, при этом выделяемая энергия преобразуется в значительный крутящий момент на выходе 1300Nm - 2100Nm, предлагается как мотор редуктор MR672-225M/4, NR672-225M/4.Привод производится с исполнением на лапах и фланцевом исполнении. Механическая коробка удобна в эксплуатации, посадочные размеры могут быть изготовлены по заранее согласованным размерам. Редукторная часть заправлена заводской смазкой.
Условное обозначение
Каталог M-series
| Обороты на выходном валу | Крутящий момент на выходном валу | Передаточное число | Радиальные нагрузки на выходной вал | Сервис фактор | Тип редуктора | Масса | 
| n2 (об/мин-1) | M2 (Нм) | i | Fr (Н) | fs | m (кг) | |
| 141 | 2964 | 9,96 | 14253 | 0,8 | MR672-225M/4 NR672-225M/4 | 457 462 | 
| 160 | 2609 | 8,76 | 14184 | 0,8 | ||
| 181 | 2303 | 7,75 | 13299 | 0,8 | ||
| 210 | 1983 | 6,66 | 13192 | 0,9 | ||
| 242 | 1723 | 5,78 | 13026 | 0,9 | ||
| 277 | 1508 | 5,05 | 12822 | 1,0 | ||
| 315 | 1327 | 4,44 | 12591 | 1,1 | ||
| 357 | 1172 | 3,92 | 12342 | 1,1 | 
 
 
Вернуться к выбору мощностей
Редуктор MR672 является полным аналогом мотор-редукторов Н122 и Н123 , Н 122 и Н 123 (производства Motovario (Италия) , мотор-редукторов MNHL70/2 и MNHL70/3 , MNHL 70 2 и MNHL 703 , MNHL70 2 и MHL 70 3 (производитель Siti (Италия).
И техническим аналогом мотор-редукторов SK62 , SK63 , SK 62 , SK 63 (производства Nord (Германия) , мотор-редукторов С80 2 Р , С80 3P , С 80 2 Р , С 80 3 P , С 802 Р , С 803 P (от Bonfiglioli (Италия) , мотор-редукторов 3МП100 (110) , 3 МП 100 (120) , 3 МП-100 (130) , 3МП-100 (160) , 3 МП 100 (110) , 3 МП100 (120) , МП-100 (130) , МП100 (160) , 3 МП-100 (140) , МЦ2С-160 (150) и 4МЦ2С-160 (110) , МЦ2С 160 (110) и 4 МЦ2С 160 (120) , МЦ 2С 160 (130) и 4МЦ 2С 160 (160) ( производства украинских и российских заводов) , мотор-редукторов МР1-315 Щ , МР1 315 Щ , МР1-315 Щ , МР 1-315 Щ , МР 1 315-Щ , МР 1-315 Щ , МР2-315 Щ , МР2 315 Щ , МР2-315 Щ , МР 2-315 Щ , МР 2 315-Щ , МР 2-315 Щ (производства Тамбовполимермаш).
Редуктор NR672 является полным аналогом мотор-редукторов C802 F и C803 F , C 802 F и C 803 F , C 80 2 F и C80 3 F (производства Bonfiglioli Италия) , MNHL70/2-F и MNHL70/3-F , MNHL 70 2 F и MNHL 703 F , MNHL70 2-F и MHL 70 3 F (производства Siti (Италия) , HF122 , HF123 , HF 122 , HF 123 (от Motovario , Италия).
И техническим аналогом мотор редукторов SK62F , SK63F , SK 62 F , SK 63 F , SK 62F , SK 63F (произведенных Nord (Германия) , мотор-редукторов 3МП-100 , 3МП100 , 3 МП-100 , 3МП-100М , 3МП100 М, 3 МП-100 М , 3МП-100 , 3МП100 , 3 МП-100 , 4МЦ 2С 160 (310) , 4 МЦ 2С-160 (310) , МЦ 2С160 (330) , МЦ 2С 160 (320) , 4МЦ2С 160 (310) , 4 МЦ2С-160 (330) , 4 МЦ 2С 160 (320) , МЦ 2 С160 (330) (производства российских и украинских заводов ) , мотор редукторов МР1 315 Ф1В , МР 1 315 Ф2 В , МР1 315-Ф1В , МР 1-315 Ф2В , М Р 1 315 Ф1В , МР1 315Ф 2В , МР 1-315 Ф1В , МР 1 315 Ф 2В , МР1-315Ф 1В , МР2 315 Ф1В , МР 2 315 Ф2 В , МР2 315-Ф 1В , МР 2-315 Ф1В , М Р 2 315 Ф2 В , МР2 315-Ф2В , МР 2-315 Ф 1В , МР 2 315-Ф2 В , МР2-315 Ф1-В (производства Тамбовполимермаш).
Если вы хотите купить соосный цилиндрический редуктор MR672 и NR672   , вы можете:
 Позвонить: 
Российская Федерация
+7 (495) 369-04-89
+7 (910) 726-725-4 (МТС) Смоленск
info@tech-privod.com
Республика Беларусь
+375 17 272-04-08 (т/ф) Минск
+375 29 61-787-61 (A1) Минск
+7 (495) 369-04-89
+7 (910) 726-725-4 (МТС) Смоленск
info@tech-privod.com
Республика Беларусь
+375 17 272-04-08 (т/ф) Минск
+375 29 61-787-61 (A1) Минск

 
 
