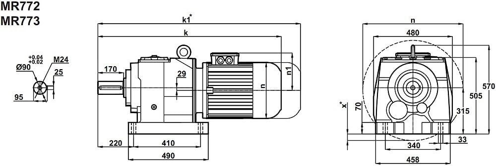
Соосный цилиндрический редуктор MR772 MR773 NR772 NR773 60 об/мин ... 400 об/мин
60 об/мин ... 400 об/мин

Двух- и трех- ступенчатый агрегат выпускается в исполнении на лапах и во фланцевом исполнении.
Эффективные передаточные числа i=3,0 - i=30.
Вращающий момент на выходном валу: до 7500Nm.
Гарантия - 2 года.
Условное обозначение
Каталог M-series
Обороты на выходном валу | Крутящий момент на выходном валу | Передаточное число | Радиальные нагрузки на выходной вал | Сервис фактор | Тип редуктора | Масса |
n2 (об/мин-1) | M2 (Нм) | i | Fr (Н) | fs | m (кг) | |
45 | 9223 | 31,43 | 16043 | 0,8 | MR773-225M/4 NR773-225M/4 | 550 554 |
46 | 8887 | 30,31 | 16318 | 0,8 | ||
53 | 7709 | 26,25 | 17213 | 0,9 | ||
61 | 6718 | 22,85 | 17829 | 1,0 | ||
98 | 4215 | 14,31 | 17193 | 1,4 | ||
109 | 3819 | 12,84 | 18943 | 1,5 | MR772-225M/4 NR772-225M/4 | 547 551 |
123 | 3392 | 11,39 | 18364 | 1,5 | ||
138 | 3027 | 10,15 | 18183 | 1,6 | ||
143 | 2916 | 9,79 | 18115 | 1,6 | ||
165 | 2529 | 8,48 | 17804 | 1,7 | ||
190 | 2203 | 7,38 | 17449 | 1,9 | ||
240 | 1746 | 5,84 | 16760 | 2,1 | ||
270 | 1550 | 5,18 | 16375 | 2,3 | ||
303 | 1384 | 4,62 | 15992 | 2,5 | ||
314 | 1333 | 4,46 | 15868 | 2,5 | ||
363 | 1156 | 3,86 | 15370 | 2,6 | ||
417 | 1007 | 3,06 | 14880 | 2,7 |


Вернуться к выбору мощностей
Редуктор MR772 и MR773 является полным аналогом мотор-редукторов Н142 и Н143 , Н 142 и Н 143 (производства Motovario (Италия) , мотор-редукторов MNHL90/2 и MNHL 90 3 , MNHL90 2 и MNHL 90-3 (производитель Siti (Италия).
И техническим аналогом мотор-редукторов SK72 , SK73 , SK82 , SK83 , SK 72 , SK 73 , SK 82 , SK 83 (производства Nord (Германия) , мотор-редукторов C90 2P , C90 3P , C 90 2P , C 90 3 P , C 902 P , C 903 P (производства Bonfiglioli (Италия) , мотор-редукторов 3МП125 (110) , 3 МП 125 (120) , 3 МП-125 (130) , 3МП-125 (160) , 3 МП 125 (110) , 3 МП125 (120) , МП-125 (130) , МП125 (160) , 3 МП-125 (140) ( производства украинских и российских заводов) , мотор-редукторов МР3-315 Щ , МР3 315 Щ , МР3-315 Щ , МР 3-315 Щ , МР 3 315-Щ , МР 3-315 Щ , МР2-315 Щ , МР2 315 Щ , МР2-315 Щ , МР 2-315 Щ , МР 2 315-Щ , МР 2-315 Щ , МР1-500 Щ , МР1 500 Щ , МР1-500 Щ , МР 1-500 Щ , МР 1 500-Щ , МР 1-500 Щ (производства Тамбовполимермаш).
Редуктор NR772 и NR773 является полным аналогом мотор-редукторов C902 F и C903 F , C 902 F и C 903 F , C 90 2 F и C 90 3 F (производства Bonfiglioli Италия) , MNHL90/2-F и MNHL90/3-F , MNHL90 2-F и MNHL 90 3 F , MNHL 902 F и MNHL 90 3-F (производства Siti (Италия) , HF142 , HF143 , HF 142 , HF 143 , HF 14 2 , HF14 3 (от Motovario , Италия).
И техническим аналогом моторредукторов SK72F , SK73F , SK82F , SK83F , SK 72F , SK 73 F , SK 82F , SK 8 3 F , SK72 F , SK 73 F , SK 82 F , SK 83F (произведенных Nord (Германия) , мотор-редукторов МР3 315 Ф1В , МР 3 315 Ф2В , МР3 315-Ф1В , МР 3-315 Ф 2В , М Р 3 315 Ф1 В , МР3 315Ф1В , МР 3-315 Ф2В , МР 3 315 Ф2В , МР3-315 Ф 1 В , МР2 315 Ф1В , МР 2 315 Ф 2В , МР2 315-Ф1В , МР 2-315 Ф2В , М Р 2 315 Ф1В , МР2 315Ф1 В , МР 2-315 Ф2В , МР 2 315 Ф1В , МР 2-315 Ф2В (производства Тамбовполимермаш) .
Если вы хотите купить соосный цилиндрический редуктор MR772 MR773 NR772 NR773 , вы можете:
Позвонить:
Российская Федерация
+7 (495) 369-04-89
+7 (910) 726-725-4 (МТС) Смоленск
info@tech-privod.com
Республика Беларусь
+375 17 272-04-08 (т/ф) Минск
+375 29 61-787-61 (A1) Минск
+7 (495) 369-04-89
+7 (910) 726-725-4 (МТС) Смоленск
info@tech-privod.com
Республика Беларусь
+375 17 272-04-08 (т/ф) Минск
+375 29 61-787-61 (A1) Минск