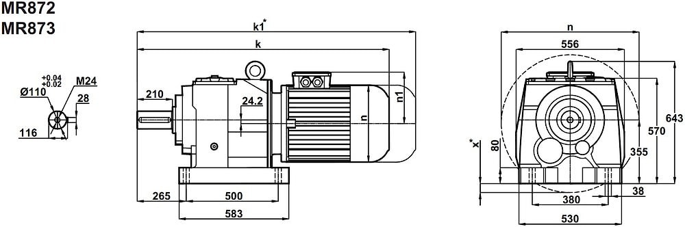
Соосный цилиндрический редуктор MR872, MR873, NR872, NR873 30 об/мин ... 330 об/мин
30 об/мин ... 330 об/мин

Эффективно выбирать для редукторной части передаточные числа в диапазоне i=16 - i=46.
Передаваемый момент к исполнительным механизмам - до 11000Nm. При этом допустимые радиальные нагрузки до 70000N.
Монолитный, прочный корпус редуктора дополнительно оснащен сервисными эксплуатационными пробками, для контроля как качественного состава смазки, так и количественного наполненности привода.
Условное обозначение
Каталог M-series
Обороты на выходном валу | Крутящий момент на выходном валу | Передаточное число | Радиальные нагрузки на выходной вал | Сервис фактор | Тип редуктора | Масса |
n2 (об/мин-1) | M2 (Нм) | i | Fr (Н) | fs | m (кг) | |
30 | 13307 | 46,12 | 61158 | 1,0 | MR873-225М/4 NR873-225M/4 | 784 788 |
35 | 11700 | 40,55 | 71514 | 1,1 | ||
40 | 10176 | 35,27 | 74368 | 1,3 | ||
45 | 8947 | 31,01 | 73867 | 1,5 | ||
50 | 8073 | 27,98 | 73277 | 1,6 | ||
57 | 7035 | 24,38 | 72266 | 1,8 | ||
68 | 5975 | 20,71 | 70797 | 2,2 | ||
77 | 5253 | 18,21 | 69475 | 2,5 | ||
85 | 4740 | 16,43 | 68339 | 2,7 | ||
98 | 4131 | 14,32 | 66719 | 3,1 | ||
105 | 3837 | 13,3 | 68339 | 3,3 | ||
121 | 3344 | 11,59 | 63568 | 3,1 | ||
139 | 2973 | 10,09 | 63407 | 3,1 | MR872-225М/4 NR872-225M/4 | 784 788 |
158 | 2614 | 8,87 | 61574 | 3,5 | ||
181 | 2273 | 7,71 | 58725 | 3,8 | ||
206 | 1999 | 6,78 | 57008 | 4,2 | ||
229 | 1803 | 6,12 | 55638 | 4,5 | ||
263 | 1572 | 5,33 | 53816 | 4,9 | ||
283 | 1460 | 4,95 | 51887 | 5,0 | ||
324 | 1272 | 4,32 | 50219 | 5,5 |


Вернуться к выбору мощностей
Редуктор MR872 и MR873 является аналогом мотор-редукторов MNHL100/2 и MNHL100/3 , MNHL 100 2 и MNHL 100 3 , MNHL100 2 и MHL 100 3(производитель Siti (Италия).
И техническим аналогом мотор-редукторов SK92 , SK93 , SK 92 , SK 93 (производства Nord (Германия) , C100 2P , C100 3P , C 100 2 P , C 100 3P , C 1002 P , C 100 3 P (производства Bonfiglioli (Италия) мотор-редукторов МР3-500 Щ , МР3 500 Щ , МР3-500 Щ , МР 3-500 Щ , МР 3 500-Щ , МР 3-500 Щ , МР2-500 Щ , МР2 500 Щ , МР2-500 Щ , МР 2-500 Щ , МР 2 500-Щ , МР 2-500 Щ (производства Тамбовполимермаш).
Редуктор NR872 и NR873 является полным аналогом мотор-редукторов C100 2 F и C100 3 F , C 100 2 F и C 100 3 F , C 1002 F и C 100 3F (производства Bonfiglioli Италия).
И техническим аналогом мотор редукторов SK92F , SK93F , SK 92F , SK 93F , SK 92 F , SK 93 F (произведенных Nord (Германия), мотор-редукторов MNHL100/2-F и MNHL100/3-F , MN HL100 2-F и MNHL 100/3-F , MNHL 100 2 F и MHL 100 3F (производства Siti (Италия) , мотор-редукторов МР3 500 Ф1В , МР 3 500 Ф2В , МР3 500-Ф1В , МР 3-500 Ф 2В , М Р 3 500 Ф1 В , МР3 500Ф1В , МР 3-500 Ф2В , МР 3 500 Ф2В , МР3-500 Ф 1 В , МР2 500 Ф1В , МР 2 500 Ф 2В , МР2 500-Ф1В , МР 2-500 Ф2В , М Р 2 500 Ф1В , МР2 500Ф1 В , МР 2-500 Ф2В , МР 2 500 Ф1В , МР 2-500 Ф2В (производства Тамбовполимермаш).
Если вы хотите купить соосный цилиндрический редуктор MR872, MR873, NR872, NR873 , вы можете:
Позвонить:
Российская Федерация
+7 (495) 369-04-89
+7 (910) 726-725-4 (МТС) Смоленск
info@tech-privod.com
Республика Беларусь
+375 17 272-04-08 (т/ф) Минск
+375 29 61-787-61 (A1) Минск
+7 (495) 369-04-89
+7 (910) 726-725-4 (МТС) Смоленск
info@tech-privod.com
Республика Беларусь
+375 17 272-04-08 (т/ф) Минск
+375 29 61-787-61 (A1) Минск