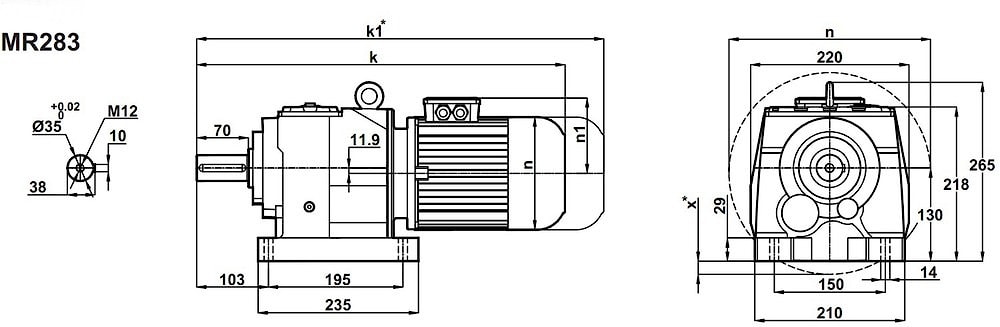
Соосный цилиндрический редуктор MR283, NR283 Номинальная мощность - 0,55 кВт Выходные обороты: 10 об/мин ... 25 об/мин
Номинальная мощность - 0,55 кВт
Выходные обороты: 10 об/мин ... 25 об/мин
Соосно-цилиндрический мотор-редуктор MR283-71/6a (исполнение на лапах) NR283-71/6a (фланцевое исполнение) - цилиндрические зубчатые передачи, приводимые в движение от электропривода с номинальной мощностью 0,55кВт, компактно располагаются в чугунном высокопрочном корпусе моноблочного типа. Оптимальные выходные обороты для данного габарита 10 об/мин ~ 25 об/мин ( при условии минимальных требований к сервис-фактору).
Редуктор отлично зарекомендовал себя в критичных условиях эксплуатации: прерывистость и кратковременность работ, частотное регулирование редукторного механизма.
Гарантийные обязательства - 24 месяца.
Сервис-фактор (fs)
Монтажные расположения
Комбинированное исполнение (лапы, фланец)
Применяемые типы масел
Условное обозначение
Каталог M-series
| Обороты на выходном валу | Крутящий момент на выходном валу | Передаточное число | Радиальные нагрузки на выходной вал | Сервис фактор | Тип редуктора | Масса |
| n2 (об/мин-1) | M2 (Нм) | i | Fr (Н) | fs | m (кг) | |
| 10 | 484 | 137,91 | 8785 | 1,2 | MR283-80/4a NR283-80/4a | 43 46 |
| 12 | 401 | 114,14 | 10125 | 1,5 | ||
| 14 | 343 | 97,62 | 10919 | 1,7 | ||
| 16 | 301 | 85,60 | 10785 | 2,0 | ||
| 18 | 267 | 75,68 | 10314 | 2,3 | ||
| 22 | 225 | 63,65 | 9690 | 2,7 | ||
| 26 | 191 | 54,12 | 9142 | 3,1 |
Вернуться к выбору мощностей
Соосно-цилиндрический мотор-редуктор MR283 и NR283 можно рассматривать как: полный аналог соосно-цилиндрических мотор-редукторов таких брэндов , как Varvel (Италия) , Motovario (Италия) , STM (Италия) , Transtecno (Италия) , Siti (Италия) , Tos Znojmo (Чехия) , Sew Eurodrive (Германия) , KEB (Германия) , PGR (Турция) и других .
Соосно-цилиндрический мотор-редуктор MR283 и NR283 можно рассматривать как: технический аналог червячных редукторов таких брэндов , как Bonfiglioli (Италия) , Innovari/Hydromec (Италия) , Watt Drive (Австрия) , Nord Getriebebau DriveSystems (Германия) , Bauer Gearmotors (Германия) , Lenze (Германия) .
Если вы хотите купить соосный цилиндрический редуктор MR283, NR283 , вы можете:
Позвонить:
Российская Федерация
+7 (495) 369-04-89
+7 (910) 726-725-4 (МТС) Смоленск
info@tech-privod.com
Республика Беларусь
+375 17 272-04-08 (т/ф) Минск
+375 29 61-787-61 (A1) Минск
+7 (495) 369-04-89
+7 (910) 726-725-4 (МТС) Смоленск
info@tech-privod.com
Республика Беларусь
+375 17 272-04-08 (т/ф) Минск
+375 29 61-787-61 (A1) Минск
