Соосный цилиндрический редуктор MR373, NR373 Номинальная мощность - 0,55 кВт Выходные обороты: 9,0 об/мин ... 20 об/мин
Номинальная мощность - 0,55 кВт
Выходные обороты: 9,0 об/мин ... 20 об/мин
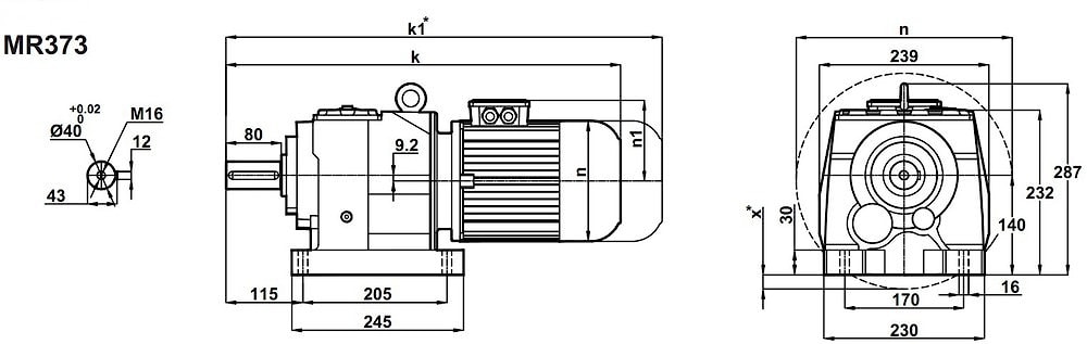
Соосный цилиндрический мотор-редуктор MR373-80/4a (исполнение на лапах)NR373-80/4a (исполнение на фланце) призван для решения задач по трансмиссионной передаче крутящего момента до 820 Нм на выходном валу, от электрического двигателя мощностью 0,55кВт, с параллельным снижением скорости вращения приводного вала до 9,0 ~ 20 об/мин (эти обороты следует выбирать только после предварительной корректировки этих значений необходимым сервис-фактором).
Эксплуатационные преимущества редукторной части заложены на стадии его конструкции: корпус, литой моноблочной структуры, высококачественная технология зубонарезания, доступность проведения сервисных процедур. Редуктор заправлен маслом.
Гарантийные обязательства - 24 месяца
Сервис-фактор (fs)
Монтажные расположения
Комбинированное исполнение (лапы, фланец)
Применяемые типы масел
Условное обозначение
Каталог M-series
| Обороты на выходном валу | Крутящий момент на выходном валу | Передаточное число | Радиальные нагрузки на выходной вал | Сервис фактор | Тип редуктора | Масса |
| n2 (об/мин-1) | M2 (Нм) | i | Fr (Н) | fs | m (кг) | |
| 8,9 | 553 | 157,76 | 13355 | 1,5 | MR373-80/4a NR373-80/4a | 63 67 |
| 10 | 487 | 138,72 | 12952 | 1,7 | ||
| 13 | 392 | 111,67 | 12269 | 2,1 | ||
| 14 | 344 | 97,92 | 11857 | 2,4 | ||
| 16 | 305 | 86,57 | 11474 | 2,7 | ||
| 19 | 257 | 72,81 | 10944 | 3,2 | ||
| 23 | 218 | 61,91 | 10458 | 3,8 |
Вернуться к выбору мощностей
Соосно-цилиндрический мотор-редуктор MR373 и NR373 можно рассматривать как: полный аналог соосно-цилиндрических мотор-редукторов таких брэндов , как Varvel (Италия) , Motovario (Италия) , STM (Италия) , Transtecno (Италия) , Siti (Италия) , Tos Znojmo (Чехия) , Sew Eurodrive (Германия) , KEB (Германия) , PGR (Турция) и других .
Соосно-цилиндрический мотор-редуктор MR373 и NR373 можно рассматривать как: технический аналог червячных редукторов таких брэндов , как Bonfiglioli (Италия) , Innovari/Hydromec (Италия) , Watt Drive (Австрия) , Nord Getriebebau DriveSystems (Германия) , Bauer Gearmotors (Германия) , Lenze (Германия) .
Если вы хотите купить соосный цилиндрический редуктор MR373, NR373 , вы можете:
Позвонить:
Российская Федерация
+7 (495) 369-04-89
+7 (910) 726-725-4 (МТС) Смоленск
info@tech-privod.com
Республика Беларусь
+375 17 272-04-08 (т/ф) Минск
+375 29 61-787-61 (A1) Минск
+7 (495) 369-04-89
+7 (910) 726-725-4 (МТС) Смоленск
info@tech-privod.com
Республика Беларусь
+375 17 272-04-08 (т/ф) Минск
+375 29 61-787-61 (A1) Минск
