Червячный редуктор EV075 Номинальная мощность - 4,0 кВт Выходные обороты: 140 об/мин ... 180 об/мин
Номинальная мощность - 4,0 кВт
Выходные обороты: 140 об/мин ... 180 об/мин
Червячный мотор-редуктор EV075-112M/4 с подводимой мощностью 4,0 кВт рационально использовать на выходных оборотах от 150 об/мин и выше (для соблюдения нормативного уровня сервис-фактора).Передаваемый крутящий момент - 150Nm.
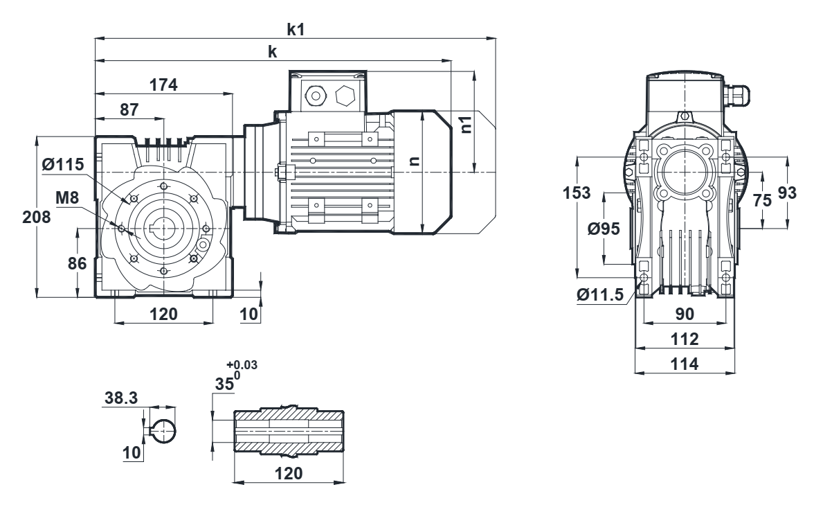
Квадратичный корпус изготовлен из сплавов алюминия, ребра жесткости имеют специальную направленность, изготовленную для улучшения теплоотводящих потоков воздуха. Предлагается множество вариантов расположения привода в пространстве. Дополнительно, к редуктору поставляется широкий ряд крепежно монтажных приспособлений (см. дополнения).
Имеются заливные и сливные горловины для оперативного контроля им смены трансмиссионных масел редуктора.
Сервис-фактор (fs)
Монтажные исполнения
Исполнение с реактивной штангой
Специальные диаметры валов
Выходные фланцы
Условное обозначение
Каталог E-series
| Обороты на выходном валу | Крутящий момент на выходном валу | Передаточное число | Радиальные нагрузки на выходной вал | Сервис фактор | Тип редуктора | Масса |
| n2 (об/мин-1) | M2 (Нм) | i | Fr (Н) | fs | m (кг) | |
| 93 | 344 | 15 | 3847 | 0,6 | EV075-112M/4 | 39 |
| 140 | 240 | 10 | 3210 | 0,8 | ||
| 187 | 182 | 7,5 | 3405 | 1,0 |
Вернуться к выбору мощностей
Червячный мотор-редуктор EV075 - можно рассматривать как: полный аналог червячных редукторов брэндов Motovario (Италия) , Transtecno (Италия) , Innovari (Италия) , Siti (Италия) , STM Spa (Италия) , PGR (Турция) , Tramec (Италия), а также моделей NMRV и RV (многочисленных китайских производителей).
Червячный мотор-редуктор EV075 - можно рассматривать как: технический аналог червячных редукторов таких брэндов , как Bonfiglioli (Италия) , Watt drive (Австрия) , Varvel (Италия) , Nord Getriebebau DriveSystems (Германия) , Sew Eurodrive (Германия) , Bauer Gearmotors (Германия) , Tos-Znojmo (Чехия) .
Червячный редуктор ET075 можно рассматривать как технический аналог: червячных редукторов (производства российских и украинских заводов), червячных редукторов NRV (производства многочисленных китайских производителей).
Если вы хотите купить червячный редуктор EV075 , вы можете:
Позвонить:
Российская Федерация
+7 (495) 369-04-89
+7 (910) 726-725-4 (МТС) Смоленск
info@tech-privod.com
Республика Беларусь
+375 17 272-04-08 (т/ф) Минск
+375 29 61-787-61 (A1) Минск
+7 (495) 369-04-89
+7 (910) 726-725-4 (МТС) Смоленск
info@tech-privod.com
Республика Беларусь
+375 17 272-04-08 (т/ф) Минск
+375 29 61-787-61 (A1) Минск
