Червячный редуктор EV100 Номинальная мощность - 4,0 кВт Выходные обороты: 70 об/мин ... 180 об/мин
Номинальная мощность - 4,0 кВт
Выходные обороты: 70 об/мин ... 180 об/мин

Наиболее рациональные передаточные числа от i=7,5 ... i=20. Номинальный крутящий момент привода до 500 Нм.
Компактность, плавная и тихоходная работа - главные достоинства этого редуктора. Для того что продлить период эксплуатации на корпусных деталях трансмиссионного механизма предусмотрены поперечные ребра жесткости, которые обеспечивают доступ охлаждающим потокам воздуха.
Предусмотрены технологические пробки для своевременной контроля и смены трансмиссионной смазки.
Сервис-фактор (fs)
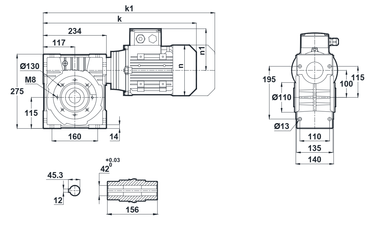
Монтажные исполнения
Исполнение с реактивной штангой
Специальные диаметры валов
Выходные фланцы
Условное обозначение
Каталог E-series
Обороты на выходном валу | Крутящий момент на выходном валу | Передаточное число | Радиальные нагрузки на выходной вал | Сервис фактор | Тип редуктора | Масса |
n2 (об/мин-1) | M2 (Нм) | i | Fr (Н) | fs | m (кг) | |
47 | 622 | 30 | 4260 | 0,8 | EV100-112M/4 | 61,2 |
54 | 589 | 26 | 4620 | 0,9 | ||
70 | 464 | 20 | 4590 | 1,0 | ||
93 | 352 | 15 | 6170 | 1,4 | ||
108 | 312 | 13 | 6030 | 1,2 | ||
140 | 243 | 10 | 5830 | 1,7 | ||
187 | 184 | 7,5 | 5520 | 2,4 |

Вернуться к выбору мощностей
Червячный мотор-редуктор EV100 - можно рассматривать как: полный аналог червячных редукторов брэндов Motovario (Италия) , Transtecno (Италия) , Innovari (Италия) , Siti (Италия) , STM Spa (Италия) , PGR (Турция) , Tramec (Италия), а также моделей NMRV и RV (многочисленных китайских производителей).
Червячный мотор-редуктор EV100 - можно рассматривать как: технический аналог червячных редукторов таких брэндов , как Bonfiglioli (Италия) , Watt drive (Австрия) , Varvel (Италия) , Nord Getriebebau DriveSystems (Германия) , Sew Eurodrive (Германия) , Bauer Gearmotors (Германия) , Tos-Znojmo (Чехия) .
Червячный редуктор ET100 можно рассматривать как технический аналог: червячных редукторов (производства российских и украинских заводов), червячных редукторов NRV (производства многочисленных китайских производителей).
Если вы хотите купить червячный редуктор EV100 , вы можете:
Позвонить:
Российская Федерация
+7 (495) 369-04-89
+7 (910) 726-725-4 (МТС) Смоленск
info@tech-privod.com
Республика Беларусь
+375 17 272-04-08 (т/ф) Минск
+375 29 61-787-61 (A1) Минск
+7 (495) 369-04-89
+7 (910) 726-725-4 (МТС) Смоленск
info@tech-privod.com
Республика Беларусь
+375 17 272-04-08 (т/ф) Минск
+375 29 61-787-61 (A1) Минск