Мини мотор редуктор 6GU150 ... 300 и 6GH150 ... 300 (250 Ватт) Номинальная мощность - 0,25 кВт Выходные обороты: 5,0 об/мин ... 10 об/мин
Номинальная мощность - 0,25 кВт
Выходные обороты: 5,0 об/мин ... 10 об/мин
Стандартная модель редуктора 6GU150 ~ 300 и износостойкая модель редуктора 6GH150 ~ 300 (250 Ватт) в совокупности с простейшим электродвигателем 6IK250W, мощностью 0,25 Ватт представляют собой мини мотор редуктор с выходными оборотами от 5 об/мин до 10 об/мин. Напряжение электродвигателя 1Ф - 110 В, 1Ф - 220 В, 3Ф - 220 В и 3Ф - 380 В. Причем для пуска однофазных модификаций на 110 В используется конденсатор емкостью - 48 мкФ, на 220 В - 12 мкФ, для моделей с устройством магнитного торможения используемые конденсаторы соответственно 50 и 14 мкФ. Все электрические параметры используемых электродвигателей в предлагаемом приводе можно увидеть здесь.
Схема подключения
Опции
Условное обозначение
| Модель мотор-редуктора | Выходные обороты | Передаточное число | Крутящий момент | Масса | |||
| мотор | редуктор | вал | n2 (об/мин) | i | M2 (Нм) | m (кг) | |
| 6IK250W-GU(GH) 6IK250W-GU(GH)-M | 6GU(GH)120K | 15, 18 | - | 12.5 | 120 | 72 | Стандарт – 7.9 Износостойкий – 7.9 С тормозом – 8.6 (8.6) |
| 6GU(GH)150K | 15, 18 | - | 10 | 150 | 77 | ||
| 6GU(GH)180K | 15, 18 | - | 8.3 | 180 | 84 | ||
| 6GU(GH)200K | 15, 18 | - | 7.5 | 200 | 88 | ||
| 6GU(GH)250K | 15, 18 | - | 6.0 | 250 | 90 | ||
| 6GU(GH)300K | 15, 18 | - | 5.0 | 300 | 90 | ||
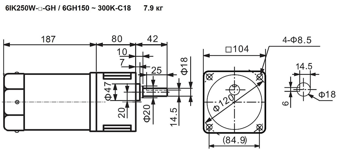
| Износостойкая модель GH |
|
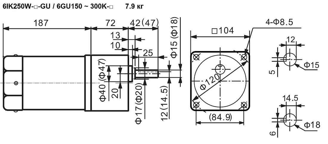
| Стандартная модель GU |
|
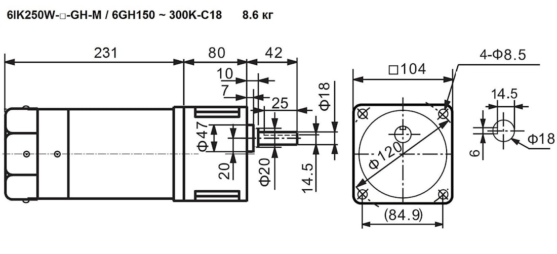
| Модель с электромагнитным тормозом GH |
|
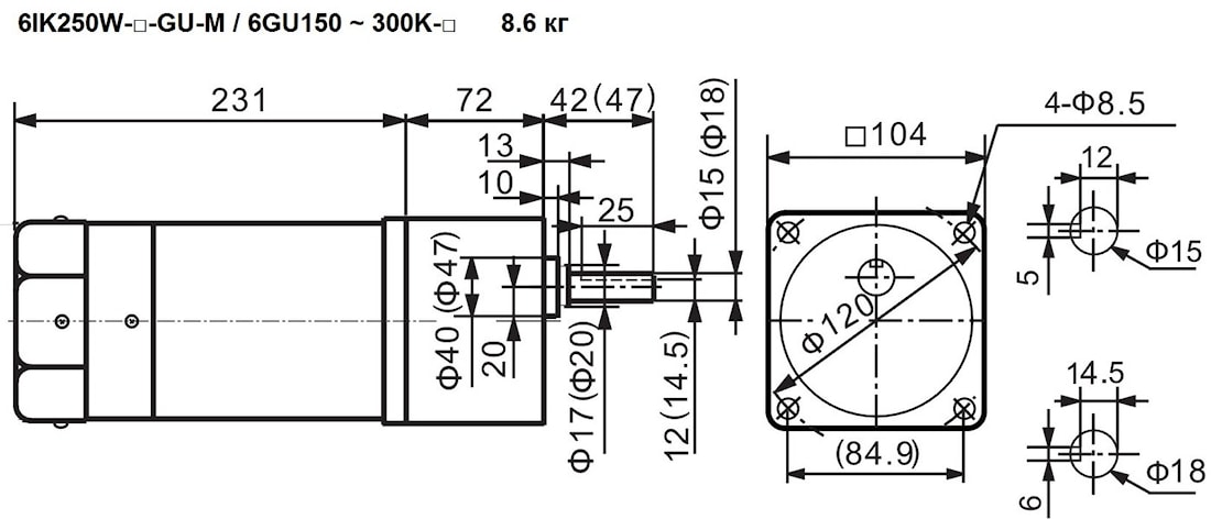
| Модель с электромагнитным тормозом GU |
|
Если вы хотите купить мини мотор редуктор 6GU150 ... 300 и 6GH150 ... 300 (250 Ватт) , вы можете:
Позвонить:
Российская Федерация
+7 (495) 369-04-89
+7 (910) 726-725-4 (МТС) Смоленск
info@tech-privod.com
Республика Беларусь
+375 17 272-04-08 (т/ф) Минск
+375 29 61-787-61 (A1) Минск
+7 (495) 369-04-89
+7 (910) 726-725-4 (МТС) Смоленск
info@tech-privod.com
Республика Беларусь
+375 17 272-04-08 (т/ф) Минск
+375 29 61-787-61 (A1) Минск




