Мини мотор редуктор 6GU18 ... 50 (250 Ватт)    Номинальная мощность - 0,25 кВт  Выходные обороты: 30 об/мин ... 83 об/мин
 Номинальная мощность - 0,25 кВт 
 Выходные обороты: 30 об/мин ... 83 об/мин
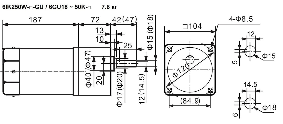
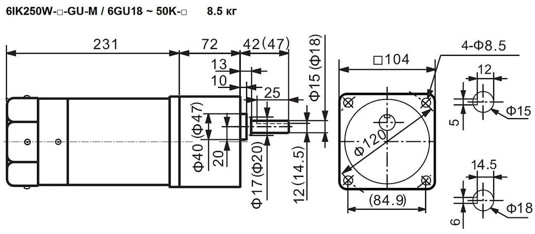
 Мини мотор редуктор 6IK250W-GU-(М) / 6GU18 ... 50K-C15(C18) (250 Ватт) представляет собой электродвигатель переменного тока, номинальной мощности - 0,25 кВт, и квадратичная цилиндрическая зубчатая передача со следующими предлагаемыми отношениями: i=18, i=20, i=25, i=30, i=36, i=40, i=50.
 Мини мотор редуктор 6IK250W-GU-(М) / 6GU18 ... 50K-C15(C18) (250 Ватт) представляет собой электродвигатель переменного тока, номинальной мощности - 0,25 кВт, и квадратичная цилиндрическая зубчатая передача со следующими предлагаемыми отношениями: i=18, i=20, i=25, i=30, i=36, i=40, i=50.Номинальный крутящий момент 44 Нм.
Допустимые радиальные нагрузки на выходной вал - 1000 Н.
Аксиальные нагрузки на исполнительный вал - 300 Н.
Эффективность привода - 74%.
Электрические параметры устанавливаемых электродвигателей можно изучить по ссылке.
Схема подключения
Опции
Условное обозначение
| Модель мотор-редуктора | Выходные обороты | Передаточное число | Крутящий момент | Масса | |||
| мотор | редуктор | вал | n2 (об/мин) | i | M2 (Нм) | m (кг) | |
|  |  | ||||||
| 6IK250W-GU 6IK250W-GU-M | 6GU18K | 15, 18 | - | 83 | 18 | 26 | Стандарт – 7.8 С тормозом – 8.5 | 
| 6GU20K | 15, 18 | - | 75 | 20 | 29 | ||
| 6GU25K | 15, 18 | - | 60 | 25 | 36 | ||
| 6GU30K | 15, 18 | - | 50 | 30 | 43 | ||
| 6GU36K | 15, 18 | - | 41 | 36 | 44 | ||
| 6GU40K | 15, 18 | - | 37 | 40 | 44 | ||
| 6GU50K | 15, 18 | - | 30 | 50 | 44 | ||
| Стандартная модель | 
|   | 
| Модель с электромагнитным тормозом | 
|   | 
Если вы хотите купить мини мотор редуктор 6GU18 ... 50 (250 Ватт)   , вы можете:
 Позвонить: 
Российская Федерация
+7 (495) 369-04-89
+7 (910) 726-725-4 (МТС) Смоленск
info@tech-privod.com
Республика Беларусь
+375 17 272-04-08 (т/ф) Минск
+375 29 61-787-61 (A1) Минск
+7 (495) 369-04-89
+7 (910) 726-725-4 (МТС) Смоленск
info@tech-privod.com
Республика Беларусь
+375 17 272-04-08 (т/ф) Минск
+375 29 61-787-61 (A1) Минск

 
 
 
 
 
 
 
