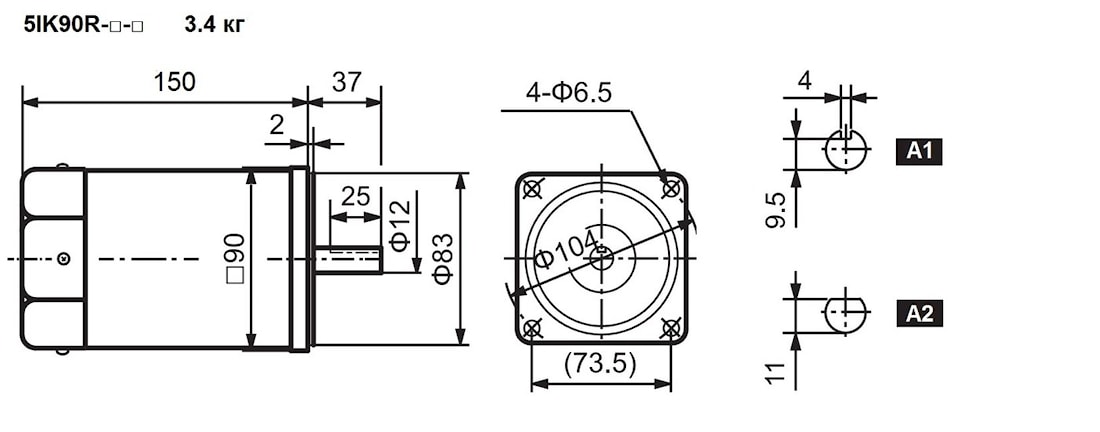
Мини электропривод 5IK90R (90 Ватт) с регулируемой скоростью Номинальная мощность - 0,09 кВт Выходные обороты: 0,6 об/мин ~ 1400 об/мин
Номинальная мощность - 0,09 кВт
Выходные обороты: 0,6 об/мин ~ 1400 об/мин
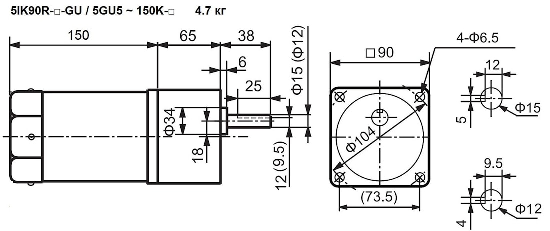
Регулируемый привод с подводимой мощностью – 90 Вт выпускается под маркировкой 5IK90R-C1 и 5IK90R-C2.Пусковой момент электропривода составляет - 0,48 Нм, потребляемые токи 1,38 А и 0,68 А соответственно. Для снижения диапазона регулирования применяется редукторная часть 5GU c различными передаточными числами от i=3 ... до i=150. Однако базовыми из них являются: i=5, i=15, i=50, i=75, i=150.
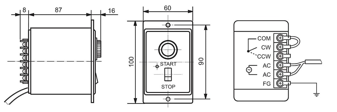
Плавная бесступенчатая регулировка выходных оборотов производится контроллером скорости, который является неотъемлемой частью в предлагаемом регулируемом мини электроприводе. Крутящие моменты в крайних точках диапазона показаны в таблицах ниже. Значения радиальных и осевых нагрузок следует уточнять у поставщика.
Обращаем внимание: диапазон выходных скоростей от 90 об/мин до 1400 об/мин используется электродвигатель с регулятором скорости
Для всех других диапазонов используется мотор-редуктор с регулятором скорости (см. таблицу)
Схема подключения
Опции
Условные обозначения
| Модель регулируемого мотор-редуктора | Напряжение | Конденсатор | Рабочий диапазон | Крутящий момент в крайних точках диапазона | Пусковой момент | Масса | |||||
| мотор | редуктор | вал | В | мкФ | n2 (об/мин) | M2 (Нм) | Мстарт (мНм) | M (кг) | |||
| мин | макс | мин | макс | ||||||||
| 5IK90R-C1 | - | A1 | A2 | 110 | 20 | 90 | 1400 | 0.8 | 7.7 | 480 | 3.4 |
| 5IK90R-C2 | - | A1 | A2 | 220 | 5 | 90 | 1400 | 0.8 | 7.7 | 480 | 3.4 |
| 5IK90R-C1-GU | 5GU5K | 12, 15 | - | 110 | 20 | 19 | 280 | 2.5 | 20 | 480 | 4.7 |
| 5IK90R-C2-GU | 5GU5K | 12, 15 | - | 220 | 5 | 19 | 280 | 2.5 | 20 | 480 | 4.7 |
| 5IK90R-C1-GU | 5GU15K | 12, 15 | - | 110 | 20 | 6.0 | 93 | 7.7 | 20 | 480 | 4.7 |
| 5IK90R-C2-GU | 5GU15K | 12, 15 | - | 220 | 5 | 6.0 | 93 | 7.7 | 20 | 480 | 4.7 |
| 5IK90R-C1-GU | 5GU50K | 12, 15 | - | 110 | 20 | 1.8 | 28 | 20 | 25 | 480 | 4.7 |
| 5IK90R-C2-GU | 5GU50K | 12, 15 | - | 220 | 5 | 1.8 | 28 | 20 | 25 | 480 | 4.7 |
| 5IK90R-C1-GU | 5GU75K | 12, 15 | - | 110 | 20 | 1.3 | 19 | 22 | 27 | 480 | 4.7 |
| 5IK90R-C2-GU | 5GU75K | 12, 15 | - | 220 | 5 | 1.3 | 19 | 22 | 27 | 480 | 4.7 |
| 5IK90R-C1-GU | 5GU50K | 12, 15 | - | 110 | 20 | 0.6 | 9.3 | 20 | 29 | 480 | 4.7 |
| 5IK90R-C2-GU | 5GU150K | 12, 15 | - | 220 | 5 | 0.6 | 9.3 | 20 | 29 | 480 | 4.7 |
| Электродвигатель с регулируемой скоростью |
|
| Мотор-редуктор с регулируемой скоростью |
|
| Контроллер скорости |
|
Мини электропривод 5IK90R является полным аналогом мотор-редуктора с потенциометром М590.
Если вы хотите купить мини электропривод 5IK90R (90 Ватт) с регулируемой скоростью , вы можете:
Позвонить:
Российская Федерация
+7 (495) 369-04-89
+7 (910) 726-725-4 (МТС) Смоленск
info@tech-privod.com
Республика Беларусь
+375 17 272-04-08 (т/ф) Минск
+375 29 61-787-61 (A1) Минск
+7 (495) 369-04-89
+7 (910) 726-725-4 (МТС) Смоленск
info@tech-privod.com
Республика Беларусь
+375 17 272-04-08 (т/ф) Минск
+375 29 61-787-61 (A1) Минск



