Мини мотор редуктор 4GN60 ... 300 (25 Ватт) Номинальная мощность - 0,025 кВт Выходные обороты: 5,0 об/мин ... 25 об/мин
Номинальная мощность - 0,025 кВт
Выходные обороты: 5,0 об/мин ... 25 об/мин
Компактный мотор-редуктор 4GN60 ... 300 функционирует совместно с асинхронным электродвигателем номинальной мощностью 0,025 кВт.Выходные обороты на выходном валу: 5,0 об/мин ... 25 об/мин.
Передаваемое усилие: до 8,0 Нм.
Электрические параметры:
1 фаза - 110 В и 220 В, 3 фазы - 220 В и 380 B
Стартовый пусковой ток - 0,17 Nm и 0,42 Nm.
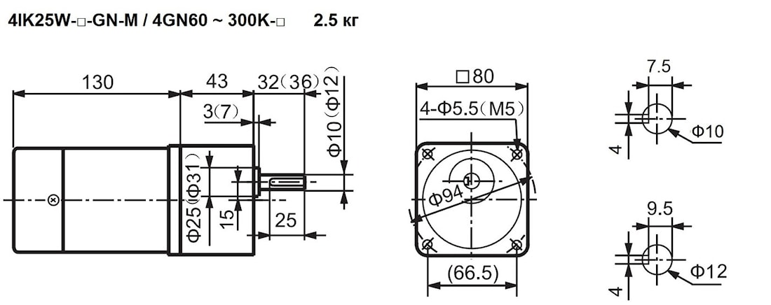
Мини мотор-редуктор может быть укомплектован электромагнитным устройством торможения (4IK25W-GN-M).
Гарантия – 12 месяцев
Схема подключения
Опции
Условное обозначение
| Модель мотор-редуктора | Выходные обороты | Передаточное число | Крутящий момент | Масса | |||
| мотор | редуктор | вал | n2 (об/мин) | i | M2 (Нм) | m (кг) | |
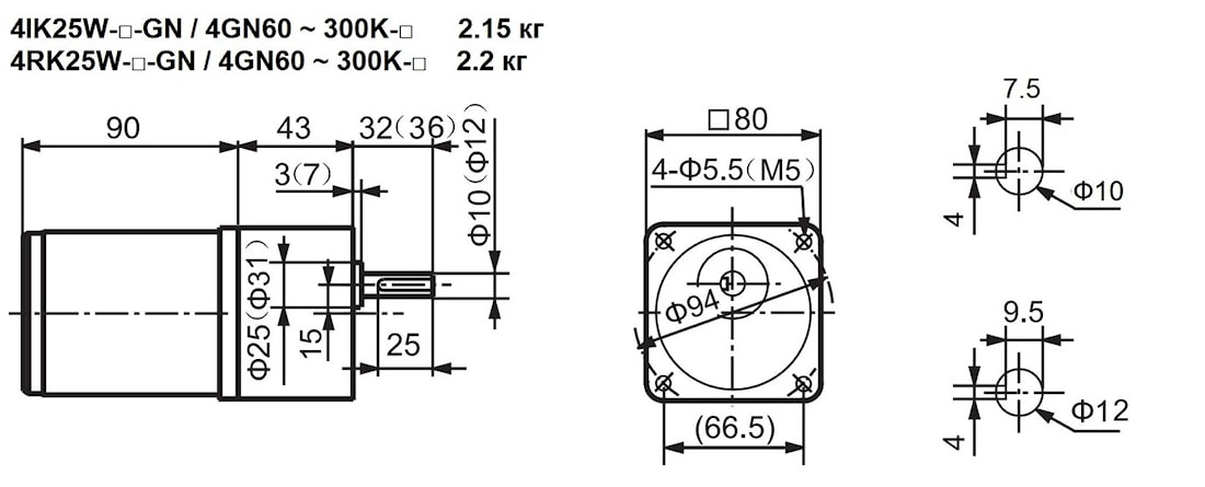
| 4IK25W-GN 4RK25W-GN 4IK25W-GN-M | 4GN60K | 10, 12 | - | 25 | 60 | 8.0 | Стандарт – 2.15 (2.2) С тормозом – 2.5 |
| 4GN75K | 10, 12 | - | 20 | 75 | 8.0 | ||
| 4GN90K | 10, 12 | - | 16 | 90 | 8.0 | ||
| 4GN100K | 10, 12 | - | 15 | 100 | 8.0 | ||
| 4GN120K | 10, 12 | - | 12.5 | 120 | 8.0 | ||
| 4GN150K | 10, 12 | - | 10 | 150 | 8.0 | ||
| 4GN180K | 10, 12 | - | 8.3 | 180 | 8.0 | ||
| 4GN200K | 10, 12 | - | 7.5 | 200 | 8.0 | ||
| 4GN250K | 10, 12 | - | 6.0 | 250 | 8.0 | ||
| 4GN300K | 10, 12 | - | 5.0 | 300 | 8.0 | ||
| Стандартная модель |
|
| Модель с электромагнитным тормозом |
|
Мини мотор редуктор 4GN60 ~ 300K можно рассматривать в качестве полных аналогов мотор редукторов СМ08IG25SA, CM08IG25SB, СМ08IG25TB, CM08IG25TC, / CG08B..S10 (Тайвань),
Если вы хотите купить мини мотор редуктор 4GN60 ... 300 (25 Ватт) , вы можете:
Позвонить:
Российская Федерация
+7 (495) 369-04-89
+7 (910) 726-725-4 (МТС) Смоленск
info@tech-privod.com
Республика Беларусь
+375 17 272-04-08 (т/ф) Минск
+375 29 61-787-61 (A1) Минск
+7 (495) 369-04-89
+7 (910) 726-725-4 (МТС) Смоленск
info@tech-privod.com
Республика Беларусь
+375 17 272-04-08 (т/ф) Минск
+375 29 61-787-61 (A1) Минск


