Червячный редуктор EV100 Номинальная мощность - 1,5 кВт Выходные обороты: 25 об/мин ... 70 об/мин
Номинальная мощность - 1,5 кВт
Выходные обороты: 25 об/мин ... 70 об/мин

Привод идеально подходит для работ с различными частотно-регулирующими электронными устройствами, не прихотлив к прерывистым кратковременным режимам эксплуатации.
Предложение редуктора дополняет огромный набор крепежных принадлежностей для монтажа: присоединительные фланцы ( в том числе нестандартных размерностей), реактивные кронштейны, выходные приводные валы, изготовление специальных полых валов и прочее (см. дополнения).
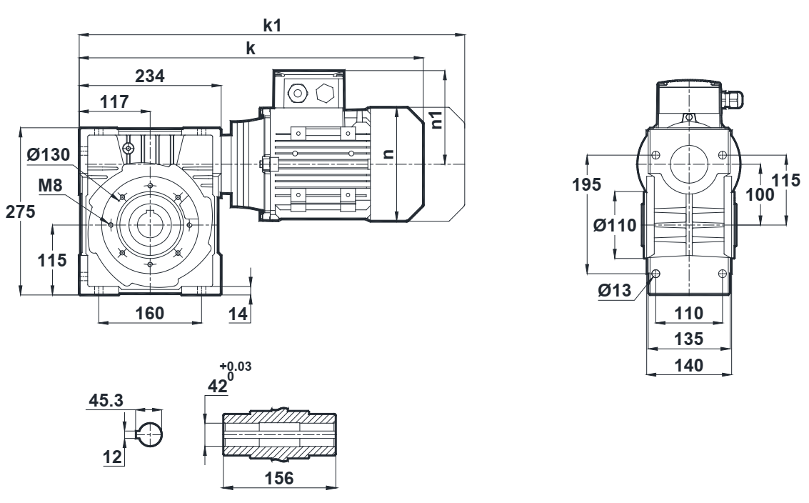
Сервис-фактор (fs)
Монтажные исполнения
Исполнение с реактивной штангой
Специальные диаметры валов
Выходные фланцы
Условное обозначение
Каталог E-series
3D модель мотор-редуктора (*.xtp)
Обороты на выходном валу | Крутящий момент на выходном валу | Передаточное число | Радиальные нагрузки на выходной вал | Сервис фактор | Тип редуктора | Масса |
n2 (об/мин-1) | M2 (Нм) | i | Fr (Н) | fs | m (кг) | |
22 | 419 | 63 | 6520 | 1,1 | EV100-90L/4 | 45,3 |
27 | 372 | 52 | 6450 | 1,1 | ||
35 | 299 | 40 | 6870 | 1,5 | ||
47 | 233 | 30 | 7080 | 2,1 | ||
54 | 221 | 26 | 6960 | 1,9 | ||
70 | 174 | 20 | 6510 | 2,5 |

Вернуться к выбору мощностей
Червячный мотор-редуктор EV100 - можно рассматривать как: полный аналог червячных редукторов брэндов Motovario (Италия) , Transtecno (Италия) , Innovari (Италия) , Siti (Италия) , STM Spa (Италия) , PGR (Турция) , Tramec (Италия), а также моделей NMRV и RV (многочисленных китайских производителей).
Червячный мотор-редуктор EV100 - можно рассматривать как: технический аналог червячных редукторов таких брэндов , как Bonfiglioli (Италия) , Watt drive (Австрия) , Varvel (Италия) , Nord Getriebebau DriveSystems (Германия) , Sew Eurodrive (Германия) , Bauer Gearmotors (Германия) , Tos-Znojmo (Чехия) .
Червячный редуктор ET100 можно рассматривать как технический аналог: червячных редукторов (производства российских и украинских заводов), червячных редукторов NRV (производства многочисленных китайских производителей).
Если вы хотите купить червячный редуктор EV100 , вы можете:
Позвонить:
Российская Федерация
+7 (495) 369-04-89
+7 (910) 726-725-4 (МТС) Смоленск
info@tech-privod.com
Республика Беларусь
+375 17 272-04-08 (т/ф) Минск
+375 29 61-787-61 (A1) Минск
+7 (495) 369-04-89
+7 (910) 726-725-4 (МТС) Смоленск
info@tech-privod.com
Республика Беларусь
+375 17 272-04-08 (т/ф) Минск
+375 29 61-787-61 (A1) Минск