Червячный редуктор EV100 Номинальная мощность - 1,5 кВт Выходные обороты: 15 об/мин ... 100 об/мин
Номинальная мощность - 1,5 кВт
Выходные обороты: 15 об/мин ... 100 об/мин

Объективно, самые качественные динамические характеристики привода находятся при вращении выходного вала: от 15 до 60 оборотов в минуту (т.е. скорость при рекомендуемом сервис-факторе).
В корпусе редуктора предусмотрены специальные тепло отводящие поперечные ребра жесткости. В литой форме корпуса имеются заливные, мерные и сливные пробки для своевременного контроля и смены трансмиссионной смазки.
Гарантийный срок - 24 месяца.
Сервис-фактор (fs)
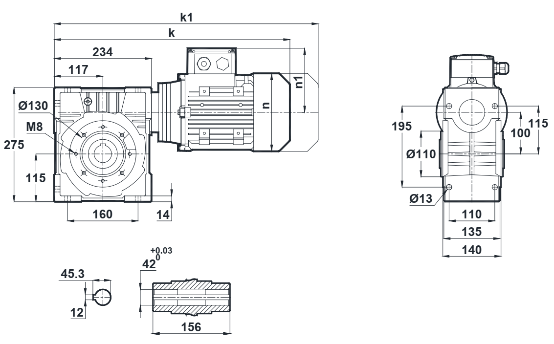
Монтажные исполнения
Исполнение с реактивной штангой
Специальные диаметры валов
Выходные фланцы
Условное обозначение
Каталог E-series
3D модель мотор-редуктора (*.xtp)
Обороты на выходном валу | Крутящий момент на выходном валу | Передаточное число | Радиальные нагрузки на выходной вал | Сервис фактор | Тип редуктора | Масса |
n2 (об/мин-1) | M2 (Нм) | i | Fr (Н) | fs | m (кг) | |
14 | 622 | 63 | 6570 | 0,8 | EV100-100L/6 | 51,1 |
17 | 546 | 52 | 6680 | 0,8 | ||
23 | 446 | 40 | 7230 | 1,2 | ||
30 | 358 | 30 | 7530 | 1,7 | ||
35 | 331 | 26 | 7500 | 1,4 | ||
45 | 264 | 20 | 7080 | 2,0 | ||
60 | 203 | 15 | 8200 | 2,9 | ||
69 | 178 | 13 | 8200 | 2,5 | ||
90 | 140 | 10 | 8200 | 3,4 |

Вернуться к выбору мощностей
Червячный мотор-редуктор EV100 - можно рассматривать как: полный аналог червячных редукторов брэндов Motovario (Италия) , Transtecno (Италия) , Innovari (Италия) , Siti (Италия) , STM Spa (Италия) , PGR (Турция) , Tramec (Италия), а также моделей NMRV и RV (многочисленных китайских производителей).
Червячный мотор-редуктор EV100 - можно рассматривать как: технический аналог червячных редукторов таких брэндов , как Bonfiglioli (Италия) , Watt drive (Австрия) , Varvel (Италия) , Nord Getriebebau DriveSystems (Германия) , Sew Eurodrive (Германия) , Bauer Gearmotors (Германия) , Tos-Znojmo (Чехия) .
Червячный редуктор ET100 можно рассматривать как технический аналог: червячных редукторов (производства российских и украинских заводов), червячных редукторов NRV (производства многочисленных китайских производителей).
Если вы хотите купить червячный редуктор EV100 , вы можете:
Позвонить:
Российская Федерация
+7 (495) 369-04-89
+7 (910) 726-725-4 (МТС) Смоленск
info@tech-privod.com
Республика Беларусь
+375 17 272-04-08 (т/ф) Минск
+375 29 61-787-61 (A1) Минск
+7 (495) 369-04-89
+7 (910) 726-725-4 (МТС) Смоленск
info@tech-privod.com
Республика Беларусь
+375 17 272-04-08 (т/ф) Минск
+375 29 61-787-61 (A1) Минск