Конические редукторы KR203 6,0 об/мин ... 30 об/мин
6,0 об/мин ... 30 об/мин

Гарантийные обязательства - 24 месяца.
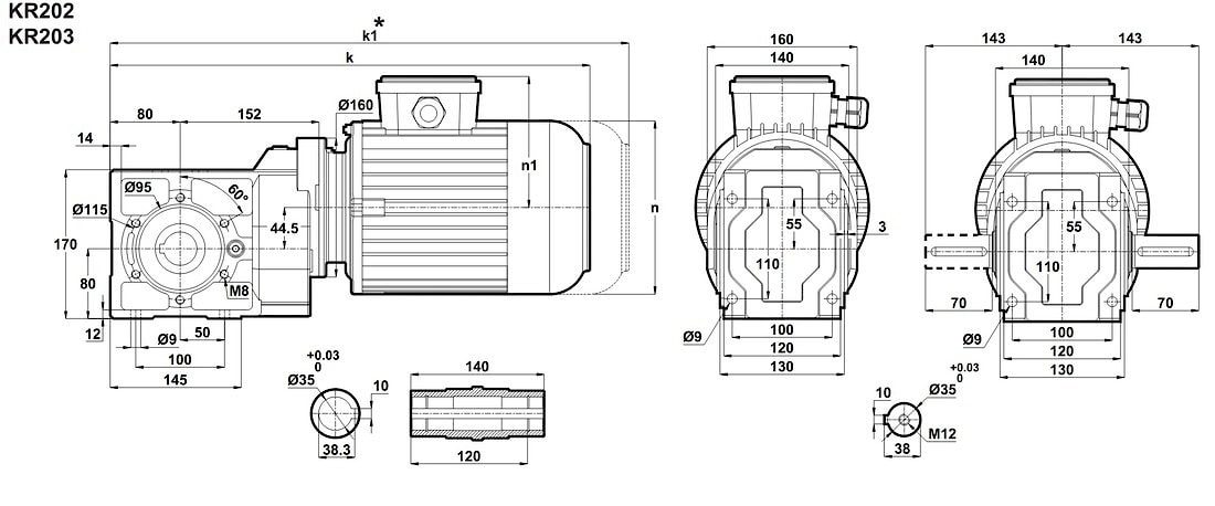
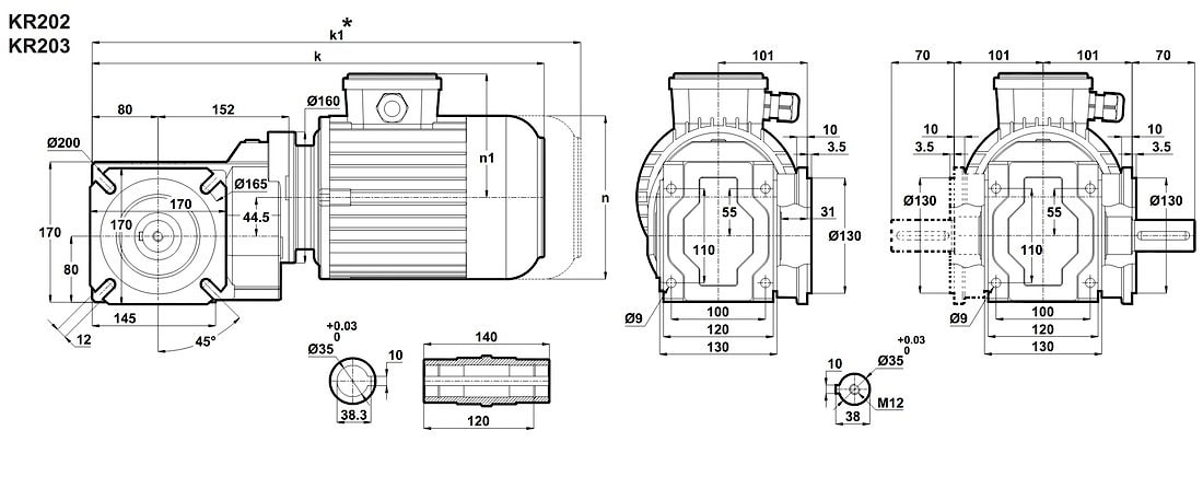
Условное обозначение
Каталог K-series
Обороты на выходном валу | Крутящий момент на выходном валу | Передаточное число | Радиальные нагрузки на выходной вал | Сервис фактор | Тип редуктора | Масса |
n2 (об/мин-1) | M2 (Нм) | i | Fr (Н) | fs | m (кг) | |
6,5 | 340 | 138,53 | 5143 | 0,8 | KR203-71/6b | 18 |
7,5 | 294 | 119,62 | 7074 | 1,0 | ||
8,6 | 257 | 104,49 | 8142 | 1,1 | ||
9,2 | 241 | 98,01 | 8524 | 1,2 | ||
10 | 218 | 138,53 | 8995 | 1,3 | KR203-71/4а | 17 |
12 | 189 | 119,62 | 9058 | 1,5 | ||
13 | 165 | 104,49 | 8795 | 1,7 | ||
14 | 155 | 98,01 | 8667 | 1,8 | ||
17 | 132 | 83,32 | 8341 | 2,1 | ||
19 | 115 | 72,37 | 8053 | 2,4 | ||
22 | 100 | 63,33 | 7781 | 2,8 | ||
27 | 83 | 52,37 | 7396 | 3,4 |


Вернуться к выбору мощностей
Если вы хотите купить конические редукторы KR203 , вы можете:
Позвонить:
Российская Федерация
+7 (495) 369-04-89
+7 (910) 726-725-4 (МТС) Смоленск
info@tech-privod.com
Республика Беларусь
+375 17 272-04-08 (т/ф) Минск
+375 29 61-787-61 (A1) Минск
+7 (495) 369-04-89
+7 (910) 726-725-4 (МТС) Смоленск
info@tech-privod.com
Республика Беларусь
+375 17 272-04-08 (т/ф) Минск
+375 29 61-787-61 (A1) Минск