Конические редукторы KR273 8,0 об/мин ... 100 об/мин
8,0 об/мин ... 100 об/мин
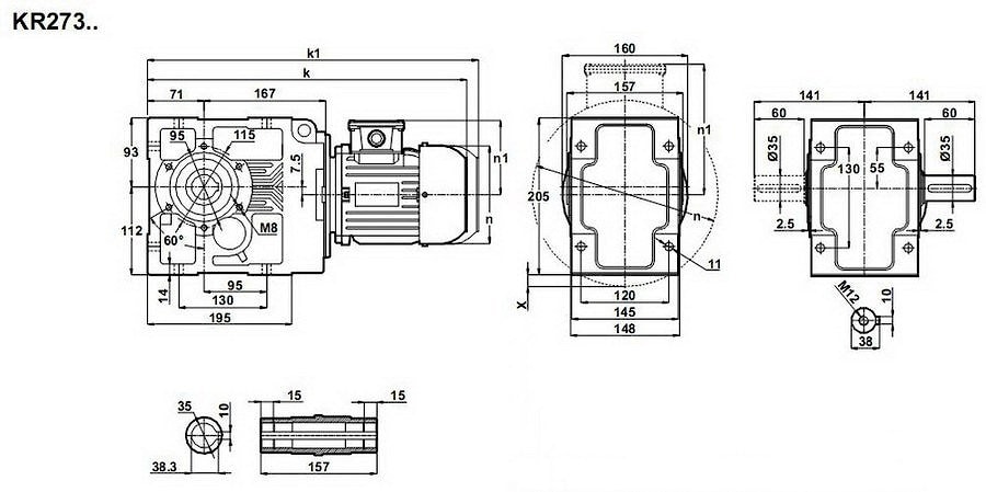
Конический цилиндрический мотор редуктор KR273-71/4a и KR273-71/6b - компактное, эффективное механическое устройство по передачи крутящего усилия 30Нм (30Nm) ~ 275Нм (275Nm) от электродвигателя номинальной мощностью 250Ватт (250W), получаемые обороты выходного вала 7,9 об/мин - 105 об/мин. Наличие конической ступени позволяет выгодно расположить трансмиссионный зубчатый редукторный механизм.Пространственные расположения конического мотор-редуктора: M1 , M2 , M3 , M4 , M5 , M6 .
Имеются сервисные пробки для своевременной смены смазки.
Условное обозначение
Каталог K-series
| Обороты на выходном валу | Крутящий момент на выходном валу | Передаточное число | Радиальные нагрузки на выходной вал | Сервис фактор | Тип редуктора | Масса |
| n2 (об/мин-1) | M2 (Нм) | i | Fr (Н) | fs | m (кг) | |
| 7,9 | 275 | 113,65 | 13560 | 1,6 | KR273-71/6b | 34,5 |
| 9,3 | 234 | 96,68 | 12982 | 1,9 | ||
| 11 | 202 | 83,48 | 12466 | 2,2 | ||
| 12 | 177 | 113,65 | 13560 | 2,5 | KR273-71/4a | 33 |
| 14 | 150 | 96,68 | 12982 | 3,0 | ||
| 17 | 130 | 83,48 | 12466 | 3,5 | ||
| 19 | 113 | 72,92 | 12000 | 4,0 | ||
| 20 | 106 | 68,40 | 11782 | 4,2 | ||
| 24 | 90 | 58,15 | 11242 | 5,0 | ||
| 28 | 79 | 50,51 | 10787 | 5,7 | ||
| 32 | 69 | 44,20 | 10367 | 6,5 | ||
| 38 | 57 | 36,55 | 9790 | 7,9 | ||
| 46 | 47 | 30,48 | 9263 | 9,5 | ||
| 55 | 40 | 25,55 | 8773 | 10,8 | ||
| 61 | 36 | 23,08 | 8499 | 11,4 | ||
| 73 | 30 | 19,08 | 8009 | 13,1 | ||
| 88 | 25 | 15,92 | 7563 | 15,0 | ||
| 105 | 21 | 13,34 | 7152 | 16,9 |


Вернуться к выбору мощностей
Мотор-редуктор KR273 - является полным аналогом мотор-редуктора КТМ33 и МВН63 (производства Tos-Znoimo (Чешская Республика) и Siti (Италия) , анагогами ( с приближенными размерностями ) мотор-редукторов ТС90В , ТF90В (производитель -Tramec (Италия)) , мотор-редукторов А 35 2 и А 35 3 , А 30 2 и А 30 3 от Bonfiglioli (Италия), B063 , BA72 , BA73 (производства Motovario (Италия), техническими заменителями мотор-редукторов SK92772 , SK92772 VF , SK92772 AX , SK9012.1 , SK9012.1 VF , SK9012.1 AX , SK9016.1 , SK9016.1 VF , SK9016.1 AX(производства NORD (Германия)).
Редуктор КТ273 можно использовать как аналог редуктора ВН63 производства Siti (Италия), и аналог привода ТА90В , производимого Tramec (Италия)
Если вы хотите купить конические редукторы KR273 , вы можете:
Позвонить:
Российская Федерация
+7 (495) 369-04-89
+7 (910) 726-725-4 (МТС) Смоленск
info@tech-privod.com
Республика Беларусь
+375 17 272-04-08 (т/ф) Минск
+375 29 61-787-61 (A1) Минск
+7 (495) 369-04-89
+7 (910) 726-725-4 (МТС) Смоленск
info@tech-privod.com
Республика Беларусь
+375 17 272-04-08 (т/ф) Минск
+375 29 61-787-61 (A1) Минск
Ещё из раздела Конические мотор-редукторы — 0,25кВт
Конический редуктор KR284
Номинальная мощность - 0.25кВт
Выходные обороты: 3,3 об/мин ... 5,8 об/мин
Коническо-цилиндрический мотор редуктор KR284 с цилиндрической предступенью отличается тем, что способен выдавать более большие передаточные числа и соответственно более низкие обороты выходного вала 3,3 об/мин ... 5,8 об/мин ; крутящие моменты от ...
