Цилиндрический редуктор DR772 и DR773 45 об/мин ... 300 об/мин
45 об/мин ... 300 об/мин
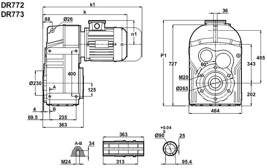
Цилиндрический моторредуктор с параллельными валами DR772-225S/4 и DR773-225S/4.Мотор мощностью 37 KW (37*3000 , 37*1500 , 37*1000 , 37*750).
Крутящий момент на исполнительном валу: 1200 - 8000 ньютонов/метр.
Передаточные числа: i=1/4,5 , i=1/5,0 , i=1/5,75 , i=1/6,5 , i=1/7,0 , i=1/7,75 , i=1/8,7 , i=1/9,0 , i=1/10 , i=1/11,7 , i=1/12,4 , i=1/13,8 , i=1/15 , i=1/18 , i=1/20 , i=1/24 , i=1/27 , i=1/32 , i=1/33 .
Гарантия распространяется 24 месяца.
Условное обозначение
Каталог D-series
| Обороты на выходном валу | Крутящий момент на выходном валу | Передаточное число | Радиальные нагрузки на выходной вал | Сервис фактор | Тип редуктора | Масса |
| n2 (об/мин-1) | M2 (Нм) | i | Fr (Н) | fs | m (кг) | |
| 42 | 8000 | 33,10 | 55498 | 1,0 | DR773-225S/4 | 470 |
| 44 | 7708 | 31,92 | 57623 | 1,0 | ||
| 51 | 6687 | 27,65 | 58917 | 1,2 | ||
| 58 | 5828 | 24,06 | 57875 | 1,4 | ||
| 67 | 5054 | 20,87 | 55228 | 1,2 | ||
| 75 | 4512 | 18,61 | 54326 | 1,2 | ||
| 78 | 4347 | 17,95 | 54022 | 1,3 | ||
| 91 | 3789 | 15,46 | 53833 | 2,0 | DR772-225S/4 | 463 |
| 101 | 3387 | 13,81 | 52637 | 2,2 | ||
| 113 | 3043 | 12,40 | 51474 | 2,3 | ||
| 120 | 2871 | 11,71 | 50846 | 2,4 | ||
| 137 | 2513 | 10,23 | 49362 | 2,6 | ||
| 156 | 2211 | 9,00 | 17930 | 2,7 | ||
| 161 | 2137 | 8,70 | 46935 | 2,5 | ||
| 180 | 1910 | 7,76 | 45745 | 2,6 | ||
| 201 | 1717 | 6,97 | 44610 | 2,8 | ||
| 213 | 1619 | 6,58 | 44006 | 2,9 | ||
| 243 | 1417 | 5,75 | 42597 | 3,1 | ||
| 277 | 1247 | 5,06 | 41258 | 3,3 | ||
| 313 | 1102 | 4,47 | 39979 | 3,4 |

Вернуться к выбору мощностей
Мотор-редуктор DR772 и DR773 - как технический аналог мотор-редуктор можно рассматривать относительно к моделям MPD160 и MPD160/3 / производства Siti , Италия ; SK7282 и SK7382 /производства Nord , Германия ; F802 и F803 / производства Bonfiglioli , Италия , ZF200B и ZF200C / производства Tramec , Италия .
Редуктор DT772 и DT773 является аналогом редукторов PD160- , PD160/3- производства Siti / Италия ; ZA200B , ZA200C производства Tramec / Италия .
Если вы хотите купить цилиндрический редуктор DR772 и DR773 , вы можете:
Позвонить:
Российская Федерация
+7 (495) 369-04-89
+7 (910) 726-725-4 (МТС) Смоленск
info@tech-privod.com
Республика Беларусь
+375 17 272-04-08 (т/ф) Минск
+375 29 61-787-61 (A1) Минск
+7 (495) 369-04-89
+7 (910) 726-725-4 (МТС) Смоленск
info@tech-privod.com
Республика Беларусь
+375 17 272-04-08 (т/ф) Минск
+375 29 61-787-61 (A1) Минск
