Цилиндрический редуктор DR973 20 об/мин ... 70 об/мин
20 об/мин ... 70 об/мин
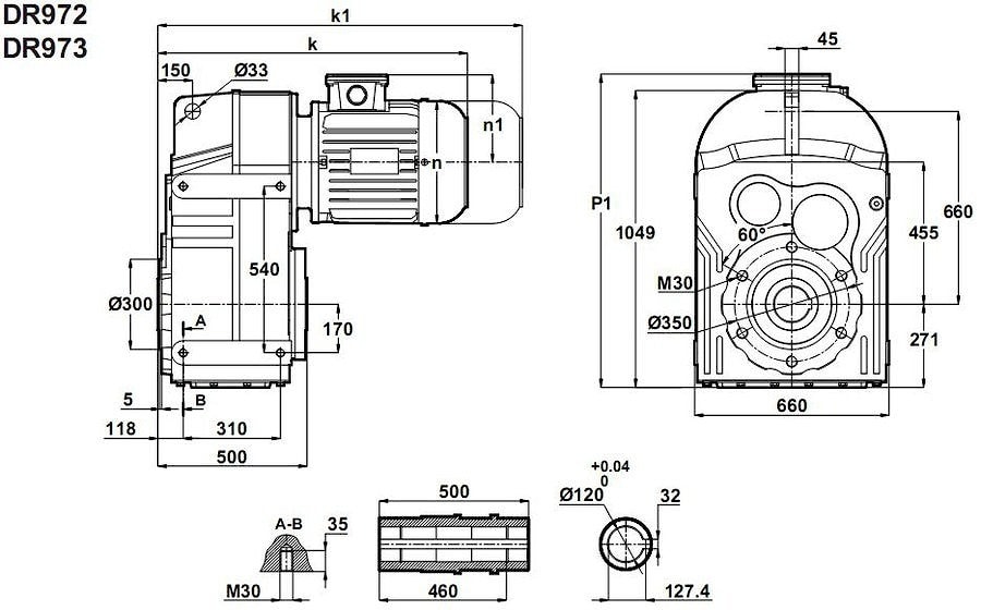
Цилиндрический мотор-редуктор с параллельными осями DR973-225S/4 - комплексный электро-механический агрегат для передачи крутящего усилия от мотора мощностью - 37 к Вт на исполнительный вал привода.Момент на выходном валу: 5000 Нм - 18000 Нм.
Передаточные значения на выбор: 20:1 , 23 :1 , 26 :1 , 34 :1 , 38:1 , 43 :1 , 50 :1 , 56 :1 , 63 :1 , 71 :1.
Радиальные нагрузки: 140000 N.
Исполнения: полая втулка , цельный вал , выходной фланец, зажимной диск, крепление с реакционным рычагом , экструдерная приставка, ограничитель крутящего момента, устройство backstop.
Условное обозначение
Каталог D-series
| Обороты на выходном валу | Крутящий момент на выходном валу | Передаточное число | Радиальные нагрузки на выходной вал | Сервис фактор | Тип редуктора | Масса |
| n2 (об/мин-1) | M2 (Нм) | i | Fr (Н) | fs | m (кг) | |
| 19 | 17266 | 71,87 | 148386 | 1,0 | DR973-225S/4 | 935 |
| 22 | 15242 | 63,36 | 145302 | 1,2 | ||
| 25 | 13538 | 56,21 | 142195 | 1,3 | ||
| 28 | 12085 | 50,12 | 139095 | 1,5 | ||
| 32 | 10473 | 43,38 | 135069 | 1,7 | ||
| 37 | 9245 | 38,24 | 131474 | 1,9 | ||
| 41 | 8213 | 33,93 | 128020 | 2,2 | ||
| 54 | 6274 | 25,92 | 119083 | 2,9 | ||
| 61 | 5539 | 22,85 | 115589 | 3,1 | ||
| 69 | 4921 | 20,27 | 112285 | 3,4 |

Вернуться к выбору мощностей
Мотор редуктор DR973 можно использовать как технический аналог к мотор редуктору SK9382 выпускаемых NORD, Германия.
Если вы хотите купить цилиндрический редуктор DR973 , вы можете:
Позвонить:
Российская Федерация
+7 (495) 369-04-89
+7 (910) 726-725-4 (МТС) Смоленск
info@tech-privod.com
Республика Беларусь
+375 17 272-04-08 (т/ф) Минск
+375 29 61-787-61 (A1) Минск
+7 (495) 369-04-89
+7 (910) 726-725-4 (МТС) Смоленск
info@tech-privod.com
Республика Беларусь
+375 17 272-04-08 (т/ф) Минск
+375 29 61-787-61 (A1) Минск
