Цилиндрический редуктор DR872 и DR873 30 об/мин ... 150 об/мин
30 об/мин ... 150 об/мин
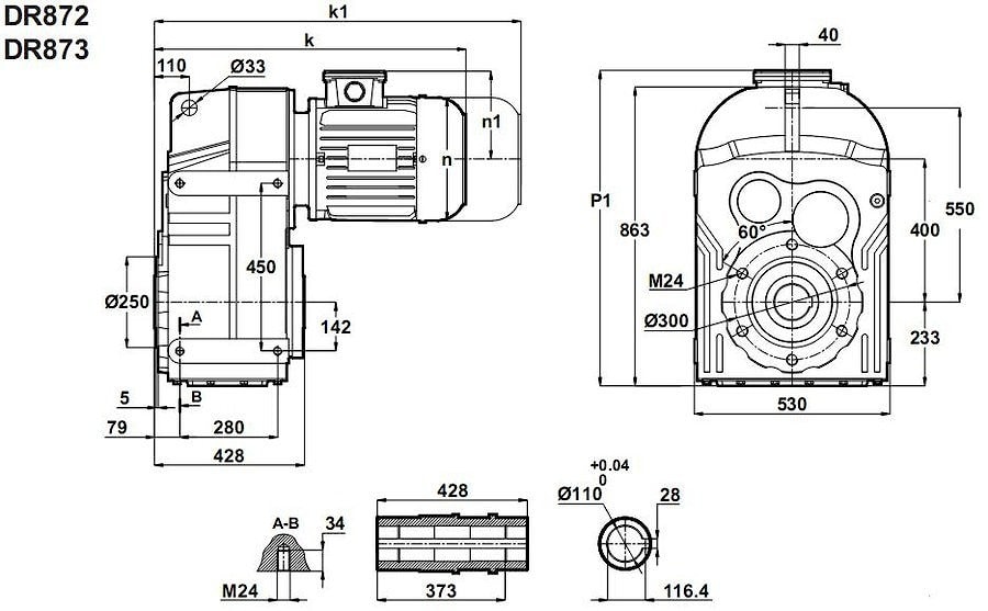
Многопрофильный универсальный обще промышленный цилиндрический моторредуктор с параллельными валами DR872-225S/4 и DR873-225S/4 - восьмой габарит трехступенчатого редукторного механизма с подключаемым электрическим двигателем номинальной мощностью - 37кВт ,при этом вращающий момент на тихоходном валу: 3000 нм - 13000 нм.
Передаточные значения на выбор: u=1/10 , u=1/11 , u=1/12 , u=1/13 , u=1/14 , u=1/15,5 , u=1/17 , u=1/23 , u=1/26 , u=1/30 , u=1/35 , u=1/39 , u=1/45 , u=1/52 , u=1/55 .
Гарантия - 2 года.
Условное обозначение
Каталог D-series
| Обороты на выходном валу | Крутящий момент на выходном валу | Передаточное число | Радиальные нагрузки на выходной вал | Сервис фактор | Тип редуктора | Масса |
| n2 (об/мин-1) | M2 (Нм) | i | Fr (Н) | fs | m (кг) | |
| 25 | 13241 | 55,01 | 75624 | 1,0 | DR873-225S/4 | 638 |
| 27 | 12493 | 51,94 | 79600 | 1,0 | ||
| 31 | 10937 | 45,41 | 87070 | 1,2 | ||
| 35 | 9627 | 39,92 | 92628 | 1,4 | ||
| 40 | 8510 | 35,24 | 96954 | 1,5 | ||
| 46 | 7369 | 30,50 | 100894 | 1,8 | ||
| 53 | 6452 | 26,66 | 101680 | 2,0 | ||
| 60 | 5679 | 23,44 | 98835 | 2,3 | ||
| 79 | 4282 | 17,67 | 91584 | 2,6 | ||
| 91 | 3749 | 15,45 | 88736 | 2,8 | ||
| 103 | 3300 | 13,58 | 86019 | 3,1 | ||
| 100 | 3438 | 14,02 | 87454 | 3,3 | DR872-225S/4 | 620 |
| 113 | 3034 | 12,36 | 84716 | 3,5 | ||
| 128 | 2694 | 10,97 | 82153 | 3,8 | ||
| 143 | 2404 | 9,78 | 79735 | 4,0 |

Вернуться к выбору мощностей
Мотор редуктор DR872 и DR873 можно использовать как технический аналог к мотор редуктору SK8282 и SK8382 / выпускаемых NORD , Германия ; мотор-редуктору F904 / производства Bonfiglioli , Италия.
Если вы хотите купить цилиндрический редуктор DR872 и DR873 , вы можете:
Позвонить:
Российская Федерация
+7 (495) 369-04-89
+7 (910) 726-725-4 (МТС) Смоленск
info@tech-privod.com
Республика Беларусь
+375 17 272-04-08 (т/ф) Минск
+375 29 61-787-61 (A1) Минск
+7 (495) 369-04-89
+7 (910) 726-725-4 (МТС) Смоленск
info@tech-privod.com
Республика Беларусь
+375 17 272-04-08 (т/ф) Минск
+375 29 61-787-61 (A1) Минск
