Цилиндрический редуктор DR572 и DR573 40 об/мин ... 300 об/мин
40 об/мин ... 300 об/мин
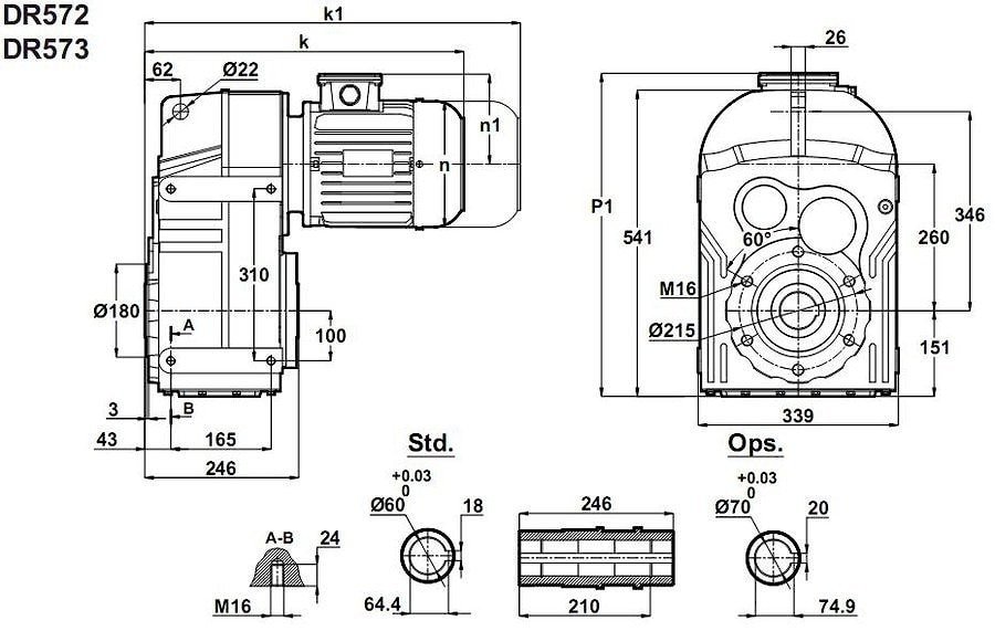
Мотор-редуктор DR572-160M/4 и DR573-160M/4 - цилиндрической моторизированный редукторный механизм, предназначенный для работы с подключенным двигателем - 11 кВт, на конце тихоходного вала достигаемые моменты варьируются от 600 Нм - 3000 Нм.Номинальные трансмиссионные числа: 1:4,4 , 1:5 , 1: 5,6 , 1: 6,4 , 1: 7,4 , 1: 8,6 , 1: 10,5 , 1: 12 , 1: 13,5 , 1: 15,5 , 1: 18 , 1: 21,5 , 1: 24 , 1:28 , 1: 33 , 1: 39 , 1: 44 , 1: 50.
Разнообразные монтажные исполнения: на лапах, с реактивной штангой, выходной вал, выходной фланец, комплектация различными встроенными муфтами и др.
Условное обозначение
Каталог D-series
| Обороты на выходном валу | Крутящий момент на выходном валу | Передаточное число | Радиальные нагрузки на выходной вал | Сервис фактор | Тип редуктора | Масса |
| n2 (об/мин-1) | M2 (Нм) | i | Fr (Н) | fs | m (кг) | |
| 28 | 3579 | 50,13 | 11288 | 0,8 | DR573-160M/4 | 230 |
| 32 | 3165 | 44,27 | 19821 | 0,9 | ||
| 36 | 2817 | 39,35 | 25506 | 1,0 | ||
| 42 | 2387 | 33,28 | 31162 | 1,2 | ||
| 49 | 2039 | 28,39 | 34813 | 1,3 | ||
| 58 | 1741 | 24,02 | 34149 | 1,7 | DR572-160M/4 | 220 |
| 65 | 1553 | 21,40 | 35410 | 1,9 | ||
| 77 | 1322 | 18,23 | 36825 | 2,3 | ||
| 89 | 1138 | 15,67 | 37926 | 2,6 | ||
| 103 | 989 | 13,60 | 37750 | 2,9 | ||
| 118 | 865 | 11,89 | 36475 | 3,1 | ||
| 134 | 761 | 10,45 | 35273 | 3,4 | ||
| 162 | 629 | 8,65 | 33291 | 3,2 | ||
| 188 | 541 | 7,43 | 31991 | 3,5 | ||
| 217 | 470 | 6,45 | 30802 | 3,8 | ||
| 248 | 412 | 5,64 | 29702 | 4,1 | ||
| 282 | 362 | 4,96 | 28675 | 4,3 | ||
| 320 | 320 | 4,38 | 27706 | 4,6 |

Вернуться к выбору мощностей
Мотор-редуктор DR572 и DR573 - является полным аналогом мотор-редуктор TNC52 и TNC53 / производства Tos-Znojmo , Чехия ; как технический аналог мотор-редуктор можно рассматривать относительно к моделям MPD125 и MPD125/3 , MPL125 и MPL125/3 / производства Siti , Италия ; S122 и S123 / производства Motovario , Италия ; SK5282 и SK5382 /производства Nord , Германия ; F602 и F603 / производства Bonfiglioli , Италия , ZF160B и ZF160C / производства Tramec , Италия .
Редуктор DT572 и DT573 является аналогом редукторов PD125- , PD125/3 производства Siti / Италия ; ZA160B , ZA160C производства Tramec / Италия .
Если вы хотите купить цилиндрический редуктор DR572 и DR573 , вы можете:
Позвонить:
Российская Федерация
+7 (495) 369-04-89
+7 (910) 726-725-4 (МТС) Смоленск
info@tech-privod.com
Республика Беларусь
+375 17 272-04-08 (т/ф) Минск
+375 29 61-787-61 (A1) Минск
+7 (495) 369-04-89
+7 (910) 726-725-4 (МТС) Смоленск
info@tech-privod.com
Республика Беларусь
+375 17 272-04-08 (т/ф) Минск
+375 29 61-787-61 (A1) Минск
