Цилиндрический редуктор DR873 8,0 об/мин ... 30 об/мин
8,0 об/мин ... 30 об/мин
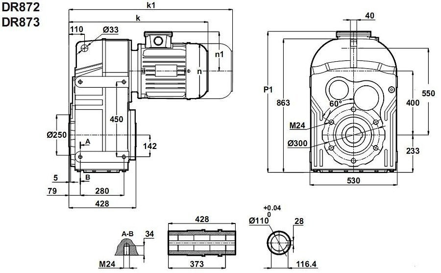
Цилиндрический мотор-редуктор с параллельными осями DR873-160М/4 и DR873-160L/6 - устройство для изменения скорости механического движения от электродвигателя номинальной мощностью 11 кВт к значениям 7,0 об/мин - 27 об/мин на выходе. В контексте кинетической схемы к исполнительному оборудованию, используя редукторный механизм, доставляется крутящий момент: 4000 Нм - 12000 Нм.Трансмиссия заправлена заводской смазкой, имеются заливные, сливные и мерные горловины для своевременного контроля за смазкой.
Условное обозначение
Каталог D-series
| Обороты на выходном валу | Крутящий момент на выходном валу | Передаточное число | Радиальные нагрузки на выходной вал | Сервис фактор | Тип редуктора | Масса |
| n2 (об/мин-1) | M2 (Нм) | i | Fr (Н) | fs | m (кг) | |
| 7,0 | 14111 | 128,20 | 70307 | 0,9 | DR873-160L/6 | 548 |
| 7.8 | 12676 | 115,03 | 78631 | 1,0 | ||
| 8,9 | 11123 | 101,03 | 86299 | 1,2 | ||
| 11 | 9104 | 128,20 | 94604 | 1,4 | DR873-160М/4 | 533 |
| 12 | 8179 | 115,03 | 98137 | 1,6 | ||
| 14 | 7178 | 101,03 | 101520 | 1,8 | ||
| 16 | 6259 | 87,95 | 104381 | 2,1 | ||
| 18 | 5513 | 77,36 | 106544 | 2,4 | ||
| 20 | 4896 | 68,62 | 108232 | 2,7 | ||
| 23 | 4377 | 61,27 | 109583 | 3,0 | ||
| 25 | 3934 | 55,01 | 110688 | 3,3 | ||
| 27 | 3712 | 51,94 | 111226 | 3,5 |
Вернуться к выбору мощностей
Мотор редуктор DR873 можно использовать как технический аналог к мотор редуктору SK8382/ выпускаемых NORD, Германия; мотор-редуктору F904/ производства Bonfiglioli , Италия.
Если вы хотите купить цилиндрический редуктор DR873 , вы можете:
Позвонить:
Российская Федерация
+7 (495) 369-04-89
+7 (910) 726-725-4 (МТС) Смоленск
info@tech-privod.com
Республика Беларусь
+375 17 272-04-08 (т/ф) Минск
+375 29 61-787-61 (A1) Минск
+7 (495) 369-04-89
+7 (910) 726-725-4 (МТС) Смоленск
info@tech-privod.com
Республика Беларусь
+375 17 272-04-08 (т/ф) Минск
+375 29 61-787-61 (A1) Минск
