Цилиндрический редуктор DR773 15 об/мин ... 45 об/мин
15 об/мин ... 45 об/мин
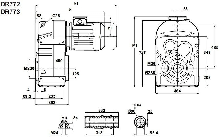
Универсальный цилиндрический редуктор DR773-160M/4 - отличное трансмиссионное решение, предназначенное для передачи крутящего момента : 2500 - 7500 ньютонов на метр.Мотор-редуктор рассчитан для подключения электромотора - 11кВт.
Коробка передач с передаточными отношениями: i=31 , i= 33 , i=37 , i=41 , i=47 , i=54 , i=62 , i=65 , i= 72 , i=81 , i=92 , i=106 , i=122 , i=141.
Монтажные пространственные расположения: M1 , M2 , M3, M4 , M5 , M6.
Условное обозначение
Каталог D-series
| Обороты на выходном валу | Крутящий момент на выходном валу | Передаточное число | Радиальные нагрузки на выходной вал | Сервис фактор | Тип редуктора | Масса |
| n2 (об/мин-1) | M2 (Нм) | i | Fr (Н) | fs | m (кг) | |
| 9,9 | 10040 | 141,55 | 36823 | 0,8 | DR773-160M/4 | 370 |
| 11 | 8676 | 122,41 | 50382 | 0,9 | ||
| 13 | 7524 | 105,99 | 58851 | 1,1 | ||
| 15 | 6589 | 92,70 | 64539 | 1,2 | ||
| 17 | 5816 | 81,72 | 68567 | 1,4 | ||
| 19 | 5166 | 72,50 | 71784 | 1,5 | ||
| 22 | 4611 | 64,64 | 74222 | 1,7 | ||
| 22 | 4442 | 62,33 | 74924 | 1,8 | ||
| 26 | 3853 | 53,99 | 77253 | 2,1 | ||
| 30 | 3358 | 46,99 | 79067 | 2,4 | ||
| 33 | 2998 | 41,85 | 76912 | 2,7 | ||
| 38 | 2663 | 37,12 | 74697 | 3,0 | ||
| 42 | 2377 | 33,10 | 72594 | 3,4 | ||
| 44 | 2290 | 31,92 | 71932 | 3,5 |

Вернуться к выбору мощностей
Мотор-редуктор DR773 - как технический аналог мотор-редуктор можно рассматривать относительно к моделям MPD160 и MPD160/3/ производства Siti, Италия; SK7382 /производства Nord , Германия; F803 / производства Bonfiglioli, Италия, ZF200B и ZF200C / производства Tramec , Италия .
Редуктор DT773 является аналогом редукторов PD160-, PD160/3- производства Siti / Италия; ZA200B, ZA200C производства Tramec/ Италия .
Если вы хотите купить цилиндрический редуктор DR773 , вы можете:
Позвонить:
Российская Федерация
+7 (495) 369-04-89
+7 (910) 726-725-4 (МТС) Смоленск
info@tech-privod.com
Республика Беларусь
+375 17 272-04-08 (т/ф) Минск
+375 29 61-787-61 (A1) Минск
+7 (495) 369-04-89
+7 (910) 726-725-4 (МТС) Смоленск
info@tech-privod.com
Республика Беларусь
+375 17 272-04-08 (т/ф) Минск
+375 29 61-787-61 (A1) Минск
