Конические редукторы KR673 100 об/мин... 170 об/мин
100 об/мин... 170 об/мин
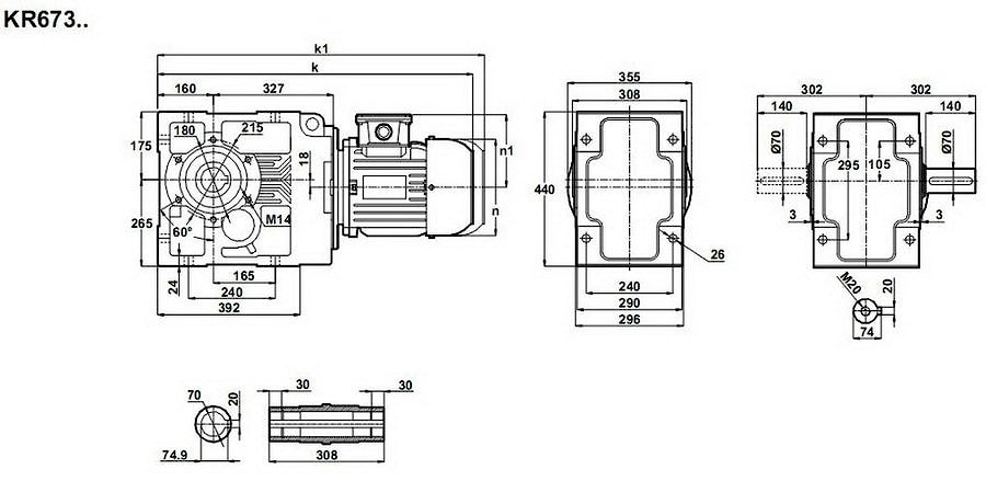
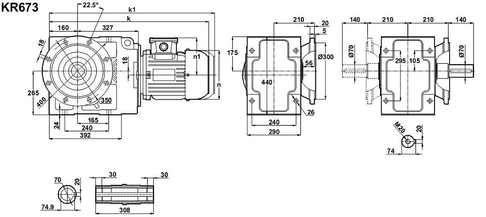
Промышленный моторредуктор в жесткой сцепке с двигательным устройством эквивалентной мощностью 45,0 кВт (45KW) предлагается конический шестереночный трансмиссионный привод KR673-225M/4.Зубчатая передача рассчитана для работы с передаточными числами: 1/8,3, 1/9,5, 1/10,8, 1/12,5, 1/14,5, 1/18,5.
Крутящий момент на выходном валу - 2500 N*m (2500Н*м).
Радиальные нагрузки на выходной вал в пределах - 20000Н (20000N).
Условное обозначение
Каталог K-series
| Обороты на выходном валу | Крутящий момент на выходном валу | Передаточное число | Радиальные нагрузки на выходной вал | Сервис фактор | Тип редуктора | Масса |
| n2 (об/мин-1) | M2 (Нм) | i | Fr (Н) | fs | m (кг) | |
| 85 | 5078 | 16,54 | 19204 | 0,8 | KR673-225M/4 | 562 |
| 97 | 4448 | 14,49 | 19345 | 0,7 | ||
| 112 | 3823 | 12,46 | 20323 | 0,7 | ||
| 130 | 3318 | 10,81 | 20964 | 0,8 | ||
| 148 | 2901 | 9,45 | 21366 | 0,9 | ||
| 169 | 2550 | 8,31 | 21591 | 1,0 |


Вернуться к выбору мощностей
Мотор-редуктор KR673 - полный аналог мотор-редуктора B143 (от Motovario (Италия)) , МВН140 (Siti (Италия) мотор-редукторов SK9052.1 , SK9052.1 VF , SK9052.1 AZ (Nord (Германия), можно рассматривать как технический аналог мотор-редукторов марок ТС180В , TF180В (марки от Tramec (Италия)) VF210 , A703 (производства Bonfiglioli (Италия)).
Редуктор КТ673 можно рассматривать как аналогичный редуктору КЦ2-500 российского производства , редуктора ТА180В, ТС180В , ТF180В , производимого Tramec (Италия), аналог редуктора RT180A и RТ180A-FF производства Tos-Znojmo (Чехия), технический аналог редукторам ВН140, МВН140, произведенных под маркой Siti (Италия) и технический аналог редукторам КЦ1-300 , КЦ2-160Н производителя "Зарем"
Если вы хотите купить конические редукторы KR673 , вы можете:
Позвонить:
Российская Федерация
+7 (495) 369-04-89
+7 (910) 726-725-4 (МТС) Смоленск
info@tech-privod.com
Республика Беларусь
+375 17 272-04-08 (т/ф) Минск
+375 29 61-787-61 (A1) Минск
+7 (495) 369-04-89
+7 (910) 726-725-4 (МТС) Смоленск
info@tech-privod.com
Республика Беларусь
+375 17 272-04-08 (т/ф) Минск
+375 29 61-787-61 (A1) Минск
