Конические редукторы KR773 60 об/мин... 200 об/мин
60 об/мин... 200 об/мин
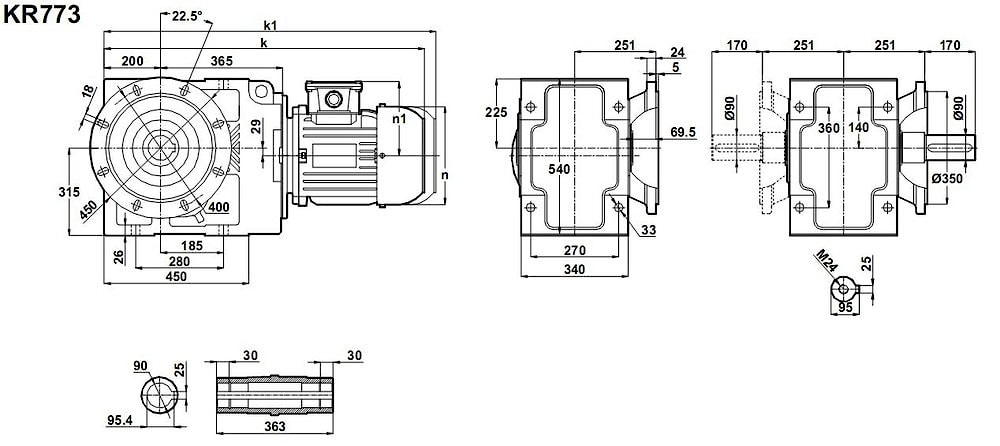
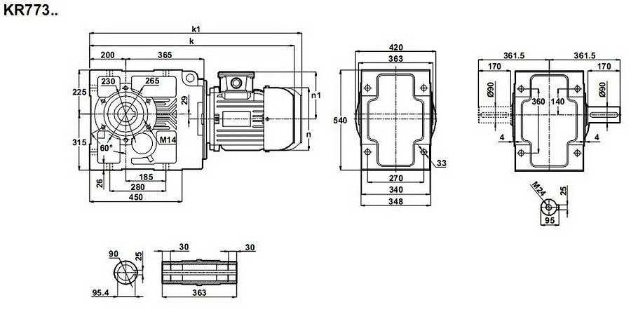
Разно целевой и многофункциональный конический цилиндрический редуктор KR773-225M/4 обще промышленного назначения предлагается с электромотором мощностью 45 кВт.Расчетные обороты на выходе: 53 об/мин - 189 об/мин.
Достигаемый крутящий момент: 3000 Н*м - 8000 Н*м.
Допустимые радиальные нагрузки: 34000 H.
Гарантийные обязательства - 2 года.
Условное обозначение
Каталог K-series
| Обороты на выходном валу | Крутящий момент на выходном валу | Передаточное число | Радиальные нагрузки на выходной вал | Сервис фактор | Тип редуктора | Масса |
| n2 (об/мин-1) | M2 (Нм) | i | Fr (Н) | fs | m (кг) | |
| 41 | 10370 | 33,78 | 32946 | 0,8 | KR773-225M/4 | 719 |
| 48 | 9025 | 29,40 | 34504 | 0,9 | ||
| 53 | 8140 | 26,52 | 35374 | 1,0 | ||
| 60 | 7221 | 23,52 | 36114 | 1,1 | ||
| 67 | 6439 | 20,97 | 36588 | 1,2 | ||
| 69 | 6209 | 20,23 | 36695 | 1,3 | ||
| 80 | 5378 | 17,52 | 36940 | 1,4 | ||
| 92 | 4680 | 15,25 | 36937 | 1,5 | ||
| 109 | 3957 | 12,89 | 34478 | 1,1 | ||
| 122 | 3510 | 11,44 | 34399 | 1,3 | ||
| 137 | 3130 | 10,2 | 34205 | 1,4 | ||
| 142 | 3018 | 9,83 | 34123 | 1,4 | ||
| 164 | 2614 | 8,52 | 33708 | 1,5 | ||
| 189 | 2275 | 7,41 | 33193 | 1,7 |

Вернуться к выбору мощностей
Мотор-редуктор KR773 - полный аналог мотор-редуктора B153 (от Motovario (Италия)) , МВН160 (Siti (Италия) мотор-редукторов SK9062.1 , SK9062.1 VF , SK9062.1 AZ (Nord (Германия), можно рассматривать как технический аналог мотор-редукторов марок ТС225В , TF225В ТС200В , TF200В (марки от Tramec (Италия)) VF250 , A803 (производства Bonfiglioli (Италия)). Редуктор КТ773 можно рассматривать как аналогичный редукторам КЦ1-400 , КЦ2-750 (российского производства), редуктора ТА200В, ТА225В (производимого Tramec (Италия)), технический аналог редукторам ВН160 (произведенных под маркой Siti (Италия)) и технический аналог редукторам КЦ2-200Н (производителя "Зарем").
Если вы хотите купить конические редукторы KR773 , вы можете:
Позвонить:
Российская Федерация
+7 (495) 369-04-89
+7 (910) 726-725-4 (МТС) Смоленск
info@tech-privod.com
Республика Беларусь
+375 17 272-04-08 (т/ф) Минск
+375 29 61-787-61 (A1) Минск
+7 (495) 369-04-89
+7 (910) 726-725-4 (МТС) Смоленск
info@tech-privod.com
Республика Беларусь
+375 17 272-04-08 (т/ф) Минск
+375 29 61-787-61 (A1) Минск
