Конические редукторы KR873 30 об/мин... 150 об/мин
30 об/мин... 150 об/мин
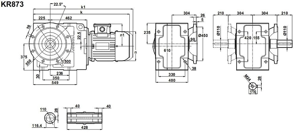
Коническо-цилиндрический мотор-редуктор KR873-225M/4 - редукторный механизм, который служит для преобразования высокой угловой скорости, подаваемой электрическим мотором номинальной мощностью 45кВт (причем в качестве подводимого энергетического устройства можно рассматривать как стандартный асинхронный двигатель (45*3000, 45*1500, 45*1000, 45*750), так и двигатель постоянного тока, гидромотор, ВОМ и другое).Получаемые моменты - 3000 ... 14000Nm.
Рациональная скорость оборачиваемости на выходе трансмиссии - 28 об/мин - 145 об/мин.
Условное обозначение
Каталог K-series
| Обороты на выходном валу | Крутящий момент на выходном валу | Передаточное число | Радиальные нагрузки на выходной вал | Сервис фактор | Тип редуктора | Масса |
| n2 (об/мин-1) | M2 (Нм) | i | Fr (Н) | fs | m (кг) | |
| 25 | 16024 | 55,53 | 83482 | 0,9 | KR873-225M/4 | 848 |
| 28 | 14354 | 49,75 | 83801 | 1,0 | ||
| 32 | 12470 | 43,22 | 83738 | 1,2 | ||
| 37 | 10964 | 38,00 | 83290 | 1,3 | ||
| 41 | 9893 | 34,28 | 82705 | 1,4 | ||
| 47 | 8621 | 29,88 | 81656 | 1,5 | ||
| 58 | 7005 | 24,28 | 79610 | 2,0 | ||
| 66 | 6159 | 21,34 | 78123 | 2,2 | ||
| 73 | 5557 | 19,26 | 76842 | 2,4 | ||
| 83 | 4843 | 16,78 | 75023 | 2,6 | ||
| 101 | 4019 | 13,93 | 70993 | 2,2 | ||
| 114 | 3534 | 12,25 | 69299 | 2,4 | ||
| 127 | 3188 | 11,05 | 67905 | 2,5 | ||
| 145 | 2779 | 9,63 | 65998 | 2,8 |

Вернуться к выбору мощностей
Мотор-редуктор KR873 - полный аналог мотор-редукторов SK9082.1 , SK9082.1 VF , SK9082.1 AZ (Nord (Германия), можно рассматривать как технический аналог мотор-редукторов марок B163 (от Motovario (Италия)) , МВН180 (Siti (Италия) A 904 (производства Bonfiglioli (Италия)).
Редуктор КТ873 можно рассматривать как аналогичный (приближенным по крепежным размерам) редукторам ВН180, ВН200 (произведенных под маркой Siti (Италия)) и технический аналог редукторам КЦ1-500 , КЦ2-250Н (производства "Зарем").
Если вы хотите купить конические редукторы KR873 , вы можете:
Позвонить:
Российская Федерация
+7 (495) 369-04-89
+7 (910) 726-725-4 (МТС) Смоленск
info@tech-privod.com
Республика Беларусь
+375 17 272-04-08 (т/ф) Минск
+375 29 61-787-61 (A1) Минск
+7 (495) 369-04-89
+7 (910) 726-725-4 (МТС) Смоленск
info@tech-privod.com
Республика Беларусь
+375 17 272-04-08 (т/ф) Минск
+375 29 61-787-61 (A1) Минск
