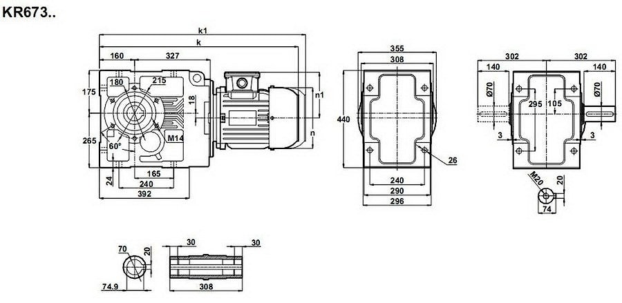
Конические редукторы KR673 90 об/мин... 170 об/мин
90 об/мин... 170 об/мин
Промышленный привод, используемый в качестве пере направления механического движения под прямым углом, с одновременным увеличением вращающего момента на конце выходного вала до 2000 Н*м - 4000Н*м - KR673-225S/4.Скорость оборачиваемости 66 об/мин - 169 об/мин.
Двигатель с подводимой мощностью - 37 кВт
Гарантия от производителя - 24 месяца.
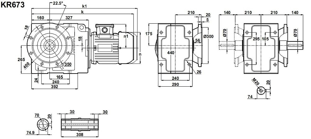
Условное обозначение
Каталог K-series
| Обороты на выходном валу | Крутящий момент на выходном валу | Передаточное число | Радиальные нагрузки на выходной вал | Сервис фактор | Тип редуктора | Масса |
| n2 (об/мин-1) | M2 (Нм) | i | Fr (Н) | fs | m (кг) | |
| 66 | 5380 | 21,32 | 21129 | 0,8 | KR673-225S/4 | 517 |
| 75 | 4730 | 18,74 | 22158 | 0,9 | ||
| 85 | 4176 | 16,54 | 22906 | 1,0 | ||
| 97 | 3657 | 14,49 | 22744 | 0,8 | ||
| 112 | 3144 | 12,46 | 23245 | 0,9 | ||
| 130 | 2728 | 10,81 | 23500 | 1,0 | ||
| 148 | 2385 | 9,45 | 23583 | 1,1 | ||
| 169 | 2097 | 8,31 | 23540 | 1,2 |


Вернуться к выбору мощностей
Мотор-редуктор KR673 - полный аналог мотор-редуктора B143 (от Motovario (Италия)) , МВН140 (Siti (Италия) мотор-редукторов SK9052.1 , SK9052.1 VF , SK9052.1 AZ (Nord (Германия), можно рассматривать как технический аналог мотор-редукторов марок ТС180В , TF180В (марки от Tramec (Италия)) VF210 , A703 (производства Bonfiglioli (Италия)).
Редуктор КТ673 можно рассматривать как аналогичный редуктору КЦ2-500 российского производства , редуктора ТА180В, ТС180В , ТF180В , производимого Tramec (Италия), аналог редуктора RT180A и RТ180A-FF производства Tos-Znojmo (Чехия), технический аналог редукторам ВН140, МВН140, произведенных под маркой Siti (Италия) и технический аналог редукторам КЦ1-300 , КЦ2-160Н производителя "Зарем"
Если вы хотите купить конические редукторы KR673 , вы можете:
Позвонить:
Российская Федерация
+7 (495) 369-04-89
+7 (910) 726-725-4 (МТС) Смоленск
info@tech-privod.com
Республика Беларусь
+375 17 272-04-08 (т/ф) Минск
+375 29 61-787-61 (A1) Минск
+7 (495) 369-04-89
+7 (910) 726-725-4 (МТС) Смоленск
info@tech-privod.com
Республика Беларусь
+375 17 272-04-08 (т/ф) Минск
+375 29 61-787-61 (A1) Минск
