Конические редукторы KR773 50 об/мин... 200 об/мин
50 об/мин... 200 об/мин
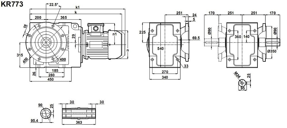
Для передачи крутящего момента 2000 Нм - 7000 Нм в промышленных нуждах, от первичной энергетической установки 37 KW используют коническо-цилиндрический мотор-редуктор KR773-225S/4.Эффективно использовать привод для достижения 35 об/мин ... 189 об/мин на выходе.
Редуктор заправлен заводской трансмиссионной смазкой. Предлагаемые монтажные расположения: B3, B5, B5', B6, B7, V1, V2, V3, V4, V5, V6, H3, H4, H5, H6.
Гарантия - 24 месяцев.
Условное обозначение
Каталог K-series
| Обороты на выходном валу | Крутящий момент на выходном валу | Передаточное число | Радиальные нагрузки на выходной вал | Сервис фактор | Тип редуктора | Масса |
| n2 (об/мин-1) | M2 (Нм) | i | Fr (Н) | fs | m (кг) | |
| 35 | 10208 | 40,44 | 37096 | 0,8 | KR773-225S/4 | 674 |
| 36 | 9843 | 39,00 | 37493 | 0,8 | ||
| 41 | 8526 | 33,78 | 38753 | 0,9 | ||
| 48 | 7420 | 29,40 | 39558 | 1,1 | ||
| 53 | 6693 | 26,52 | 39932 | 1,2 | ||
| 60 | 5937 | 23,52 | 40158 | 1,3 | ||
| 67 | 5294 | 20,97 | 40194 | 1,5 | ||
| 69 | 5105 | 20,23 | 40172 | 1,5 | ||
| 80 | 4422 | 17,52 | 39951 | 1,7 | ||
| 92 | 3848 | 15,25 | 39558 | 1,9 | ||
| 109 | 3253 | 12,89 | 37085 | 1,4 | ||
| 122 | 2886 | 11,44 | 36712 | 1,5 | ||
| 137 | 2573 | 10,20 | 36267 | 1,7 | ||
| 142 | 2482 | 9,83 | 36111 | 1,7 | ||
| 164 | 2150 | 8,52 | 35430 | 1,9 | ||
| 189 | 1871 | 7,41 | 34692 | 2,1 |

Вернуться к выбору мощностей
Мотор-редуктор KR773 - полный аналог мотор-редуктора B153 (от Motovario (Италия)) , МВН160 (Siti (Италия) мотор-редукторов SK9062.1 , SK9062.1 VF , SK9062.1 AZ (Nord (Германия), можно рассматривать как технический аналог мотор-редукторов марок ТС225В , TF225В ТС200В , TF200В (марки от Tramec (Италия)) VF250 , A803 (производства Bonfiglioli (Италия)). Редуктор КТ773 можно рассматривать как аналогичный редукторам КЦ1-400 , КЦ2-750 (российского производства), редуктора ТА200В, ТА225В (производимого Tramec (Италия)), технический аналог редукторам ВН160 (произведенных под маркой Siti (Италия)) и технический аналог редукторам КЦ2-200Н (производителя "Зарем").
Если вы хотите купить конические редукторы KR773 , вы можете:
Позвонить:
Российская Федерация
+7 (495) 369-04-89
+7 (910) 726-725-4 (МТС) Смоленск
info@tech-privod.com
Республика Беларусь
+375 17 272-04-08 (т/ф) Минск
+375 29 61-787-61 (A1) Минск
+7 (495) 369-04-89
+7 (910) 726-725-4 (МТС) Смоленск
info@tech-privod.com
Республика Беларусь
+375 17 272-04-08 (т/ф) Минск
+375 29 61-787-61 (A1) Минск
