Конические редукторы KR873 25 об/мин... 130 об/мин
25 об/мин... 130 об/мин
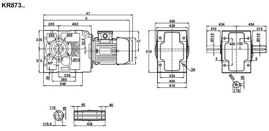
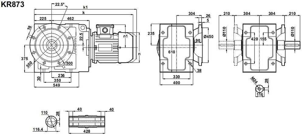
Конический привод KR873-225S/4 с подводимой номинальной мощностью 37,0 кВт (37*3000, 37*1500, 37*1000, 37*750) - представляет собой мощнейшую трансмиссионную передачу с пере направлением вращательного движения под прямым углом, и параллельной мультипликацией крутящего усилия до уровня 3000 Н*м - 13000 Н*м.Передаточные числа: 11 к 1, 12,5 к 1, 14 к 1, 17 к 1, 19 к 1, 21 к 1, 25 к 1, 30 к 1, 34 к 1, 38 к 1, 43 к 1, 50 к 1, 55 к 1.
Гарантийные обязательства - 24 месяца.
Условное обозначение
Каталог K-series
| Обороты на выходном валу | Крутящий момент на выходном валу | Передаточное число | Радиальные нагрузки на выходной вал | Сервис фактор | Тип редуктора | Масса |
| n2 (об/мин-1) | M2 (Нм) | i | Fr (Н) | fs | m (кг) | |
| 25 | 13175 | 55,53 | 90990 | 1,1 | KR873-225S/4 | 803 |
| 28 | 11802 | 49,75 | 90525 | 1,3 | ||
| 32 | 10253 | 43,22 | 89578 | 1,4 | ||
| 37 | 9015 | 38,00 | 88423 | 1,6 | ||
| 41 | 8134 | 34,28 | 87336 | 1,7 | ||
| 47 | 7088 | 29,88 | 85691 | 1,9 | ||
| 58 | 5759 | 24,28 | 82888 | 2,4 | ||
| 66 | 5064 | 21,34 | 81005 | 2,7 | ||
| 73 | 4569 | 19,26 | 79442 | 2,9 | ||
| 83 | 3982 | 16,78 | 77289 | 3,2 | ||
| 101 | 3305 | 13,93 | 73127 | 2,6 | ||
| 114 | 2905 | 12,25 | 71175 | 2,9 | ||
| 127 | 2622 | 11,05 | 69597 | 3,1 |


Вернуться к выбору мощностей
Мотор-редуктор KR873 - полный аналог мотор-редукторов SK9082.1 , SK9082.1 VF , SK9082.1 AZ (Nord (Германия), можно рассматривать как технический аналог мотор-редукторов марок B163 (от Motovario (Италия)) , МВН180 (Siti (Италия) A 904 (производства Bonfiglioli (Италия)).
Редуктор КТ873 можно рассматривать как аналогичный (приближенным по крепежным размерам) редукторам ВН180, ВН200 (произведенных под маркой Siti (Италия)) и технический аналог редукторам КЦ1-500 , КЦ2-250Н (производства "Зарем").
Если вы хотите купить конические редукторы KR873 , вы можете:
Позвонить:
Российская Федерация
+7 (495) 369-04-89
+7 (910) 726-725-4 (МТС) Смоленск
info@tech-privod.com
Республика Беларусь
+375 17 272-04-08 (т/ф) Минск
+375 29 61-787-61 (A1) Минск
+7 (495) 369-04-89
+7 (910) 726-725-4 (МТС) Смоленск
info@tech-privod.com
Республика Беларусь
+375 17 272-04-08 (т/ф) Минск
+375 29 61-787-61 (A1) Минск
