Конические редукторы KR673 50 об/мин... 170 об/мин
50 об/мин... 170 об/мин
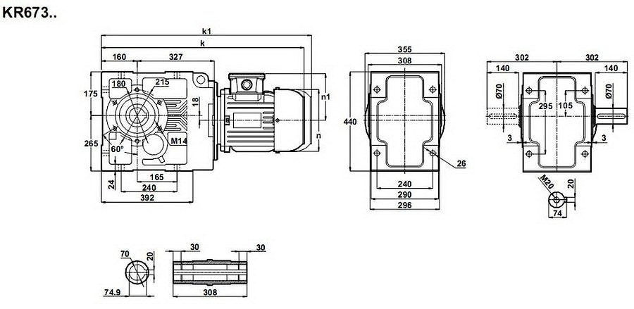
Используя высокотехнологичное коническое и цилиндрическое зацепление, предлагается коническо-цилиндрический мотор-редуктор KR673-180L/4, главной задачей которого является передача мощного вращающего усилия на выходной вал - 1300 ... 4000 ньютонов/метр, от силовой электрической машина мощностью - 18,5 киловатт.В данном сочетании редуктор-электродвигатель наиболее рациональным считается достижение выходных оборотов: 43 ... 169 оборотов/минуту. Дополнительно предусмотрено производство полых валов различных диаметров, стандартные/нестандартные фланцы, исполнение с реактивной штангой.
Условное обозначение
Каталог K-series
| Обороты на выходном валу | Крутящий момент на выходном валу | Передаточное число | Радиальные нагрузки на выходной вал | Сервис фактор | Тип редуктора | Масса |
| n2 (об/мин-1) | M2 (Нм) | i | Fr (Н) | fs | m (кг) | |
| 43 | 4905 | 32,68 | 27745 | 0,9 | KR673-180L/4 | 427 |
| 50 | 4217 | 28,10 | 29631 | 1,0 | ||
| 57 | 3659 | 24,38 | 29962 | 1,2 | ||
| 66 | 3199 | 21,32 | 30072 | 1,3 | ||
| 75 | 2812 | 18,74 | 30020 | 1,5 | ||
| 85 | 2483 | 16,54 | 29846 | 1,7 | ||
| 97 | 2174 | 14,49 | 29117 | 1,3 | ||
| 112 | 1869 | 12,46 | 28723 | 1,5 | ||
| 130 | 1622 | 10,81 | 28255 | 1,7 | ||
| 148 | 1418 | 9,45 | 27739 | 1,8 | ||
| 169 | 1247 | 8,31 | 27193 | 2,0 |


Вернуться к выбору мощностей
Мотор-редуктор KR673 - полный аналог мотор-редуктора B143 (от Motovario (Италия)) , МВН140 (Siti (Италия) мотор-редукторов SK9052.1 , SK9052.1 VF , SK9052.1 AZ (Nord (Германия), можно рассматривать как технический аналог мотор-редукторов марок ТС180В , TF180В (марки от Tramec (Италия)) VF210 , A703 (производства Bonfiglioli (Италия)).
Редуктор КТ673 можно рассматривать как аналогичный редуктору КЦ2-500 российского производства , редуктора ТА180В, ТС180В , ТF180В , производимого Tramec (Италия), аналог редуктора RT180A и RТ180A-FF производства Tos-Znojmo (Чехия), технический аналог редукторам ВН140, МВН140, произведенных под маркой Siti (Италия) и технический аналог редукторам КЦ1-300 , КЦ2-160Н производителя "Зарем"
Если вы хотите купить конические редукторы KR673 , вы можете:
Позвонить:
Российская Федерация
+7 (495) 369-04-89
+7 (910) 726-725-4 (МТС) Смоленск
info@tech-privod.com
Республика Беларусь
+375 17 272-04-08 (т/ф) Минск
+375 29 61-787-61 (A1) Минск
+7 (495) 369-04-89
+7 (910) 726-725-4 (МТС) Смоленск
info@tech-privod.com
Республика Беларусь
+375 17 272-04-08 (т/ф) Минск
+375 29 61-787-61 (A1) Минск
