Конические редукторы KR873 15 об/мин... 40 об/мин
15 об/мин... 40 об/мин
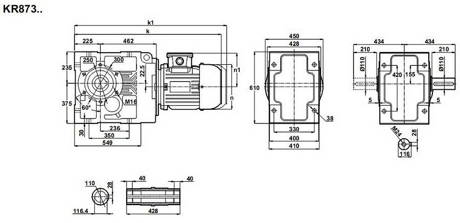
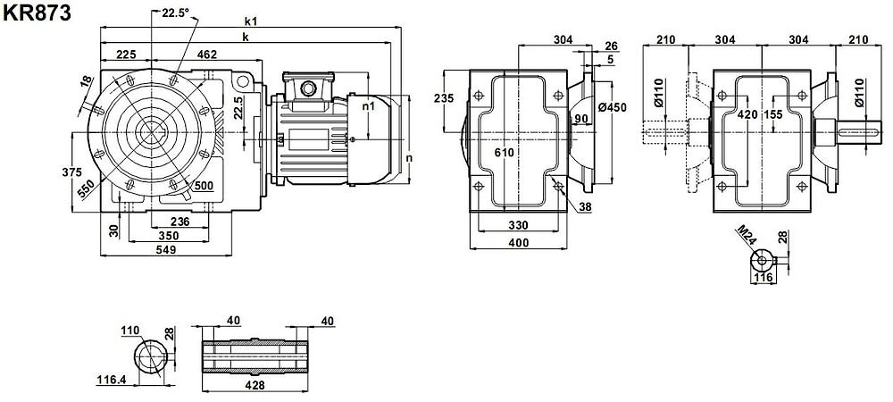
Коническо-цилиндрическая трансмиссия, приводимая в движение электрическим двигателем - 22 кВт представлена моторизированным редуктором KR873-180L/4 . Редуктор считается средне оборотистым, выходные обороты 14 об/мин- 41 об/мин, достигаемые моменты 5000 Н*м - 13000 Н*м.Эксплуатация узла, а также его адаптация к заданным габаритным параметрам облегчена предлагаемыми диаметрами полых втулок, цельных валов, выходных крепежных фланцев, реактивными рычагами и т.д.
Редуктор заправлен заводской смазкой, имеют сервисные заливные и сливные пробки и много других полезных функций.
Условное обозначение
Каталог K-series
| Обороты на выходном валу | Крутящий момент на выходном валу | Передаточное число | Радиальные нагрузки на выходной вал | Сервис фактор | Тип редуктора | Масса |
| n2 (об/мин-1) | M2 (Нм) | i | Fr (Н) | fs | m (кг) | |
| 14 | 14563 | 103,24 | 102103 | 1,0 | KR873-180L/4 | 713 |
| 15 | 13091 | 92,80 | 107773 | 1,1 | ||
| 17 | 11436 | 81,06 | 110676 | 1,3 | ||
| 20 | 9982 | 70,76 | 108878 | 1,5 | ||
| 22 | 8806 | 62,42 | 106985 | 1,7 | ||
| 25 | 7834 | 55,53 | 105055 | 1,9 | ||
| 28 | 7018 | 49,75 | 103123 | 2,1 | ||
| 32 | 6096 | 43,22 | 100521 | 2,4 | ||
| 37 | 5360 | 38,00 | 98043 | 2,7 | ||
| 41 | 4836 | 34,28 | 96015 | 2,9 |


Вернуться к выбору мощностей
Мотор-редуктор KR873 - полный аналог мотор-редукторов SK9082.1 , SK9082.1 VF , SK9082.1 AZ (Nord (Германия), можно рассматривать как технический аналог мотор-редукторов марок B163 (от Motovario (Италия)) , МВН180 (Siti (Италия) A 904 (производства Bonfiglioli (Италия)).
Редуктор КТ873 можно рассматривать как аналогичный (приближенным по крепежным размерам) редукторам ВН180, ВН200 (произведенных под маркой Siti (Италия)) и технический аналог редукторам КЦ1-500 , КЦ2-250Н (производства "Зарем").
Если вы хотите купить конические редукторы KR873 , вы можете:
Позвонить:
Российская Федерация
+7 (495) 369-04-89
+7 (910) 726-725-4 (МТС) Смоленск
info@tech-privod.com
Республика Беларусь
+375 17 272-04-08 (т/ф) Минск
+375 29 61-787-61 (A1) Минск
+7 (495) 369-04-89
+7 (910) 726-725-4 (МТС) Смоленск
info@tech-privod.com
Республика Беларусь
+375 17 272-04-08 (т/ф) Минск
+375 29 61-787-61 (A1) Минск
