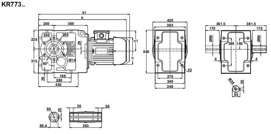
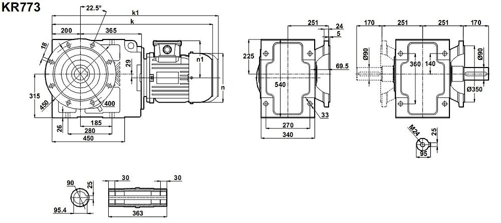
Конические редукторы KR773 30 об/мин... 90 об/мин
30 об/мин... 90 об/мин
Конический приводной механизм KR773-180L/4 оснащен подводимым электрическим двигателем эквивалентной мощностью 22 киловатт (синхронный/асинхронный мотор, гидромотор, DC-мотор), как конечный продукт, в жесткой сцепке, изготавливается компактный универсального применения мотор-редуктор.Рационально использовать в данной конфигурации мощность/выходные обороты передаточные числа: u=15, u= 17.5, u= 20, u= 21, u= 23,5, u= 26.5, u= 30, u= 34, u= 39, u= 40, u= 45, u= 51, u= 58, u= 66.
Гарантия - 24 месяца.
Условное обозначение
Каталог K-series
| Обороты на выходном валу | Крутящий момент на выходном валу | Передаточное число | Радиальные нагрузки на выходной вал | Сервис фактор | Тип редуктора | Масса |
| n2 (об/мин-1) | M2 (Нм) | i | Fr (Н) | fs | m (кг) | |
| 21 | 9952 | 66,32 | 48977 | 0,8 | KR773-180L/4 | 584 |
| 24 | 8704 | 58,00 | 49743 | 0,9 | ||
| 27 | 7673 | 51,13 | 50127 | 1,0 | ||
| 31 | 6807 | 45,36 | 50233 | 1,2 | ||
| 35 | 6070 | 40,44 | 50132 | 1,3 | ||
| 36 | 5853 | 39,00 | 50063 | 1,4 | ||
| 41 | 5070 | 33,78 | 49641 | 1,6 | ||
| 48 | 4412 | 29,40 | 49034 | 1,8 | ||
| 53 | 3979 | 26,52 | 48478 | 2,0 | ||
| 60 | 3530 | 23,52 | 47740 | 2,3 | ||
| 67 | 3148 | 20,97 | 46954 | 2,5 | ||
| 69 | 3035 | 20,23 | 46691 | 2,6 | ||
| 80 | 2629 | 17,52 | 45598 | 2,9 | ||
| 92 | 2288 | 15,25 | 44473 | 3,2 |


Вернуться к выбору мощностей
Мотор-редуктор KR773 - полный аналог мотор-редуктора B153 (от Motovario (Италия)) , МВН160 (Siti (Италия) мотор-редукторов SK9062.1 , SK9062.1 VF , SK9062.1 AZ (Nord (Германия), можно рассматривать как технический аналог мотор-редукторов марок ТС225В , TF225В ТС200В , TF200В (марки от Tramec (Италия)) VF250 , A803 (производства Bonfiglioli (Италия)). Редуктор КТ773 можно рассматривать как аналогичный редукторам КЦ1-400 , КЦ2-750 (российского производства), редуктора ТА200В, ТА225В (производимого Tramec (Италия)), технический аналог редукторам ВН160 (произведенных под маркой Siti (Италия)) и технический аналог редукторам КЦ2-200Н (производителя "Зарем").
Если вы хотите купить конические редукторы KR773 , вы можете:
Позвонить:
Российская Федерация
+7 (495) 369-04-89
+7 (910) 726-725-4 (МТС) Смоленск
info@tech-privod.com
Республика Беларусь
+375 17 272-04-08 (т/ф) Минск
+375 29 61-787-61 (A1) Минск
+7 (495) 369-04-89
+7 (910) 726-725-4 (МТС) Смоленск
info@tech-privod.com
Республика Беларусь
+375 17 272-04-08 (т/ф) Минск
+375 29 61-787-61 (A1) Минск
