Соосный цилиндрический редуктор MR672 MR673 NR672 NR673 75 об/мин ... 360 об/мин
75 об/мин ... 360 об/мин
Механическое устройство для преобразования и передачи крутящего момента с помощью двух и трех этапного шестереночного снижения входных оборотов предлагается как мотор-редуктор следующих марок MR672-200L/4, NR672-200L/4, MR673-200L/4, NR673-200L/4. Подводимая мощность - 30,0KW, передаваемые усилия 800Nm - 3500Nm.Редуктор считается быстроходной трансмиссионной машиной, передаточные соотношения i=4.0 - i=20.
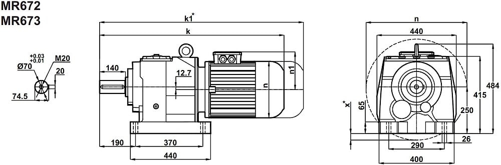
Привод изготавливаются в исполнении на лапах и фланцевом исполнении. Моноблочный корпус цементирует оси используемых шестерен, в результате допускаемые радиальные нагрузки устойчиво удерживают до 16000N.
Условное обозначение
Каталог M-series
| Обороты на выходном валу | Крутящий момент на выходном валу | Передаточное число | Радиальные нагрузки на выходной вал | Сервис фактор | Тип редуктора | Масса |
| n2 (об/мин-1) | M2 (Нм) | i | Fr (Н) | fs | m (кг) | |
| 56 | 4840 | 24,88 | 15619 | 0,8 | MR673-200L/4 NR673-200L/4 | 422 425 |
| 65 | 4168 | 21,39 | 16022 | 0,9 | ||
| 75 | 3623 | 18,56 | 16232 | 1,0 | ||
| 86 | 3172 | 16,23 | 16306 | 1,1 | ||
| 92 | 3018 | 15,27 | 17315 | 1,1 | MR672-200L/4 NR672-200L/4 | 419 422 |
| 107 | 2598 | 13,13 | 17091 | 1,2 | ||
| 123 | 2258 | 11,39 | 16810 | 1,2 | ||
| 141 | 1976 | 9,96 | 16493 | 1,2 | ||
| 160 | 1739 | 8,76 | 16153 | 1,2 | ||
| 181 | 1535 | 7,75 | 15297 | 1,2 | ||
| 210 | 1321 | 6,66 | 14910 | 1,3 | ||
| 242 | 1148 | 5,78 | 14517 | 1,4 | ||
| 277 | 1005 | 5,05 | 14125 | 1,5 | ||
| 315 | 884 | 4,44 | 13737 | 1,6 | ||
| 357 | 781 | 3,92 | 13353 | 1,6 |

Вернуться к выбору мощностей
Редуктор MR672 и MR673 является полным аналогом мотор-редукторов Н122 и Н123 , Н 122 и Н 123 (производства Motovario (Италия) , мотор-редукторов MNHL70/2 и MNHL70/3 , MNHL 70 2 и MNHL 703 , MNHL70 2 и MHL 70 3 (производитель Siti (Италия).
И техническим аналогом мотор-редукторов SK62 , SK63 , SK 62 , SK 63 (производства Nord (Германия) , мотор-редукторов С80 2 Р , С80 3P , С 80 2 Р , С 80 3 P , С 802 Р , С 803 P (от Bonfiglioli (Италия) , мотор-редукторов 3МП100 (110) , 3 МП 100 (120) , 3 МП-100 (130) , 3МП-100 (160) , 3 МП 100 (110) , 3 МП100 (120) , МП-100 (130) , МП100 (160) , 3 МП-100 (140) , МЦ2С-160 (150) и 4МЦ2С-160 (110) , МЦ2С 160 (110) и 4 МЦ2С 160 (120) , МЦ 2С 160 (130) и 4МЦ 2С 160 (160) ( производства украинских и российских заводов) , мотор-редукторов МР1-315 Щ , МР1 315 Щ , МР1-315 Щ , МР 1-315 Щ , МР 1 315-Щ , МР 1-315 Щ , МР2-315 Щ , МР2 315 Щ , МР2-315 Щ , МР 2-315 Щ , МР 2 315-Щ , МР 2-315 Щ (производства Тамбовполимермаш).
Редуктор NR672 и NR673 является полным аналогом мотор-редукторов C802 F и C803 F , C 802 F и C 803 F , C 80 2 F и C80 3 F (производства Bonfiglioli Италия) , MNHL70/2-F и MNHL70/3-F , MNHL 70 2 F и MNHL 703 F , MNHL70 2-F и MHL 70 3 F (производства Siti (Италия) , HF122 , HF123 , HF 122 , HF 123 (от Motovario , Италия).
И техническим аналогом мотор редукторов SK62F , SK63F , SK 62 F , SK 63 F , SK 62F , SK 63F (произведенных Nord (Германия) , мотор-редукторов 3МП-100 , 3МП100 , 3 МП-100 , 3МП-100М , 3МП100 М, 3 МП-100 М , 3МП-100 , 3МП100 , 3 МП-100 , 4МЦ 2С 160 (310) , 4 МЦ 2С-160 (310) , МЦ 2С160 (330) , МЦ 2С 160 (320) , 4МЦ2С 160 (310) , 4 МЦ2С-160 (330) , 4 МЦ 2С 160 (320) , МЦ 2 С160 (330) (производства российских и украинских заводов ) , мотор редукторов МР1 315 Ф1В , МР 1 315 Ф2 В , МР1 315-Ф1В , МР 1-315 Ф2В , М Р 1 315 Ф1В , МР1 315Ф 2В , МР 1-315 Ф1В , МР 1 315 Ф 2В , МР1-315Ф 1В , МР2 315 Ф1В , МР 2 315 Ф2 В , МР2 315-Ф 1В , МР 2-315 Ф1В , М Р 2 315 Ф2 В , МР2 315-Ф2В , МР 2-315 Ф 1В , МР 2 315-Ф2 В , МР2-315 Ф1-В (производства Тамбовполимермаш).
Если вы хотите купить соосный цилиндрический редуктор MR672 MR673 NR672 NR673 , вы можете:
Позвонить:
Российская Федерация
+7 (495) 369-04-89
+7 (910) 726-725-4 (МТС) Смоленск
info@tech-privod.com
Республика Беларусь
+375 17 272-04-08 (т/ф) Минск
+375 29 61-787-61 (A1) Минск
+7 (495) 369-04-89
+7 (910) 726-725-4 (МТС) Смоленск
info@tech-privod.com
Республика Беларусь
+375 17 272-04-08 (т/ф) Минск
+375 29 61-787-61 (A1) Минск
